Buonasera a tutti, premetto di non essere un riparatore professionista, ma di essermi appassionato al mondo dell'elettronica da un annetto circa. Sono autodidatta, sto leggendo molto e guardando moltissimi video per imparare sempre di più. Veniamo al dunque: ho tra le mani un alimentatore switching che mi era stato dato già non funzionante e che inizialmente avevo usato per fare un po' di misure dei componenti, insomma, ci avevo maneggiato un po' a scopi didattici più che altro.
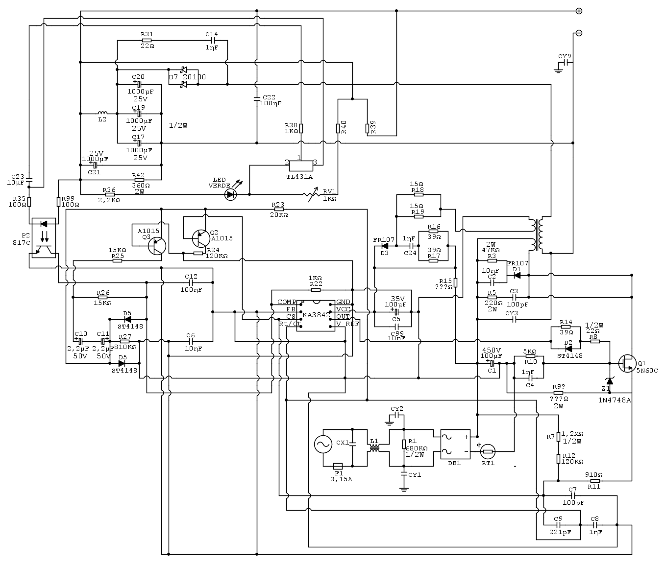
Ora che ho più dimestichezza con l'argomento, volevo provare a ripararlo. Ci ho messo quasi 3 pomeriggi , ma credo di essere riuscito a ricostruire lo schema di funzionamento completo che metto qui sotto. Ho cercato di renderlo il più chiaro possibile, spero di essere riuscito nell'intento, ma essendo la prima volta che ricostruisco uno schema, perdonatemi se ci sono punti confusi. Per comodità, in allegato metto i datasheet dei componenti.
Ho 2 problemi principali: il primo è che il resistore R15 da 2W che all'epoca avevo rimosso e che prende la 300V continua da C1, aveva chiaramente segni di bruciatura, ma i colori erano talmente sbiaditi che la lettura era impossibile (avevo interpretato un 10 ohm, ma credo che non sia per niente giusto). Quindi dovrei capire qual è un valore accettabile da poter utilizzare.
Il secondo problema è che mi manca anche R9 (che dalla serigrafia sembra da 2W). E anche in questo caso non ho il vecchio resistore.
Voglio precisare che il PCB su cui sono montati i componenti, viene probabilmente usato anche per altri modelli di alimentatore, visto che in serigrafia sono riportati dei componenti che in realtà non sono montati. In più quelli che nello schema ho indicato come R99 e C99 sono un resistore ed un condensatore ceramico rispettivamente montati (di fabbrica) sulle piazzole indicate con Z1 e R13.
Grazie per l'aiuto.
Riparazione alimentatore switching 12V - 6,5A
1
voti
- Allegati
-
A1015 PNP Transistor.pdf- (43.61 KiB) Scaricato 327 volte
-
5N60C N-Mosfet.pdf- (647.67 KiB) Scaricato 332 volte
-
KA3842 PWM Controller.pdf- (93.83 KiB) Scaricato 387 volte
0
voti
Gli altri datasheet più foto della scheda.
- Allegati
-
FR107 Diodo fast recovery.pdf- (670.52 KiB) Scaricato 411 volte
-
TL431A.pdf- (94.11 KiB) Scaricato 356 volte
0
voti
la R9 = 100k 2-3w
-

elektronik
7.800 4 6 7 - Master

- Messaggi: 3836
- Iscritto il: 12 mag 2015, 22:26
0
voti
elektronik ha scritto:la R9 = 100k 2-3w
Nell'ultima foto vedo in serigrafia una R9 ma che in realtà non c'è fisicamente, quindi mi chiedo anch'io come diavolo siete arrivati a una fantomatica resistenza di quel valore e soprattutto di cotanta potenza! (circa 550V al massimo su quel resistore, quando mai ci fosse e a che pro)
-

AZZZ
256 1 5 6 - CRU - Account cancellato su Richiesta utente
- Messaggi: 620
- Iscritto il: 4 mag 2018, 21:47
0
voti
-

AZZZ
256 1 5 6 - CRU - Account cancellato su Richiesta utente
- Messaggi: 620
- Iscritto il: 4 mag 2018, 21:47
0
voti
Cercherò di rifarlo in maniera più chiara....considera che è una cosa che non avevo mai fatto. Speravo che per capire il valore di quelle 2 resistenze, fosse sufficientemente chiaro.
0
voti
Dai un'occhiata a questo schema e` abbastanza simile al tuo, dovrebbe aiutarti ad organizzare il disegno in modo leggibile.
Ci sono svariati errori qua e la`, ad esempio R16, R17, C24 e D3 sono cortocircuitati. Vref e` collegato direttamente a FB e a ground!
R9 potrebbe essere da qualche ohm, dipende dalla potenza erogabile, dalla frequenza di funzionamento e dalla induttanza di primario del magnetico. R15 dovrebbe essere dalle parti di 300kΩ o poco meno.
Il lato negativo di C1 e` il riferimento del primario, metti il simbolo del riferimento e non portare in giro quel filo, dove serve metti
e non chiamarlo massa!
Ci sono svariati errori qua e la`, ad esempio R16, R17, C24 e D3 sono cortocircuitati. Vref e` collegato direttamente a FB e a ground!
R9 potrebbe essere da qualche ohm, dipende dalla potenza erogabile, dalla frequenza di funzionamento e dalla induttanza di primario del magnetico. R15 dovrebbe essere dalle parti di 300kΩ o poco meno.
Il lato negativo di C1 e` il riferimento del primario, metti il simbolo del riferimento e non portare in giro quel filo, dove serve metti
e non chiamarlo massa!
Per usare proficuamente un simulatore, bisogna sapere molta più elettronica di lui
Plug it in - it works better!
Il 555 sta all'elettronica come Arduino all'informatica! (entrambi loro malgrado)
Se volete risposte rispondete a tutte le mie domande
Plug it in - it works better!
Il 555 sta all'elettronica come Arduino all'informatica! (entrambi loro malgrado)
Se volete risposte rispondete a tutte le mie domande
0
voti
Grazie IsidoroKZ , stamattina vedo di ridisegnare lo schema seguendo i tuoi consigli. In effetti lo schema che hai messo tu è decisamente più leggibile del mio. E verifico anche gli errori che mi hai segnalato.
Tornando alle resistenze, tu ed Elektronic mi avete dato 2 risposte molto diverse su R9 (sicuramente il mio schema avrà confuso le acque). Considerando i parametri che hai indicato (potenza erogabile 80W, frequenza e induttanza del primario) c'è poi una formula per calcolare R9? È importante che abbia esattamente un certo valore? O possiamo mettere una resistenza di basso valore senza essere troppo precisi?
Grazie.
Tornando alle resistenze, tu ed Elektronic mi avete dato 2 risposte molto diverse su R9 (sicuramente il mio schema avrà confuso le acque). Considerando i parametri che hai indicato (potenza erogabile 80W, frequenza e induttanza del primario) c'è poi una formula per calcolare R9? È importante che abbia esattamente un certo valore? O possiamo mettere una resistenza di basso valore senza essere troppo precisi?
Grazie.
Torna a Costruzione, riparazione, riutilizzo
Chi c’è in linea
Visitano il forum: Nessuno e 11 ospiti

Elettrotecnica e non solo (admin)
Un gatto tra gli elettroni (IsidoroKZ)
Esperienza e simulazioni (g.schgor)
Moleskine di un idraulico (RenzoDF)
Il Blog di ElectroYou (webmaster)
Idee microcontrollate (TardoFreak)
PICcoli grandi PICMicro (Paolino)
Il blog elettrico di carloc (carloc)
DirtEYblooog (dirtydeeds)
Di tutto... un po' (jordan20)
AK47 (lillo)
Esperienze elettroniche (marco438)
Telecomunicazioni musicali (clavicordo)
Automazione ed Elettronica (gustavo)
Direttive per la sicurezza (ErnestoCappelletti)
EYnfo dall'Alaska (mir)
Apriamo il quadro! (attilio)
H7-25 (asdf)
Passione Elettrica (massimob)
Elettroni a spasso (guidob)
Bloguerra (guerra)




