Salve a tutti, ho un inverter ad isola che mi sta dando problemi nonostante lo abbia gia fatto visionare 2 volte nel laboratorio del negozio dove l'ho acquistato.
girando in rete ho visto che il problema è noto e sembra essere un difetto (o caratteristica visto che c'è scritto che non è isolato verso terra) e in un forum sembrano aver trovato un escamotage per risolvere il problema ma bisogna costruire un piccolo isolatore fai da te.Prima di mettermi all'opera volevo sapere se la cosa era sicura, e per quale motivo si utilizza un convertitore AC/DC quando il sistema è tutto DC.
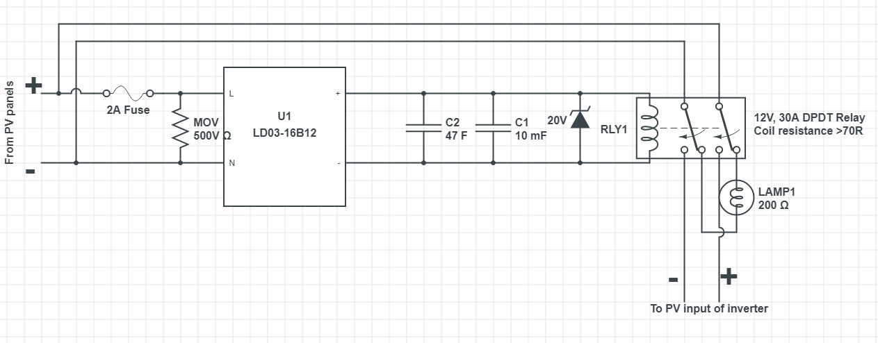
Poi volevo un vostro parare se la cosa è sicura visto che quando sono a regime i miei pannelli posso produrre tensioni di oltre 400V DC.
Allego lo schema ed allego il link al sito dove viene trattato l'argomento
https://powerforum.co.za/topic/4721-axpert-mks-ii-5kw-error-08/page/6/
Grazie
convertitore AC/DC in contesto DC/DC
Moderatori:
carloc,
g.schgor,
BrunoValente,
IsidoroKZ
1 messaggio
• Pagina 1 di 1
1 messaggio
• Pagina 1 di 1
Chi c’è in linea
Visitano il forum: Nessuno e 36 ospiti

Elettrotecnica e non solo (admin)
Un gatto tra gli elettroni (IsidoroKZ)
Esperienza e simulazioni (g.schgor)
Moleskine di un idraulico (RenzoDF)
Il Blog di ElectroYou (webmaster)
Idee microcontrollate (TardoFreak)
PICcoli grandi PICMicro (Paolino)
Il blog elettrico di carloc (carloc)
DirtEYblooog (dirtydeeds)
Di tutto... un po' (jordan20)
AK47 (lillo)
Esperienze elettroniche (marco438)
Telecomunicazioni musicali (clavicordo)
Automazione ed Elettronica (gustavo)
Direttive per la sicurezza (ErnestoCappelletti)
EYnfo dall'Alaska (mir)
Apriamo il quadro! (attilio)
H7-25 (asdf)
Passione Elettrica (massimob)
Elettroni a spasso (guidob)
Bloguerra (guerra)
