Buongiorno.
Ho analizzato il circuito di un multimetro analogico e mi sfugge a che serve c2 ed il perché di d1 e d2 ( per rettificare la corrente Ac non ne basterebbe uno ?).
tester analogico
Moderatori:
carloc,
g.schgor,
BrunoValente,
IsidoroKZ
6 messaggi
• Pagina 1 di 1
1
voti
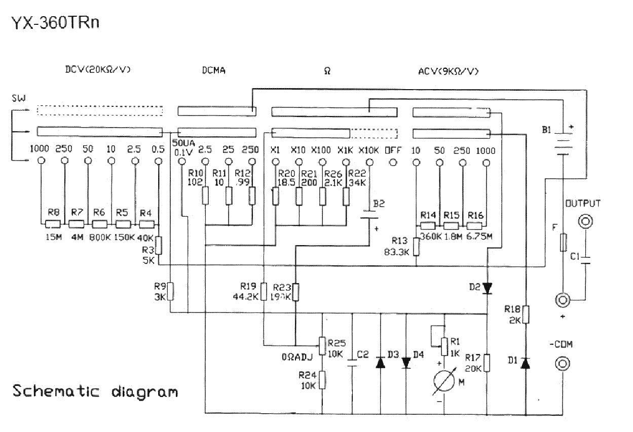
C2 è il condensatore che si carica al valore di picco della tensione alternata sotto misura, cioè serve a convertire la tensione alternata di ingresso (dopo il partitore) in una tensione continua di valore pari a quello di picco dell'alternata, quindi misurabile dallo strumento analogico che funziona solo in DC.
Mi pare che D1 entri in ballo solo nel caso in cui la sorgente di tensione alternata, di cui si vuole misurare il valore, abbia un valore di impedenza interna in continua infinito.
Voglio dire che, se D1 non vi fosse, nel caso in cui vi fosse un condensatore in serie alla sorgente della tensione alternata sotto misura, allora succederebbe che C2 non potrebbe caricarsi e che invece al posto di C2 si caricherebbe il condensatore esterno in serie e di conseguenza l'ago rimarrebbe fermo sullo 0V.
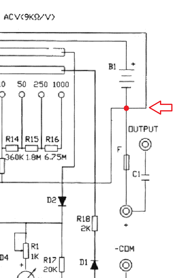
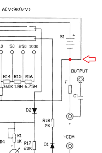
Nello schema mi pare manchi un puntino.
Mi pare che D1 entri in ballo solo nel caso in cui la sorgente di tensione alternata, di cui si vuole misurare il valore, abbia un valore di impedenza interna in continua infinito.
Voglio dire che, se D1 non vi fosse, nel caso in cui vi fosse un condensatore in serie alla sorgente della tensione alternata sotto misura, allora succederebbe che C2 non potrebbe caricarsi e che invece al posto di C2 si caricherebbe il condensatore esterno in serie e di conseguenza l'ago rimarrebbe fermo sullo 0V.
Nello schema mi pare manchi un puntino.
-

BrunoValente
39,6k 7 11 13 - G.Master EY

- Messaggi: 7796
- Iscritto il: 8 mag 2007, 14:48
0
voti
Ho visto che sul C.s. C’era la serigrafia dei componenti C2,C1,D3,D4 e gieli ho aggiunti.
Nn sapevo però la funzione e la capacità.
D3 e D4 penso per protezione galvanometro.
Comunque funzionava tutto bene anche prima e mi sono domandato a che servono se tutto funziona alla meraviglia.
La passione mi fa porre tante domande !
Nn sapevo però la funzione e la capacità.
D3 e D4 penso per protezione galvanometro.
Comunque funzionava tutto bene anche prima e mi sono domandato a che servono se tutto funziona alla meraviglia.
La passione mi fa porre tante domande !
0
voti
gbattista ha scritto:Buongiorno.
Ho analizzato il circuito di un multimetro analogico e mi sfugge a che serve c2 ed il perché di d1 e d2 ( per rettificare la corrente Ac non ne basterebbe uno ?).
Grazie!
0
voti
Funziona anche senza C2 ma in questo caso l'ago dello strumento si muove proporzionalmente al valore medio della tensione raddrizzata, mentre con C2 (solo se C2 ha un valore sufficientemente grande) lo strumento si muove proporzionalmente al valore massimo, di conseguenza aggiungendo C2, se in origine non c'era, succede che lo strumento indica un valore maggiore di quello che indicava senza C2.
-

BrunoValente
39,6k 7 11 13 - G.Master EY

- Messaggi: 7796
- Iscritto il: 8 mag 2007, 14:48
6 messaggi
• Pagina 1 di 1
Chi c’è in linea
Visitano il forum: Google [Bot] e 33 ospiti

Elettrotecnica e non solo (admin)
Un gatto tra gli elettroni (IsidoroKZ)
Esperienza e simulazioni (g.schgor)
Moleskine di un idraulico (RenzoDF)
Il Blog di ElectroYou (webmaster)
Idee microcontrollate (TardoFreak)
PICcoli grandi PICMicro (Paolino)
Il blog elettrico di carloc (carloc)
DirtEYblooog (dirtydeeds)
Di tutto... un po' (jordan20)
AK47 (lillo)
Esperienze elettroniche (marco438)
Telecomunicazioni musicali (clavicordo)
Automazione ed Elettronica (gustavo)
Direttive per la sicurezza (ErnestoCappelletti)
EYnfo dall'Alaska (mir)
Apriamo il quadro! (attilio)
H7-25 (asdf)
Passione Elettrica (massimob)
Elettroni a spasso (guidob)
Bloguerra (guerra)
