Cos'è ElectroYou | Login Iscriviti

ElectroYou - la comunità dei professionisti del mondo elettrico

Specchio di corrente con resistenze di degenerazione

Elettronica lineare e digitale: didattica ed applicazioni

Moderatori: Foto Utentecarloc, Foto Utenteg.schgor, Foto UtenteBrunoValente, Foto UtenteIsidoroKZ

0
voti

[1] Specchio di corrente con resistenze di degenerazione

Messaggioda Foto UtenteElectroFranco » 20 ago 2021, 11:48

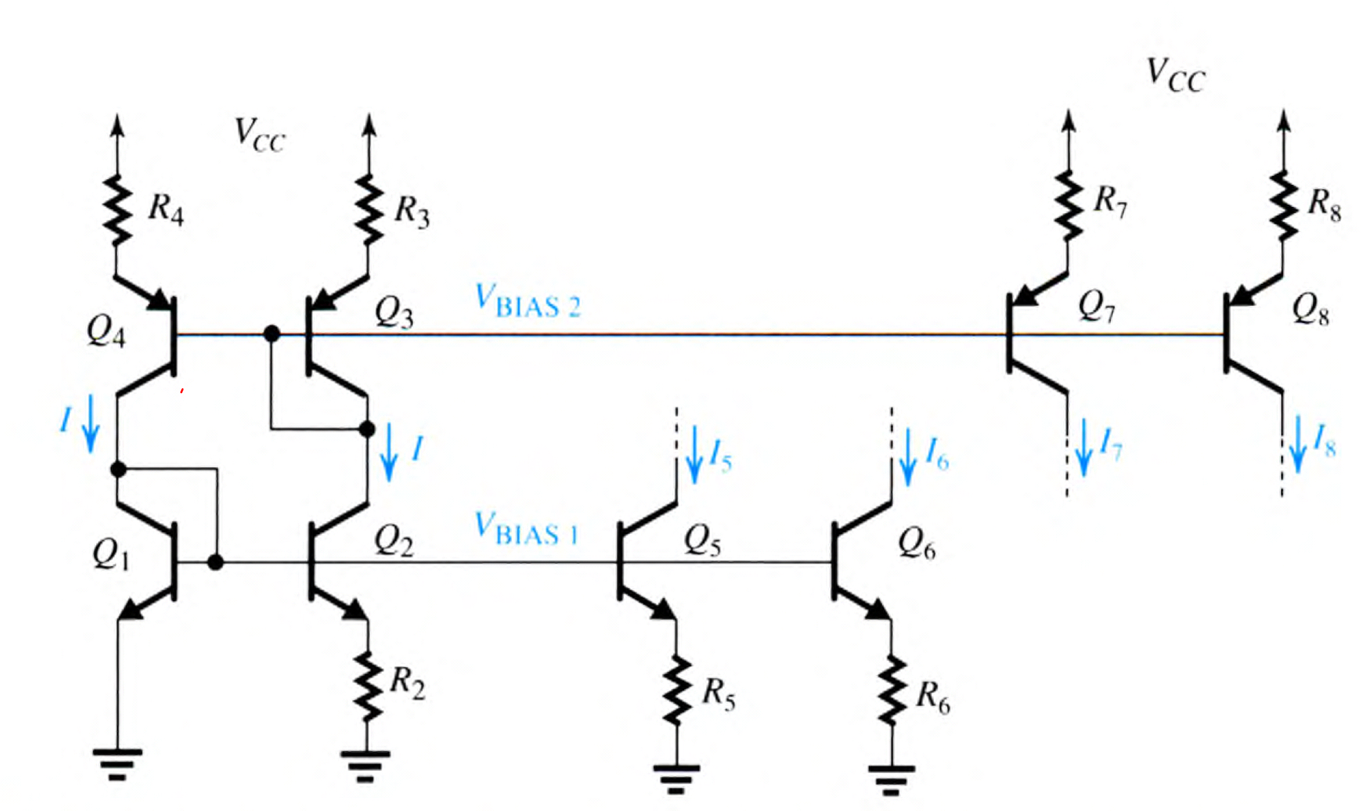
Ciao, so che probabilmente è una cavolata :-| , ma non riesco a capire come funziona lo specchio di corrente (fare riferimento a foto) in alto a sx. Vorrei trovare una relazione fra la corrente dello specchio e quella del ramo 7. Ogni volta che ci provo mi viene una equazione in due incognite.
Ho provato a fare un passo indietro perché mi sono accorto di non aver proprio compreso tale specchio in generale. Dunque ho cercato di capirne il principio, ma mi sono reso conto che finché tutto è matchato e le correnti sono uguali tutto torna, ma dal momento che voglio trovare la relazione fra i due rami dello specchio mi ritrovo sempre bloccato.
Qualcuno può darmi qualche consiglio su come ragionarlo ? O_/
Allegati
51B72699-000A-4A79-BC8C-51F4E15C69A1.jpeg
Avatar utente
Foto UtenteElectroFranco
120 5
New entry
New entry
 
Messaggi: 67
Iscritto il: 17 mar 2021, 7:51

0
voti

[2] Re: Specchio di corrente con resistenze di degenerazione

Messaggioda Foto UtenteElectroFranco » 20 ago 2021, 12:48

Se mi dite che si risolve solo imponendo in partenza il rapporto fra le aree degli emettitori e la R incognita si trova di conseguenza ci rimango male :roll: perché ho speso più di 2 ore per capire come risolvere il circuito supponendo incognite rapporti fra aree e almeno una resistenza. :lol:

Nota; al momento mi sto riferendo solo alla mea sopra del circuito. L’obiettivo sarebbe trovare R7 e il rapporto fra la area di emettitore di tale BJT con quello del ramo 3. (Note tutte le correnti e la resistenza del ramo 3)
Avatar utente
Foto UtenteElectroFranco
120 5
New entry
New entry
 
Messaggi: 67
Iscritto il: 17 mar 2021, 7:51


Torna a Elettronica generale

Chi c’è in linea

Visitano il forum: Nessuno e 49 ospiti