casa mia risale agli anni 80 insieme al suo impianto elettrico. Nel tempo ho sostituito il salvavita e ampliato visto che in seguito è stata costruita la veranda esterna ecc ecc.
il problema è che i tubi pur essendo numerosi, ormai sono pieni dato che è stato aggiunto in seguito l impianto di antintrusione (allarme) cablato. Per 30 anni ha funzionato tutto bene, ora il problema è che di tanto in tanto salta il salvavita (uno per tutto l impianto visto che non è stato possibile separare le zone), l ho sostituito pensando fosse difettoso ma il nuovo fa la stessa cosa. Parliamo di salvavita classici da Idn 0.003 da 18 euro Eaton, Siemens, BTicino. Il problema si verifica soprattutto nei giorni di maltempo anche se non piove.
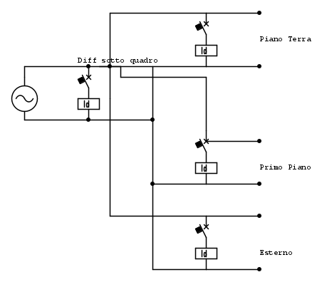
Da un lato temo che ci siano degli sbalzi di tensione (ma non dovrebbe saltare il salvavita), dall' altro vorrei settorializzare l impianto: piano terra, esterno, primo piano. ma non posso portare linee Fase-e-Neutro distinte e separate perché non ho spazio nei tubi. Ho provato a mettere un salvavita dopo l altro, ma in caso di corto circuito salta sempre quello più vicino al contatore (IL A MONTE), quindi in pratica non posso capire di preciso da dove proviene il corto circuito. E' normale che scatti il salvavita a monte? Mi spiego con uno schema: quando un carico va in corto, invece di saltare uno dei salvavita a destra salta sempre solo quello sotto quadro.
Come dicevo, non posso sezionare l impianto dato che Fase e Neutro sono stati presi "dove capita" per uscire fuori o per salire sopra.
La mia domanda è: è normale che salti così? se si, c è un modo per far saltare quello a valle (destra)?
Grazie a tutti per la pazienza

Elettrotecnica e non solo (admin)
Un gatto tra gli elettroni (IsidoroKZ)
Esperienza e simulazioni (g.schgor)
Moleskine di un idraulico (RenzoDF)
Il Blog di ElectroYou (webmaster)
Idee microcontrollate (TardoFreak)
PICcoli grandi PICMicro (Paolino)
Il blog elettrico di carloc (carloc)
DirtEYblooog (dirtydeeds)
Di tutto... un po' (jordan20)
AK47 (lillo)
Esperienze elettroniche (marco438)
Telecomunicazioni musicali (clavicordo)
Automazione ed Elettronica (gustavo)
Direttive per la sicurezza (ErnestoCappelletti)
EYnfo dall'Alaska (mir)
Apriamo il quadro! (attilio)
H7-25 (asdf)
Passione Elettrica (massimob)
Elettroni a spasso (guidob)
Bloguerra (guerra)






