salve a tutti,
dopo il restauro di una xr600 ho un problema con l'impianto elettrico, ma prima di smontarla funzionava tutto.
Cerco di chiarire:
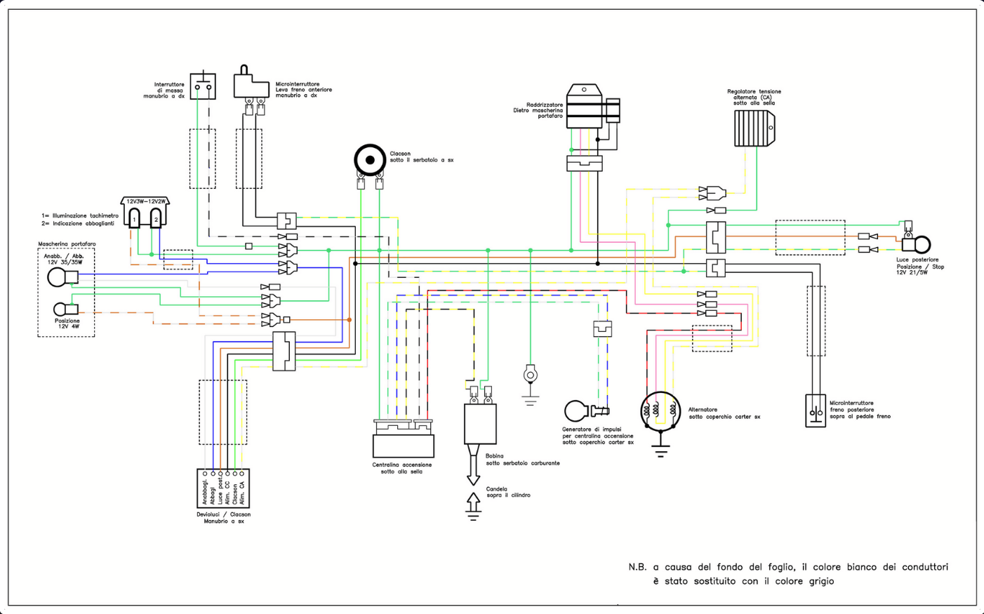
l'impianto honda in questione ha due diversi circuiti, uno in continua per clacson stop e posizioni (dovrebbero essere i fili rosa e giallo) ed uno in alternata che comanda le luci anabbaglianti e abbaglianti (filo bianco-giallo).
Clacson, stop e posizioni prendono la corrente dal raddrizzatore (accoppiato ad un condensatore) alimentato dal filo giallo e dal filo rosa quindi mentre le luci anteriori dal regolatore alimentato dal filo giallo-bianco.
Il verde è la massa.
Ora, come detto sopra, se collego i fili così come da schema (allegato), nero-rosso, rosa, giallo e bianco-giallo dello statore coi rispettivi colori posteriormente funzionano stop e posizione ma davanti non vanno né ana né abba, se inverto il giallo ed il giallo-bianco vanno le luci anteriori (strano) e poteriormente arriva una tensione bassa, infatti la lampada ad incandescenza non si accende mentre una led fa funzionare posizione e stop.
In ogni caso col collegamento da schema è strano che non arrivi corrente alle luci anteriori. Se fosse dunque il regolatore ad avere problemi le anteriori non dovrebbero andare nemmeno invertendo il giallo col bianco-giallo, visto che alimentano circuiti separati, o no?
Se notate al devioluci al manubrio arrivano due fili distinti, nero per continua e bianco giallo per alternata.
Qualcuno di buona volontà che mi aiuti a capire cosa non va? Test da fare?
grazie a tutti
Problema impianto elettrico moto
Moderatore:
Franco012
2 messaggi
• Pagina 1 di 1
0
voti
Ultima modifica di
Franco012 il 26 gen 2022, 1:39, modificato 1 volta in totale.
Motivazione: Spostato argomento da "Elettronica". Inserita immagine come allegato (vedi regolamento del Forum).
Motivazione: Spostato argomento da "Elettronica". Inserita immagine come allegato (vedi regolamento del Forum).
0
voti
Che io ricordi su quei tipi di impianti c'erano 3 avvolgimenti nel volano uno che forniva corrente alternata alla centralina d accensione ed altri due che fornivano corrente alternata a due regolatori raddrizzatori, che alimentavano rispettivamente ognuno una sua parte di impianto.
Però mi risulta che solo a centralina d accensione è alimentata in corrente alternata.
Però mi risulta che solo a centralina d accensione è alimentata in corrente alternata.
2 messaggi
• Pagina 1 di 1
Torna a Autovetture, motori endotermici ed elettronica relativa
Chi c’è in linea
Visitano il forum: Nessuno e 7 ospiti

Elettrotecnica e non solo (admin)
Un gatto tra gli elettroni (IsidoroKZ)
Esperienza e simulazioni (g.schgor)
Moleskine di un idraulico (RenzoDF)
Il Blog di ElectroYou (webmaster)
Idee microcontrollate (TardoFreak)
PICcoli grandi PICMicro (Paolino)
Il blog elettrico di carloc (carloc)
DirtEYblooog (dirtydeeds)
Di tutto... un po' (jordan20)
AK47 (lillo)
Esperienze elettroniche (marco438)
Telecomunicazioni musicali (clavicordo)
Automazione ed Elettronica (gustavo)
Direttive per la sicurezza (ErnestoCappelletti)
EYnfo dall'Alaska (mir)
Apriamo il quadro! (attilio)
H7-25 (asdf)
Passione Elettrica (massimob)
Elettroni a spasso (guidob)
Bloguerra (guerra)


