
Si può,alimentare un transistor con un onda sinusoidale
Moderatori:
carloc,
g.schgor,
BrunoValente,
IsidoroKZ
12 messaggi
• Pagina 1 di 2 • 1, 2
-1
voti
... cioè un singolo transistor con pochi componenti passivi,non so però se farlo in un range di qualche kHz o sui 5 MHz ? i transistor in AF (j_fet) invece devono essere alimentati con onda quadra o anche sinusoidale ? Per ora ho fatto la prova solo con componenti passivi, ma coi transistor,credo sia diverso e non so se un diodo potrebbe proteggere o no il generatore da eventuali ritorni di corrente...quali consigli? 

0
voti
Erasmos ha scritto:quali consigli?
1) Riscrivere da capo la domanda perché non ho capito nulla;
2) fare uno schema elettrico dando un nome ad ogni componente e citarlo nella domanda indicandolo con il nome.
-1
voti
ciao,ecco il circuito,può essere alimentato dal generatore soltanto o e meglio dargli un alimentatore a parte ?
- Allegati
-
- AEDCE8AF-C7A3-42E7-B475-920E76AECCF8.png (49.7 KiB) Osservato 7570 volte
1
voti
Lo schema lo avresti dovuto fare con fidocadj e mancano i nomi dei componenti. Come li chiamo?
Vabbé proviamo a capirci, ma rischiamo di fare casino. Sei fortemente invitato a rifare lo schema
Continuo a non capire. Che tipo di generatore? Dal titolo dici sinusoidale, nello schema è indicato una batteria, quindi continua.
Lo schema che hai messo è di un semplice multivibratore astabile, quindi non ho capito dove vorresti mettere la sinusoidale e perché.
Vabbé proviamo a capirci, ma rischiamo di fare casino. Sei fortemente invitato a rifare lo schema
Erasmos ha scritto:può essere alimentato dal generatore soltanto o e meglio dargli un alimentatore a parte ?
Continuo a non capire. Che tipo di generatore? Dal titolo dici sinusoidale, nello schema è indicato una batteria, quindi continua.
Lo schema che hai messo è di un semplice multivibratore astabile, quindi non ho capito dove vorresti mettere la sinusoidale e perché.
3
voti
Mi ero riproposto di non perdere piu tempo con i messaggi di
Erasmos, fino a quando non si sarebbe degnato di rispettare le regole del forum ed a perdere lui per primo un minuto in piu per scrivere le sue richieste fornendo spiegazioni il piu chiare possibili.
Detto cio, e dal momento che anche questa discussione mi sembra partita in pieno stile
Erasmos, posso solo aggiungere che per quel poco che ci capisco io, al circuito in oggetto, mi pare sia gia stato dato un alimentatore a parte, per l' esattezza da 3 Vdc.
Detto cio, e dal momento che anche questa discussione mi sembra partita in pieno stile
3
voti
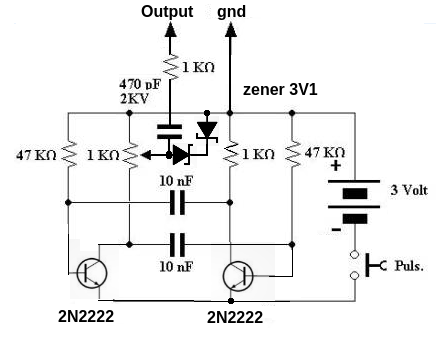
A me piace il condensatore da 470 pF 2 kV, è vero che l'isolamento del condensatore non è influente sul funzionamento, ma perché da 2 kV ???
Alex
https://www.facebook.com/Elettronicaeelettrotecnica
<< vedi di pigliare arditamente in mano, il dizionario che ti suona in bocca,
se non altro è schietto e paesano.
(Giuseppe Giusti) <<
https://www.facebook.com/Elettronicaeelettrotecnica
<< vedi di pigliare arditamente in mano, il dizionario che ti suona in bocca,
se non altro è schietto e paesano.
(Giuseppe Giusti) <<
2
voti
setteali ha scritto:A me piace il condensatore da 470 pF 2 kV
A me piacciono di più i due zener in antiserie.
Comunque io consiglio all’OP un corso di yoga e riorganizzazione interiore.
Il percorso consigliato è questo:
1. Ti attieni a TUTTE le regole del forum;
2. Invii delle richieste ben spiegate, ragionevoli e dettagliate su cosa vuoi fare oppure ottenere oppure capire, cercando di immedesimarti in chi legge, che non può sapere cosa frulla nella tua testa;
3. Citi le fonti di schemi, articoli o altro;
4. Ti attieni alle richieste di chi vuole aiutarti;
5. Rispondi a TUTTE le domande che ti vengono poste con ordine.
Pietro
-

PietroBaima
90,7k 7 12 13 - G.Master EY

- Messaggi: 12206
- Iscritto il: 12 ago 2012, 1:20
- Località: Londra
0
voti
setteali ha scritto:ma perché da 2 kV ???
A quanto sembra è un iniettore di segnali potenzialmente collegabile ovunque alla membrum, e a questo servono anche i due zener di protezione in antiserie.
Una domanda ben posta è già mezza risposta.
0
voti
djnz ha scritto:setteali ha scritto:ma perché da 2 kV ???
A quanto sembra è un iniettore di segnali potenzialmente collegabile ovunque alla membrum, e a questo servono anche i due zener di protezione in antiserie.
ciao,esatto ! è vero che lo schema non è attinente al titolo ma non avendo modo di mandare la foto che ho preso dal mio “Libro” ho mandato questo circuito che mi ha dato un mio amico via Bluetooth;le mie scuse per questo disguido,comunque dr gremì ok...rimanderò lo schema quando avrò ripristinato il PC,devo dire che è frustrante anche per me chiedere consigli e non poter essere chiaro senza l’aiuto di uno schema ma visto ormai che ho mandato quest’altro vorrei approfittare per chiedervi un parere : questo “iniettore di segnali” funziona anche in RF, cioe’ zona oscillatore locale di una radio o va solo in bf ma non a livello di un generatore di segnali ?!
12 messaggi
• Pagina 1 di 2 • 1, 2
Chi c’è in linea
Visitano il forum: Nessuno e 32 ospiti

Elettrotecnica e non solo (admin)
Un gatto tra gli elettroni (IsidoroKZ)
Esperienza e simulazioni (g.schgor)
Moleskine di un idraulico (RenzoDF)
Il Blog di ElectroYou (webmaster)
Idee microcontrollate (TardoFreak)
PICcoli grandi PICMicro (Paolino)
Il blog elettrico di carloc (carloc)
DirtEYblooog (dirtydeeds)
Di tutto... un po' (jordan20)
AK47 (lillo)
Esperienze elettroniche (marco438)
Telecomunicazioni musicali (clavicordo)
Automazione ed Elettronica (gustavo)
Direttive per la sicurezza (ErnestoCappelletti)
EYnfo dall'Alaska (mir)
Apriamo il quadro! (attilio)
H7-25 (asdf)
Passione Elettrica (massimob)
Elettroni a spasso (guidob)
Bloguerra (guerra)







pigreco]=π