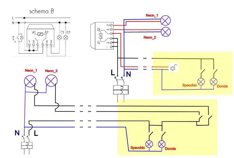
Salve, ho alcune domande da porre sulla modifica di un impianto luci formato da due neon centro stanza, una luce per specchio ed una luce box doccia. L'interruttore è molto distante dal magnetotermico della linea luce pertanto converrebbe realizzare un collegamento con relè commutatore invece dei singoli interruttori per pilotare i neon in modo da avere una cordina in meno. Tuttavia dicono che i relè commutatori non conviene farli lavorare con i neon per questo motivo ho pensato ad installare gli interruttori singoli per i due neon secondo lo schema che ho predisposto. Le domande che pongo sono le seguenti:
1. Se lo scema proposto è corretto
2. Il Neutro deve per forza fare lo stesso percorso con la fase, ovvero passare nella scatola dove è presente l'interruttore?
3. il colore della cordina che arriva all'interruttore deve essere diverso rispetto al tratto che va dall'interruttore all'utilizzatore (neon)?
Grazie
Schema luci
Moderatori:
sebago,
MASSIMO-G,
lillo,
Mike
3 messaggi
• Pagina 1 di 1
0
voti
[2] Re: Schema luci
1)
Lo schema in basso è uno dei più semplici :
(4 Interruttori che comandano 1 Lampada ciascuno)
- Era riuscito a sbagliarlo un mio collega che, con il pretesto della "par condicio",
voleva portare a metà Lampade il Neutro e alle altre la Fase.
Dopo qualche ora sono riuscito a convincerlo che il Neutro va a tutte le Lampade
e la Fase agli Interruttori !
2)più che altro è meglio partire dalla stessa Scatola di Derivazione.
Così avremo in ogni Corrugato :
Fase e Neutro ; Fase e Ritorno Lampada ; Ritorno Lampada e Neutro.
Cercando di evitare percorsi ad "Anello" che causano interferenze elettromagnetiche.
3)Usando un colore per la Fase ed uno per i Ritorni si evitano errori.
- In un appartamento trovai il Pulsante a tirante della doccia che funzionava "quando
gli pareva".
Infatti non prendeva la Fase, ma un Ritorno che era dello stesso colore.
Buona notte !
Lo schema in basso è uno dei più semplici :
(4 Interruttori che comandano 1 Lampada ciascuno)
- Era riuscito a sbagliarlo un mio collega che, con il pretesto della "par condicio",
voleva portare a metà Lampade il Neutro e alle altre la Fase.
Dopo qualche ora sono riuscito a convincerlo che il Neutro va a tutte le Lampade
e la Fase agli Interruttori !
2)più che altro è meglio partire dalla stessa Scatola di Derivazione.
Così avremo in ogni Corrugato :
Fase e Neutro ; Fase e Ritorno Lampada ; Ritorno Lampada e Neutro.
Cercando di evitare percorsi ad "Anello" che causano interferenze elettromagnetiche.
3)Usando un colore per la Fase ed uno per i Ritorni si evitano errori.
- In un appartamento trovai il Pulsante a tirante della doccia che funzionava "quando
gli pareva".
Infatti non prendeva la Fase, ma un Ritorno che era dello stesso colore.
Buona notte !
3 messaggi
• Pagina 1 di 1
Torna a Impianti, sicurezza e quadristica
Chi c’è in linea
Visitano il forum: Nessuno e 162 ospiti

Elettrotecnica e non solo (admin)
Un gatto tra gli elettroni (IsidoroKZ)
Esperienza e simulazioni (g.schgor)
Moleskine di un idraulico (RenzoDF)
Il Blog di ElectroYou (webmaster)
Idee microcontrollate (TardoFreak)
PICcoli grandi PICMicro (Paolino)
Il blog elettrico di carloc (carloc)
DirtEYblooog (dirtydeeds)
Di tutto... un po' (jordan20)
AK47 (lillo)
Esperienze elettroniche (marco438)
Telecomunicazioni musicali (clavicordo)
Automazione ed Elettronica (gustavo)
Direttive per la sicurezza (ErnestoCappelletti)
EYnfo dall'Alaska (mir)
Apriamo il quadro! (attilio)
H7-25 (asdf)
Passione Elettrica (massimob)
Elettroni a spasso (guidob)
Bloguerra (guerra)



