Ciao,
devo installare un aspiratore in una stanza seminterrata (in realtà solo da un lato) con dei muri belli grossi (1,5m circa).
La stanza diventa abbastanza umida d'estate, ci dovrò posizionare il mio studio con scrivania ecc...
L'aspiratore mi servirà per eliminare l'umidità e il fumo azionandolo con interruttore.
La stanza è 50-60mq circa.
Stavo pensando un VORT QUADRO vortice.
In particolare guardavo MICRO 100 T HCS che come portata ha 90m3/h e di interessante ha il sensore di umidità, anche se non ho capito se si può bypassare o meno (cioè a interruttore acceso lui va solo se supera la soglia impostata o si può forzare in qualche modo?)
Poi c'è il MEDIO T con 120m3/h di portata massima e il SUPER T con 280m3/h che forse è esagerato.
Cosa mi consigliate?
Aiuto scelta aspiratore
Moderatori:
sebago,
MASSIMO-G,
lillo,
Mike
30 messaggi
• Pagina 1 di 3 • 1, 2, 3
0
voti
Ciao,
non sono un esperto ma secondo me indicativamente ci sei già con il modello MICRO 100 T HCS. Se guardi questa guida tecnica a pagina 406 viene indicato come calcolare il ricambio d'aria. Mi sembra di capire che nel tuo caso, come portata, dovresti stare sugli 11litri/s che equivalgono a circa 40m3/h per ogni persona presente nella stanza.
Per quel che riguarda il sensore di umiditànon credo si possa bypassare senza manomettere la scheda ma è un'opzione presente soltanto nel modello HCS. Se non ti serve puoi prendere la versione senza sensore ovvero il MICRO 100 I oppure il MICRO 100 I T (che ha il timer integrato). Tutti i modelli li trovi qui iscrivendosi al sito fa scaricare anche i manuali dove si dovrebbero trovare le istruzioni per l'installazione.
P.S.
Mi correggo: immagino che il ventilatore si possa accendere anche bypassando il sensore di umidità, avrebbe poco senso non prevedere il funzionamento forzato. Probabilmente la scheda gestisce l'umidità in automatico ma tramite un interruttore è comunque possibile accendere l'apparecchio. Magari prima di acquistarlo scarica il manuale o chiama il centro assistenza per verificare che le cose stiano relamente così.
non sono un esperto ma secondo me indicativamente ci sei già con il modello MICRO 100 T HCS. Se guardi questa guida tecnica a pagina 406 viene indicato come calcolare il ricambio d'aria. Mi sembra di capire che nel tuo caso, come portata, dovresti stare sugli 11litri/s che equivalgono a circa 40m3/h per ogni persona presente nella stanza.
Per quel che riguarda il sensore di umidità
P.S.
Mi correggo: immagino che il ventilatore si possa accendere anche bypassando il sensore di umidità, avrebbe poco senso non prevedere il funzionamento forzato. Probabilmente la scheda gestisce l'umidità in automatico ma tramite un interruttore è comunque possibile accendere l'apparecchio. Magari prima di acquistarlo scarica il manuale o chiama il centro assistenza per verificare che le cose stiano relamente così.
0
voti
davidde ha scritto:Ciao,non sono un esperto ma ..
Grazie mi incuriosiva la tabella dove riporta le aree fumatori che hanno dei valori più alti.
Però dice edifici non residenziali

davidde ha scritto: Mi correggo: immagino che il ventilatore si possa accendere anche bypassando i..
Sembrerebbe di si, questo recita il manuale.
Il prodotto è ..
Magari provo a chiedere conferma direttamente a loro
Ultima modifica di
mir il 8 lug 2022, 12:12, modificato 1 volta in totale.
Motivazione: Eliminato quote inutile
Motivazione: Eliminato quote inutile
0
voti
kiltro ha scritto: [...] ci dovrò posizionare il mio studio con scrivania ecc...
Se il ventilatore dovrà funzionare in maniera continuativa durante la permanenza nel locale, tieni presente che a lungo andare il rumore generato può diventare molto fastidioso. Se lo scarico dell'aria avviene direttamente nell'ambiente esterno (quindi senza dover essere forzato in tubazioni) non serve una grande potenza (sempre che ci sia un adeguato punto di punto di aspirazione dell'aria in ingresso), ed è meglio, secondo me, orientarsi su aspiratori di grande diametro (possibilmente anche regolabili in potenza) che, a parità di volume d'aria spostato, girano a velocità inferiori e producono pertanto meno rumore.
Big fan of ⋮ƎlectroYou
0
voti
Franco012 ha scritto:Se il ventilatore dovrà funzionare in maniera continuativa ..
Intanto grazie per la risposta.
Dunque, no non dovrà funzionare in maniera continuativa ma "al bisogno" (nel senso se se sento molta umidità, se qualcuno fuma ecc.)
Il muro con la tubazione sarà 1,5m ma la tubazione fa una curva (una S) abbastanza stretta.
Quindi tu diresti, conviene orientarsi sul modello più grande (super T) e farlo girare a velocità bassa?
Ultima modifica di
mir il 8 lug 2022, 12:13, modificato 1 volta in totale.
Motivazione: Eliminato quote inutile
Motivazione: Eliminato quote inutile
0
voti
kiltro ha scritto: conviene orientarsi sul modello più grande (super T) e farlo girare a velocità bassa?
Il mio consiglio era riferito alla possibilità di utilizzare un ventilatore con diametro più grande, caratteristica presente sui ventilatori di tipo elicoidale. Poiché in questo caso ti serve un ventilatore centrifugo (per poter "spingere" l'aria nella canalizzazione), il discorso è diverso, in quanto il diametro negli aspiratori centrifughi è solitamente di 100 mm (solo qualche modello arriva a 120 mm).
Secondo me, nel tuo caso potrebbe bastare il Vortice Quadro Super, abbinato al regolatore di potenza Vortice codice 12803 (previsto in origine per il ventilatori a soffitto). Avresti così a disposizione 5 diverse velocità, ed utilizzare l'aspiratore nella modalità che preferisci (al minimo per periodi relativamente lunghi, al massimo per un rapido ricambio dell'aria).
Naturalmente vale sempre il discorso che nella stanza ci deve essere un'apertura di dimensioni adeguate (possibilmente dal lato opposto a quello in cui viene installato l'aspiratore) per permettere l'ingresso dell'aria "nuova", evitando che si vengano a creare nel locale depressioni che diminuirebbero drasticamente la portata effettiva del sistema di ricambio dell'aria.
Big fan of ⋮ƎlectroYou
0
voti
Franco012 ha scritto: Avresti così a disposizione 5 diverse velocità
5 Velocità mi sembrano inutili, e se non ho capito male potrei usare un semplice deviatore per avere velocità minima e velocità massima?
Ultima modifica di
Franco012 il 21 giu 2022, 18:46, modificato 1 volta in totale.
Motivazione: Ridotta inutile citazione integrale. Eliminato link a server esterno.
Motivazione: Ridotta inutile citazione integrale. Eliminato link a server esterno.
0
voti
kiltro ha scritto: se non ho capito male potrei usare un semplice deviatore per avere velocità minima e velocità massima?
Sì, l'aspiratore è già predisposto per funzionare con due diverse velocità, selezionabili tramite un semplice deviatore, come da schema.
Big fan of ⋮ƎlectroYou
0
voti
Se acquisto la versione inglese dovrebbe andare lo stesso no?
https://www.vortice.ltd.uk/wp-content/uploads/2017/03/12221-Technical-Data-Sheet.pdf
https://www.vortice.ltd.uk/wp-content/uploads/2017/03/12221-Technical-Data-Sheet.pdf
Ultima modifica di
mir il 8 lug 2022, 12:13, modificato 1 volta in totale.
Motivazione: Eliminato quote inutile
Motivazione: Eliminato quote inutile
0
voti
Altro quesito

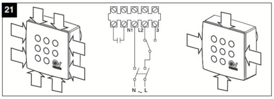
Stavo pensando invece di usare un interruttore e un deviatore (ho pochi spazi frutti disponibili) di usare un pulsante e un relé commutatore
https://www.vimar.com/it/it/catalog/pro ... code/20108
https://www.vimar.com/it/it/catalog/pro ... code/03993
Lo schema diventerebbe

Posso avere dei problemi se (come nello schema sopra) al relè gli faccio comandare la fase invece del neutro?
Altra cosa, se non uso il timer posso risparmiarmi uno dei 4 fili da portare all'aspiratore?

Stavo pensando invece di usare un interruttore e un deviatore (ho pochi spazi frutti disponibili) di usare un pulsante e un relé commutatore
https://www.vimar.com/it/it/catalog/pro ... code/20108
https://www.vimar.com/it/it/catalog/pro ... code/03993
Lo schema diventerebbe

Posso avere dei problemi se (come nello schema sopra) al relè gli faccio comandare la fase invece del neutro?
Altra cosa, se non uso il timer posso risparmiarmi uno dei 4 fili da portare all'aspiratore?
30 messaggi
• Pagina 1 di 3 • 1, 2, 3
Torna a Impianti, sicurezza e quadristica
Chi c’è in linea
Visitano il forum: Nessuno e 141 ospiti

Elettrotecnica e non solo (admin)
Un gatto tra gli elettroni (IsidoroKZ)
Esperienza e simulazioni (g.schgor)
Moleskine di un idraulico (RenzoDF)
Il Blog di ElectroYou (webmaster)
Idee microcontrollate (TardoFreak)
PICcoli grandi PICMicro (Paolino)
Il blog elettrico di carloc (carloc)
DirtEYblooog (dirtydeeds)
Di tutto... un po' (jordan20)
AK47 (lillo)
Esperienze elettroniche (marco438)
Telecomunicazioni musicali (clavicordo)
Automazione ed Elettronica (gustavo)
Direttive per la sicurezza (ErnestoCappelletti)
EYnfo dall'Alaska (mir)
Apriamo il quadro! (attilio)
H7-25 (asdf)
Passione Elettrica (massimob)
Elettroni a spasso (guidob)
Bloguerra (guerra)



