Salve,vorrei che qualcuno mi aiutasse a risolvere il seguente filtro passa alto con op amp
Essendo i due condensatori interagenti come faccio a calcolare ,per ispezione,i poli senza calcolare la funzione di trasferimento?
Grazie
Filtro passa alto con operazionale
Moderatori:
carloc,
g.schgor,
BrunoValente,
IsidoroKZ
26 messaggi
• Pagina 1 di 3 • 1, 2, 3
0
voti
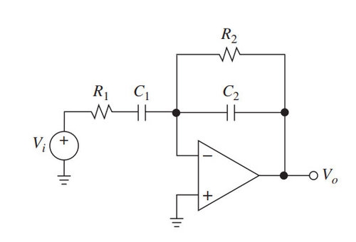
Se la f fosse nulla C1 sarebbe aperto, per cui Vo sarebbe nulla.
Se la f fosse infinita C2 sarebbe un corto, per cui Vo sarebbe nulla.
Il filtro è quindi un passa banda.
Nel centro banda C1 deve essere già un corto e C2 ancora aperto, quindi.
Per cui in centro banda
Scendendo in frequenza deve quindi dominare C1 che tende "ad aprirsi", mentre C2 è già "aperto".
La frequenza di taglio inferiore è quindi data dal polo R1 C1
Salendo in frequenza, C1 sarà "chiuso" da molto tempo ormai, quando anche C2 tenderà a chiudersi, per cui la frequenza di taglio superiore sarà data dal polo R2 C2.
Se non mi sbaglio
Se la f fosse infinita C2 sarebbe un corto, per cui Vo sarebbe nulla.
Il filtro è quindi un passa banda.
Nel centro banda C1 deve essere già un corto e C2 ancora aperto, quindi.
Per cui in centro banda

Scendendo in frequenza deve quindi dominare C1 che tende "ad aprirsi", mentre C2 è già "aperto".
La frequenza di taglio inferiore è quindi data dal polo R1 C1
Salendo in frequenza, C1 sarà "chiuso" da molto tempo ormai, quando anche C2 tenderà a chiudersi, per cui la frequenza di taglio superiore sarà data dal polo R2 C2.
Se non mi sbaglio
-

PietroBaima
90,7k 7 12 13 - G.Master EY

- Messaggi: 12206
- Iscritto il: 12 ago 2012, 1:20
- Località: Londra
0
voti
Non sono interagenti perché la resistenza vista da C1 è sempre la stessa indipendentemente se C2 è chiuso o aperto vero?
-

Roswell1947
89 1 3 8 - Stabilizzato

- Messaggi: 438
- Iscritto il: 10 feb 2020, 16:39
2
voti

Ultima modifica di
PietroBaima il 30 giu 2022, 8:02, modificato 2 volte in totale.
Motivazione: corretto errore
Motivazione: corretto errore
-

PietroBaima
90,7k 7 12 13 - G.Master EY

- Messaggi: 12206
- Iscritto il: 12 ago 2012, 1:20
- Località: Londra
0
voti
In maniera meno formale il pin invertente si trova allo stesso potenziale del pin non invertente (zero volt), quindi C1 "crede" di essere sempre collegato a zero volt.
Una domanda ben posta è già mezza risposta.
2
voti
PietroBaima ha scritto:
Per cui in centro banda
Si puo` anche fare in modo che a centro banda il guadagno sia -C1/C2
Per usare proficuamente un simulatore, bisogna sapere molta più elettronica di lui
Plug it in - it works better!
Il 555 sta all'elettronica come Arduino all'informatica! (entrambi loro malgrado)
Se volete risposte rispondete a tutte le mie domande
Plug it in - it works better!
Il 555 sta all'elettronica come Arduino all'informatica! (entrambi loro malgrado)
Se volete risposte rispondete a tutte le mie domande
0
voti
IsidoroKZ ha scritto:PietroBaima ha scritto:
Per cui in centro banda
Si puo` anche fare in modo che a centro banda il guadagno sia -C1/C2
Come?giusto per curiosità
-

Roswell1947
89 1 3 8 - Stabilizzato

- Messaggi: 438
- Iscritto il: 10 feb 2020, 16:39
0
voti
Basta mettere il polo di R2C2 a frequenza piu` bassa di quello di R1C1.
Per usare proficuamente un simulatore, bisogna sapere molta più elettronica di lui
Plug it in - it works better!
Il 555 sta all'elettronica come Arduino all'informatica! (entrambi loro malgrado)
Se volete risposte rispondete a tutte le mie domande
Plug it in - it works better!
Il 555 sta all'elettronica come Arduino all'informatica! (entrambi loro malgrado)
Se volete risposte rispondete a tutte le mie domande
0
voti
IsidoroKZ ha scritto:Basta mettere il polo di R2C2 a frequenza piu` bassa di quello di R1C1.
ok..ma come mai in questo caso a centro banda l'amplificazione verrebbe -C2/C1?
-

Roswell1947
89 1 3 8 - Stabilizzato

- Messaggi: 438
- Iscritto il: 10 feb 2020, 16:39
26 messaggi
• Pagina 1 di 3 • 1, 2, 3
Chi c’è in linea
Visitano il forum: Nessuno e 99 ospiti

Elettrotecnica e non solo (admin)
Un gatto tra gli elettroni (IsidoroKZ)
Esperienza e simulazioni (g.schgor)
Moleskine di un idraulico (RenzoDF)
Il Blog di ElectroYou (webmaster)
Idee microcontrollate (TardoFreak)
PICcoli grandi PICMicro (Paolino)
Il blog elettrico di carloc (carloc)
DirtEYblooog (dirtydeeds)
Di tutto... un po' (jordan20)
AK47 (lillo)
Esperienze elettroniche (marco438)
Telecomunicazioni musicali (clavicordo)
Automazione ed Elettronica (gustavo)
Direttive per la sicurezza (ErnestoCappelletti)
EYnfo dall'Alaska (mir)
Apriamo il quadro! (attilio)
H7-25 (asdf)
Passione Elettrica (massimob)
Elettroni a spasso (guidob)
Bloguerra (guerra)

pigreco]=π

