Premessa:
Ho un circuito di irrigazione (mio progetto) attaccato a una batteria da auto con ricarica solare. Sono tre anni che lavora senza prb. A fine stagione (anno scorso) ho cambiato la batteria.
Quest'anno ho riacceso il tutto e dopo circa 1 settimana si sono bruciati i transistor.
Io il
Dati:
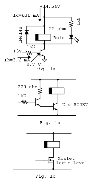
Vbat = 14,54 V
Rrele = 22 Ohm (misurata con multimetro - stò cercando i dati di targa)
BC337 (NPN) -> Ic,max = 800 mA
Ic,calcolata = 661 mA
Il circuito è il seguente:
Prima domanda: in teoria come corrente rientro nel massimo, ma non ho idea di come si comporti il transitorio. Che margine è consigliato tenere (Ic) ?
Ho pensato a queste soluzioni:
1) (la preferita): aggiungere due resistenze da 4,7 Ohm (5 W) in serie al rele per diminuire la corrente circolate (circa 463 mA). La tensione sulla bobina del rele sarebbe circa 10V. Apertura da verificare...
Preferita perché potrei utilizzare (temporaneamente) una delle uscite mai usate e quindi funzionante aggiungendo in serie al filo del rele le resistenze.
2) mettere un secondo transistor BC337 in parallelo al primo, ma dovrei mettere anche una resistenza sull' emettitore di circa il 70% della corrente max (560 mA - R = 26 Ohm / 8 Watt).
In questo caso, considerando che rimane acceso max 1 minuto, è necessario compensare per HFE e temperatura ?
3) (seconda preferenza) sostituire il BC337 con un BD 537 da 8A.
Seconda preferenza perché se nella 2 devo mettere anche le R, il circuito si complica troppo.
4) Rele "meno potente" che mi comanda il rele principale. (No: troppo ingombrante)
5) altre soluzioni ?
Grazie

Elettrotecnica e non solo (admin)
Un gatto tra gli elettroni (IsidoroKZ)
Esperienza e simulazioni (g.schgor)
Moleskine di un idraulico (RenzoDF)
Il Blog di ElectroYou (webmaster)
Idee microcontrollate (TardoFreak)
PICcoli grandi PICMicro (Paolino)
Il blog elettrico di carloc (carloc)
DirtEYblooog (dirtydeeds)
Di tutto... un po' (jordan20)
AK47 (lillo)
Esperienze elettroniche (marco438)
Telecomunicazioni musicali (clavicordo)
Automazione ed Elettronica (gustavo)
Direttive per la sicurezza (ErnestoCappelletti)
EYnfo dall'Alaska (mir)
Apriamo il quadro! (attilio)
H7-25 (asdf)
Passione Elettrica (massimob)
Elettroni a spasso (guidob)
Bloguerra (guerra)












