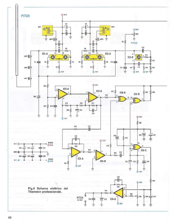
Buongiorno, da appassionato strimpellatore di lungo corso, sono rimasto folgorato quando ho trovato sulla rivista Nuova Elettronica N. 247 (Anno 43) il progetto (all'epoca, il kit) per costruire un Theremin funzionante.
Allego alcuni estratti della rivista, spero di non violare copyright, ma è necessario per potervi porre la mia domanda.
Partendo dal presupposto che:
- il kit presumo sia ormai irreperibile
- scatola in legno e antenne in metallo non avrei problemi a costruirmele
- alcuni componenti siano andati fuori mercato, e quindi sono da sostituire con altri disponibili al giorno d'oggi (compatibilità piedini e piste)
- dovrò vedere come realizzare il circuito stampato (usare una scheda mille fori è da suicidio?)
vi chiedo: è possibile costruire oggi il theremin proposto nella rivista?
E' da suicidio? Stimate costi dei soli componenti nell'ordine dei €????
Fattibilità attuale Theremin Nuova Elettronica N. 247
1
voti
Io, anni fa, montai il Kit LX 1665 (rivista n. 229 pag. 26)
Prima di quello ne avevo montato un altro ma non si trattava di un Kit di NE
In ogni caso il risultato fu soddisfacente per entrambe i modelli
Se mai te ne pungesse vaghezza ..... The 126 Theremin
https://www.theremin.us
o anche
https://www.leradiodisophie.it/Download/prodigi_e_misteri_delle_radio.pdf
https://www.leradiodisophie.it/Downloads/Theremin-02.pdf
K
Prima di quello ne avevo montato un altro ma non si trattava di un Kit di NE
In ogni caso il risultato fu soddisfacente per entrambe i modelli
Se mai te ne pungesse vaghezza ..... The 126 Theremin
https://www.theremin.us
o anche
https://www.leradiodisophie.it/Download/prodigi_e_misteri_delle_radio.pdf
https://www.leradiodisophie.it/Downloads/Theremin-02.pdf
K
-

Kagliostro
6.396 4 5 7 - Master

- Messaggi: 4827
- Iscritto il: 19 set 2012, 11:32
0
voti
Un po' si...
Al primo link che hai messo mi sembra vendano kit per Theremin. Puoi consigliarmi? Guardando velocemente, mi sembra che forniscano il circuito ma non le antenne ed il contenitore. Manca altro?
Puoi essere più esplicito, se ne hai possibilità?
Al primo link che hai messo mi sembra vendano kit per Theremin. Puoi consigliarmi? Guardando velocemente, mi sembra che forniscano il circuito ma non le antenne ed il contenitore. Manca altro?
Puoi essere più esplicito, se ne hai possibilità?
0
voti
Quello che viene venduto in kit è un Theremin con componenti allo Stato Solido
io avevo cominciato a raccogliere i componenti per costruire questo
https://www.leradiodisophie.it/Download/prodigi_e_misteri_delle_radio.pdf
e, mi pare, che il componente più ostico da trovare sia il filtro ceramico a 3 pin da 455Hz
ma poi ho lasciato
Qualcosa lo trovi anche su Amazon (parlando di kit)
K
io avevo cominciato a raccogliere i componenti per costruire questo
https://www.leradiodisophie.it/Download/prodigi_e_misteri_delle_radio.pdf
e, mi pare, che il componente più ostico da trovare sia il filtro ceramico a 3 pin da 455Hz
ma poi ho lasciato
Qualcosa lo trovi anche su Amazon (parlando di kit)
K
-

Kagliostro
6.396 4 5 7 - Master

- Messaggi: 4827
- Iscritto il: 19 set 2012, 11:32
0
voti
Che differenza c'è tra uno con componenti allo stato solido e non? Come reperibilità, fattibilità o altro? Non me ne intendo. Mi consigli uno o l'altro?
In relazione ai kit, se uno "del mestiere" o magari per esperienza diretta potesse consigliarmene uno, sarei più tranquillo.
Non vorrei acquistare qualcosa che non può funzionare (leggo che molti kit di elettronica sono di fatto dei bidoni, perché progettati male e quasi impossibili da far funzionare), o scoprire che per completare il kit devo SOLO trovare un condensatore in adamantio, che loro casualmente non forniscono, e quindi buttare tutto.
In relazione ai kit, se uno "del mestiere" o magari per esperienza diretta potesse consigliarmene uno, sarei più tranquillo.
Non vorrei acquistare qualcosa che non può funzionare (leggo che molti kit di elettronica sono di fatto dei bidoni, perché progettati male e quasi impossibili da far funzionare), o scoprire che per completare il kit devo SOLO trovare un condensatore in adamantio, che loro casualmente non forniscono, e quindi buttare tutto.
0
voti
Purtroppo io non suono, i theremin che ho montato sono stati regalati ed il feedback positivo mi è arrivato da chi li ha ricevuti
Forse qualcun altro qui sul forum
K
Forse qualcun altro qui sul forum
K
-

Kagliostro
6.396 4 5 7 - Master

- Messaggi: 4827
- Iscritto il: 19 set 2012, 11:32
0
voti
Ci sono letteralmente decine di schemi (una trentina di anni fa, per divertimento piu che altro, ne assemblai uno a valvole per un amico che suonava), quello di NE era abbastanza complesso, anche perche' prevedeva sezioni che potrebbero anche essere eliminate (i convertitori per pilotarci un'interfaccia midi esterna, ad esempio, se non interessa poterla aggiungere si possono eliminare), anche lo stadio di phasing (la catena di sei operazionali con i fet, e' un classico schema per phaser), se non interessa si puo eliminare, se invece interessa si puo realizzare, o ridurre a 4 operazionali, o sostituire con altri effetti, dal classico "fuzz" col paio di transistor al flanger, al chorus, (o se uno volesse esagerare e riuscisse a trovare ancora un TAS3103 della Texas, sostituire con un completo assemble di effetti digitali
)
Non c'e' che l'imbarazzo della scelta
Non c'e' che l'imbarazzo della scelta
"Sopravvivere" e' attualmente l'unico lusso che la maggior parte dei Cittadini italiani,
sia pure a costo di enormi sacrifici, riesce ancora a permettersi.
sia pure a costo di enormi sacrifici, riesce ancora a permettersi.
-

Etemenanki
9.507 3 6 10 - Master

- Messaggi: 5935
- Iscritto il: 2 apr 2021, 23:42
- Località: Dalle parti di un grande lago ... :)
Torna a Costruzione, riparazione, riutilizzo
Chi c’è in linea
Visitano il forum: Nessuno e 9 ospiti

Elettrotecnica e non solo (admin)
Un gatto tra gli elettroni (IsidoroKZ)
Esperienza e simulazioni (g.schgor)
Moleskine di un idraulico (RenzoDF)
Il Blog di ElectroYou (webmaster)
Idee microcontrollate (TardoFreak)
PICcoli grandi PICMicro (Paolino)
Il blog elettrico di carloc (carloc)
DirtEYblooog (dirtydeeds)
Di tutto... un po' (jordan20)
AK47 (lillo)
Esperienze elettroniche (marco438)
Telecomunicazioni musicali (clavicordo)
Automazione ed Elettronica (gustavo)
Direttive per la sicurezza (ErnestoCappelletti)
EYnfo dall'Alaska (mir)
Apriamo il quadro! (attilio)
H7-25 (asdf)
Passione Elettrica (massimob)
Elettroni a spasso (guidob)
Bloguerra (guerra)
