Salve buon giorno e buon anno amici del forum.
Nel mio impianto, no piace il controllo del mio INVERTER. Ho provato ad utilizzare lo schelly em con due pinze amperometriche, ma idem e sono passato al control IAMMETER WEM3080T.
Qualcuno di voi lo conosce?
Secondo voi è corretto impostare le pinze amperometriche in questo modo.
Grarie
Come impostare pinze amperometriche su Iammeter WEM3080T?
Moderatori:
sebago,
MASSIMO-G,
lillo,
Mike
12 messaggi
• Pagina 1 di 2 • 1, 2
0
voti
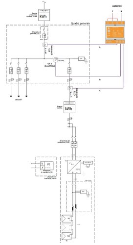
lagose ha scritto:Secondo voi è corretto impostare le pinze amperometriche in questo modo.
SI, Considerando che lo hai preso dal sito del produttore, cosa ti fa pensare che sia sbagliato ?
Non conosco il prodotto in questione, ma qua stiamo mettendo in dubbio le "indicazioni/istruzioni" del produttore

0
voti
Giusta domanda, perché mi è venuto il dubbio della corretta installazione?
Ho cambiato il verso della pinza CT1 e il verso della pinza CT3.
Sul sito e sull'app mi segna dei valori errati.
Ho cambiato il verso della pinza CT1 e il verso della pinza CT3.
Sul sito e sull'app mi segna dei valori errati.
0
voti
Ripeto:Non conosco l'apparecchio nello specifico
Ma prima di fare di testa mia ("giro le pinze", che sono direzionali) controllo 100 volte i cablaggi.
Prima controllo i cablaggi, poi scrivo al produttore. Magari sei fortunato è qualcuno ha il tuo stesso impianto altrimenti trovi solo risposte circostanziali.
Cosa intendi con valori errati ? Rispetto a cosa ? ad una pinza amperometrica ? i Rapporti TA sono impostati giusti ?
Ma prima di fare di testa mia ("giro le pinze", che sono direzionali) controllo 100 volte i cablaggi.
Prima controllo i cablaggi, poi scrivo al produttore. Magari sei fortunato è qualcuno ha il tuo stesso impianto altrimenti trovi solo risposte circostanziali.
Cosa intendi con valori errati ? Rispetto a cosa ? ad una pinza amperometrica ? i Rapporti TA sono impostati giusti ?
0
voti
Ti allego i vari schemi di collegamento. Domani se ho tempo ti posto gli errori.
https://www.iammeter.com/docs/wiring-diagram
https://www.iammeter.com/docs/wiring-diagram
0
voti
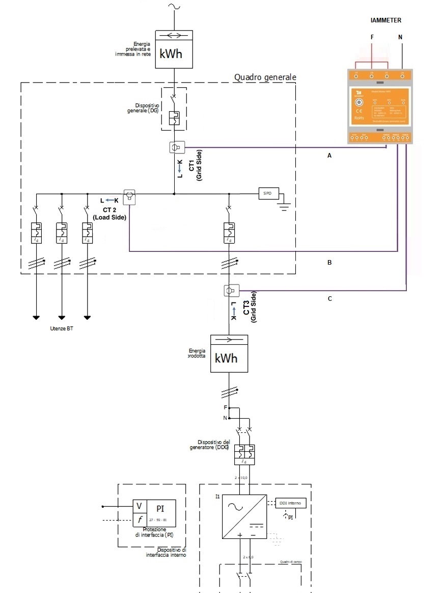
Ti allego il file e il grafico sulla mia app, con i due versi delle pinze amperometriche.
buon pomeriggio
buon pomeriggio
0
voti
Non so come aiutarti, ogni mondo è a se.... Io provo a darti qualche dritta
Noto che tra la casetta e il "load" ci sono 2W di differenza (consumo del modulo ?)
l'immagine sopra va "bene", per assurdo è inversa l'inserzione di CT2 e CT3
E nella seconda è inversa CT1
Bisogna capire come ragiona: Se il flusso da K a L è positiva o negativa.
Non dare per scontato che prodotta = positiva, ho avuto a che fare con apparecchiature che ragionavano al "contrario", ma quando andavi a fare i conti tutto quadrava !
Picchio ancora: sei sicuro che tutti i TA sono monati rosso-nero rosso-nero rosso-nero ?
Non perdere tempo contatta il venditore !!

Noto che tra la casetta e il "load" ci sono 2W di differenza (consumo del modulo ?)
l'immagine sopra va "bene", per assurdo è inversa l'inserzione di CT2 e CT3
E nella seconda è inversa CT1
Bisogna capire come ragiona: Se il flusso da K a L è positiva o negativa.
Non dare per scontato che prodotta = positiva, ho avuto a che fare con apparecchiature che ragionavano al "contrario", ma quando andavi a fare i conti tutto quadrava !
Picchio ancora: sei sicuro che tutti i TA sono monati rosso-nero rosso-nero rosso-nero ?
Non perdere tempo contatta il venditore !!

0
voti
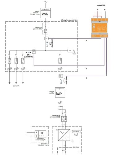
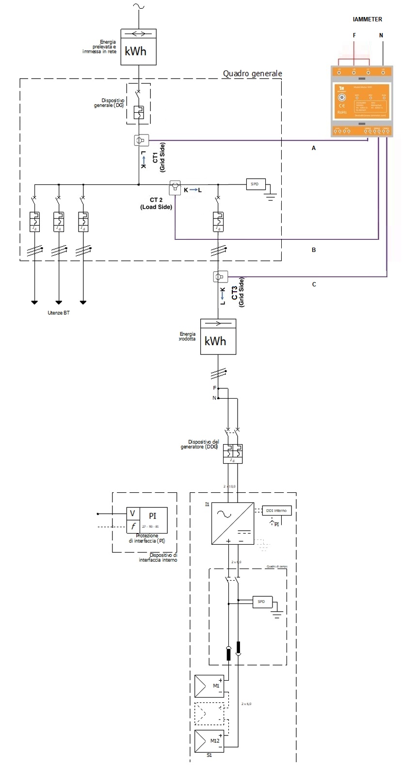
ciao grazie per la risposta.
Ti allego lo scherma del quadro elettrico e le pinze installate con i versi
Ti allego lo scherma del quadro elettrico e le pinze installate con i versi
0
voti
lagose ha scritto:con i versi
Sono sbagliate...... a prescindere dai versi CT2 non va li cosi misuri la stessa corrente di CT3
Cablale come da schema produttore e assicurati dei cablaggi

0
voti
ok domani ci provo a mettere come lo schema del produttore
grazie di nuovo
grazie di nuovo
12 messaggi
• Pagina 1 di 2 • 1, 2
Torna a Impianti, sicurezza e quadristica
Chi c’è in linea
Visitano il forum: Google Adsense [Bot] e 61 ospiti

Elettrotecnica e non solo (admin)
Un gatto tra gli elettroni (IsidoroKZ)
Esperienza e simulazioni (g.schgor)
Moleskine di un idraulico (RenzoDF)
Il Blog di ElectroYou (webmaster)
Idee microcontrollate (TardoFreak)
PICcoli grandi PICMicro (Paolino)
Il blog elettrico di carloc (carloc)
DirtEYblooog (dirtydeeds)
Di tutto... un po' (jordan20)
AK47 (lillo)
Esperienze elettroniche (marco438)
Telecomunicazioni musicali (clavicordo)
Automazione ed Elettronica (gustavo)
Direttive per la sicurezza (ErnestoCappelletti)
EYnfo dall'Alaska (mir)
Apriamo il quadro! (attilio)
H7-25 (asdf)
Passione Elettrica (massimob)
Elettroni a spasso (guidob)
Bloguerra (guerra)


