ciao a tutti .
quella che sto per fare è una richiesta molto specifica ,mi serve aiuto
per capire se è una idea realizzabile cosi come l'ho pensata e completare il circuito ù.
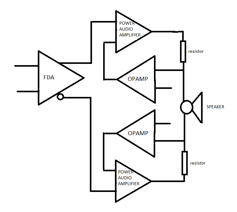
come da titolo si tratta di un ampli audio di potenza ,l immagine che vedete non è da considerarsi uno schema perche manca tanto ma serve come aiuto a capire cosa voglio se le parole non bastassero .
si vede un FDA (full differential ampli.) che pilota 2 chip audio di potenza a ponte , la retroazione di questi ultimi è fatta da 1 opamp x ramo al posto dei soliti 2 resistori in serie che vanno a terra .
questa retroazione deve avere una funzione ben precisa : qui la chiamo impropriamente motional feedback
in realta è pilotaggio in corrente e spendo 2 parole per spiegare di cosa si tratta .
quando un altoparlante lavora entro un range di frequenza la sua impedenza cambia e di conseguenza anche la corrente .
siccome che a far funzionare l'altoparlante è la corrente e non la tensione allora un pilotaggio in corrente è migliore .
il concetto è quello di far aumentare la tensione dell'ampli quando aumenta l'impedenza dell'altoparlante in modo da ottenere un equilibrio e una corrente costante ,il compito dei 2 resistori in serie all'altoparlante , di valore al di sotto di 0,1 Ohm o anche meno se si puo ,è quello di dare modo
ai 2 opamp di creare una retroazione .quando aumenta l'impedenza dell'altoparlante la tensione sui 2 resistori diminuisce e a quel punto i 2 opamp tramite feedback devono far aumentare la tensione di uscita ai 2 chip di potenza a ponte .
perché a ponte ? perche posso ottenere il doppio della tensione di un ampli con ritorno di terra e anche perche secondo me quest'ultimo non c'è la fa .
senza ponte e con riferimento a terra è piu facile da fare ma qui invece no .
ampli audio di potenza a ponte e corrente costante
Moderatore:
IsidoroKZ
2
voti
Veramente di solito si cerca di ottenere un elevato smorzamento dell'altoparlante cioè una bassa impedenza di uscita dell'amplificatore.
P.S. Il tuo apparecchio potrebbe servire per una prova uditiva degli altoparlanti, magari pilotandolo con un rumore bianco o rosa.
P.S. Il tuo apparecchio potrebbe servire per una prova uditiva degli altoparlanti, magari pilotandolo con un rumore bianco o rosa.
2
voti
Gli altoparlanti solitamente vanno pilotati in tensione e non corrente.
Pensa cosa succederebbe alla frequenza di risonanza in cui l'efficienza è molto più alta e l'impedenza elevata.
Pensa cosa succederebbe alla frequenza di risonanza in cui l'efficienza è molto più alta e l'impedenza elevata.
1
voti
Con questo non voglio dire che sia impossibile pilotarli in corrente, ma sicuramente è complesso per avere risultati buoni.
C'è un libro dedicato a questo argomento: https://audioxpress.com/article/current ... ook-review
C'è un libro dedicato a questo argomento: https://audioxpress.com/article/current ... ook-review
0
voti
grazie per le risposte , però non vi ho chiesto un parere sul come va pilotato un altoparlante
1
voti
arivel ha scritto:grazie per le risposte , però non vi ho chiesto un parere sul come va pilotato un altoparlante
Ho dato un parere perché:
1) Aiuta a capire perché non ti indico come completare il circuito.
2) Questo è un forum di discussione, non una hotline tecnica. Pertanto la discussione deve essere utile per chiunque legga questa pagina; e dunque credo sia doveroso commentare l'idea nel suo complesso.
3) Hai detto
. E la mia risposta è che non è realizzabile così facilmente qualcosa di ben suonante come affermi tu. Per di più se ti poni l'obiettivo di far suonare addirittura meglio di chi pilota in tensione. Per di più considerando che la quasi totalità degli altoparlanti sono progettati per essere pilotati in tensione.per capire se è una idea realizzabile
siccome che a far funzionare l'altoparlante è la corrente e non la tensione allora un pilotaggio in corrente è migliore
In che senso migliore? Relativamente a quali parametri?
Non è detto: hai problemi di risposta alla frequenza di risonanza.
Al più il pilotaggio in corrente è fattibile distante dalla frequenza di risonanza.
il concetto è quello di far aumentare la tensione dell'ampli quando aumenta l'impedenza dell'altoparlante
No, è il contrario. Alla risonanza l'impedenza è alta e l'efficienza alta. Se aumentassi la tensione alla risonanza avresti una risposta con un picco mostruoso.
4
voti
arivel ha scritto:quella che sto per fare è una richiesta molto specifica ,mi serve aiuto
per capire se è una idea realizzabile cosi come l'ho pensata e completare il circuito.
La soluzione che proponi non mi piace. La ragione è che stai mettendo in serie due generatori di corrente, e questo porta molto male.
Proverei con una struttura di questo genere: su un lato dell'altoparlante metterei un generatore di corrente pilotato come quello che hai disegnato. Pilotererei l'altro lato dell'altoparlante con un amplificatore di tensione con guadagno -1 che prende la tensione d'ingresso sul lato dove c'è il generatore di corrente. In questo modo il carico è pilotato in corrente, e hai dinamica doppia rispetto al singolo amplificatore.
Per usare proficuamente un simulatore, bisogna sapere molta più elettronica di lui
Plug it in - it works better!
Il 555 sta all'elettronica come Arduino all'informatica! (entrambi loro malgrado)
Se volete risposte rispondete a tutte le mie domande
Plug it in - it works better!
Il 555 sta all'elettronica come Arduino all'informatica! (entrambi loro malgrado)
Se volete risposte rispondete a tutte le mie domande
0
voti
Lo trovo interessante, se avessi pratica con gli operazionali sarei tentato di provarlo. Sei sicuro che sia stabile? ( coi TDA poi!) Ho già detto che potrebbe essere utile per provare gli altoparlanti.
P.S. Quanto sopra si riferisce alla soluzione proposta da
IsidoroKZ al post [7].
P.S. Quanto sopra si riferisce alla soluzione proposta da
0
voti
EcoTan ha scritto:Lo trovo interessante, se avessi pratica con gli operazionali sarei tentato di provarlo. Sei sicuro che sia stabile? ( coi TDA poi!) Ho già detto che potrebbe essere utile per provare gli altoparlanti.
qualcuno mi ha consigliato di usare 2 howland identiche
0
voti
[/quote]
la quasi totalità degli altoparlanti sono progettati per essere pilotati in tensione.
[/quote]
No, è il contrario. Alla risonanza l'impedenza è alta e l'efficienza alta. Se aumentassi la tensione alla risonanza avresti una risposta con un picco mostruoso.[/quote]
per il momento lasciamo da parte questo, mi interessa di piu il comportamento da immediatamente dopo Fs fino alla frequenza di taglio del woofer .
la quasi totalità degli altoparlanti sono progettati per essere pilotati in tensione.
si è vero ma magari ci sono altoparlanti che si prestano meglio di altri ad essere pilotati in corrente
[/quote]
No, è il contrario. Alla risonanza l'impedenza è alta e l'efficienza alta. Se aumentassi la tensione alla risonanza avresti una risposta con un picco mostruoso.[/quote]
per il momento lasciamo da parte questo, mi interessa di piu il comportamento da immediatamente dopo Fs fino alla frequenza di taglio del woofer .
Torna a Elettronica e spettacolo
Chi c’è in linea
Visitano il forum: Nessuno e 6 ospiti

Elettrotecnica e non solo (admin)
Un gatto tra gli elettroni (IsidoroKZ)
Esperienza e simulazioni (g.schgor)
Moleskine di un idraulico (RenzoDF)
Il Blog di ElectroYou (webmaster)
Idee microcontrollate (TardoFreak)
PICcoli grandi PICMicro (Paolino)
Il blog elettrico di carloc (carloc)
DirtEYblooog (dirtydeeds)
Di tutto... un po' (jordan20)
AK47 (lillo)
Esperienze elettroniche (marco438)
Telecomunicazioni musicali (clavicordo)
Automazione ed Elettronica (gustavo)
Direttive per la sicurezza (ErnestoCappelletti)
EYnfo dall'Alaska (mir)
Apriamo il quadro! (attilio)
H7-25 (asdf)
Passione Elettrica (massimob)
Elettroni a spasso (guidob)
Bloguerra (guerra)






