Ciao a tutti,
ho in casa l'apparecchio in questione, acquistato nuovo nel 2006 e poi rimasto spento negli ultimi anni per ragioni di...mercato (leggasi MP4)
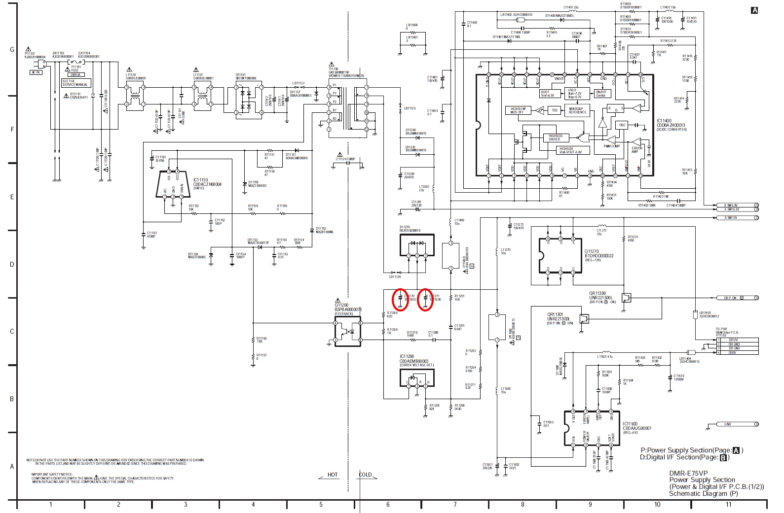
Qualche giorno fa tento di accenderlo ma niente da fare, lo apro e trovo due elettrolitici 1500 uF 16V andati nella sezione di alimentazione (cerchiati in rosso nello schema allegato)
Prima di sostituire i 2 elettrolitici, chiedo il vostro aiuto per capire se ci sia qualche verifica strumentale da fare sullo stadio di alimentazione (ho solo un paio di multimetri) oltre alla consueta ispezione visiva (che non ha dato apparente esito di altre rotture)
Grazie
Riparazione VCR/DVDR Panasonic DMR-E75V
Moderatori:
carloc,
g.schgor,
BrunoValente,
IsidoroKZ
4 messaggi
• Pagina 1 di 1
0
voti
se non ci sono resistenze in parallelo ai condensatori che anno sofferto o altri componenti, puoi senza problemi tentare l'avvio.
-

sgaragnone
57 3 6 - Frequentatore

- Messaggi: 278
- Iscritto il: 15 ott 2019, 11:37
0
voti
Se hai uno strumento per misurare l'ESR dei condensatori (senza smontarli) farei prima un tentativo facendo passare tutti gli elettrolitici specialmente quelli di piccola dimensione o alta tensione relativi al circuito di alimentazione.
Ciao
Ciao
600 Elettra
2
voti
Ringrazio chi mi ha risposto, alla fine penso di aver riparato bene l'apparecchio....affidandomi anche ad un po' di fortuna, che non guasta...
Purtroppo non dispongo di un ESR-meter e quindi la verifica proposta da @stefanopc non l'ho potuta fare
Guardando lo schema del primo messaggio, mi è parso che i due elettrolitici abbiano in parallelo delle resistenze, quindi ero molto dubbioso su come progredire
Un secondo ed approfondito esame visivo non dava alcun esito di problemi ad altri componenti, così ho sostituito i 2 elettrolitici e, dopo un' accurato lavaggio con isopropilico di tutti i connettori (sono una ventina in tutto), ho alimentato e provato ad accendere....si è acceso e dopo alcuni self-check ha ripreso vita
Da un paio di giorni lo sto usando per riversare su DVD e poi MP4 qualche vecchia VHS di una trentina d'anni fa, la qualità dei video è abbastanza buona rispetto ai tempi e finora nessun problema
Purtroppo non dispongo di un ESR-meter e quindi la verifica proposta da @stefanopc non l'ho potuta fare
Guardando lo schema del primo messaggio, mi è parso che i due elettrolitici abbiano in parallelo delle resistenze, quindi ero molto dubbioso su come progredire
Un secondo ed approfondito esame visivo non dava alcun esito di problemi ad altri componenti, così ho sostituito i 2 elettrolitici e, dopo un' accurato lavaggio con isopropilico di tutti i connettori (sono una ventina in tutto), ho alimentato e provato ad accendere....si è acceso e dopo alcuni self-check ha ripreso vita
Da un paio di giorni lo sto usando per riversare su DVD e poi MP4 qualche vecchia VHS di una trentina d'anni fa, la qualità dei video è abbastanza buona rispetto ai tempi e finora nessun problema

4 messaggi
• Pagina 1 di 1
Chi c’è in linea
Visitano il forum: Nessuno e 66 ospiti

Elettrotecnica e non solo (admin)
Un gatto tra gli elettroni (IsidoroKZ)
Esperienza e simulazioni (g.schgor)
Moleskine di un idraulico (RenzoDF)
Il Blog di ElectroYou (webmaster)
Idee microcontrollate (TardoFreak)
PICcoli grandi PICMicro (Paolino)
Il blog elettrico di carloc (carloc)
DirtEYblooog (dirtydeeds)
Di tutto... un po' (jordan20)
AK47 (lillo)
Esperienze elettroniche (marco438)
Telecomunicazioni musicali (clavicordo)
Automazione ed Elettronica (gustavo)
Direttive per la sicurezza (ErnestoCappelletti)
EYnfo dall'Alaska (mir)
Apriamo il quadro! (attilio)
H7-25 (asdf)
Passione Elettrica (massimob)
Elettroni a spasso (guidob)
Bloguerra (guerra)

