Buongiorno a tutti,
Ho l'esigenza di fare una specie di oscilloscopio mini e volevo usare un ESP32 che supporta al massimo 3.3v come input in analogica.
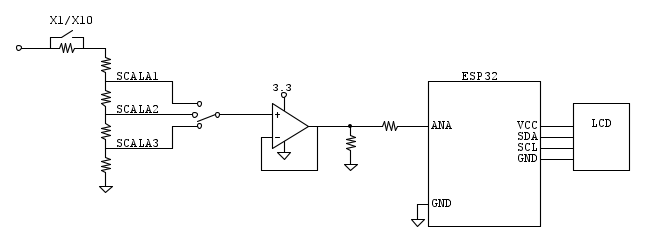
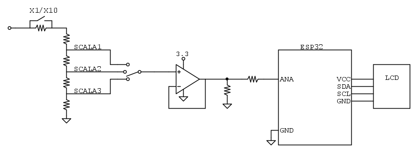
Ora lo schema di base sarebbe questo:
Ovviamente devo in qualche modo proteggere l'ingresso da eventuali sovratensioni ammettendo al massimo un ingresso di 50V tanto per essere conservativi cosa mi suggerite?
Uno zener prima del uC?
Un opamp configurato come buffer prima del uC?
Protezione input analogico 3.3v
Moderatori:
carloc,
g.schgor,
BrunoValente,
IsidoroKZ
0
voti
wimatech ha scritto:Un opamp configurato come buffer prima del uC?
Opterei per questa soluzione, con lo zener rischi che all'avvicinarsi alla sua tensione di zener inizi a condurre con tutto quanto ne consegue
0
voti
E' una buona domanda che si presta risposte varie.
Non ho letto le caratteristiche dell'interfaccia analogica del microprocessore.
Magari all'interno sono presenti delle giunzioni di protezione che tollerano fino a una corrente di supponiamo 10 mA nella porta analogica senza creare danni.
Se la tensione da misurare è inferiore a 50 V mettendo una resistenza in serie all'ingresso da
(50 - 3,3) / 10 mA >= 5 kohm lo dovresti proteggere.
L'impedenza di ingresso del up è molto alta ( 10 Mohm ? ), il 5 K in serie non dovrebbe provocare un errore di lettura elevato.
Il suggerimento di
edgar è migliore, ma più complesso.
Non ho letto le caratteristiche dell'interfaccia analogica del microprocessore.
Magari all'interno sono presenti delle giunzioni di protezione che tollerano fino a una corrente di supponiamo 10 mA nella porta analogica senza creare danni.
Se la tensione da misurare è inferiore a 50 V mettendo una resistenza in serie all'ingresso da
(50 - 3,3) / 10 mA >= 5 kohm lo dovresti proteggere.
L'impedenza di ingresso del up è molto alta ( 10 Mohm ? ), il 5 K in serie non dovrebbe provocare un errore di lettura elevato.
Il suggerimento di
0
voti
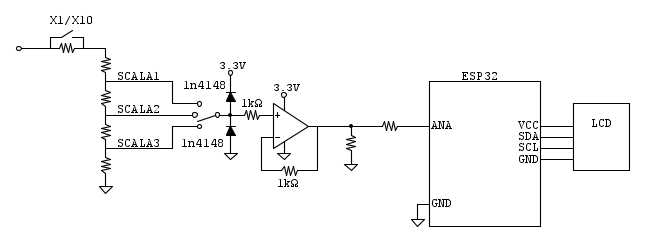
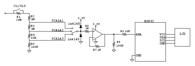
Chiedo scusa per l'errore nel circuito precedente anche se ho scritto STM32 intendo usare un ESP32.
Quindi consigliate una soluzione così:
Voglio usare un ESP32 perché "se ci riesco" vorrei leggere l'analogica usando l'I2S e il DMA per avere il massimo possibile di banda.
Vorrei almeno garantire la lettura di un segnale a 20kHz con almeno 20/50 semple per periodo.
Poi altra cosa per quanto riguara l'accoppiamento in CC o DC ho visto on line che molti inseriscono un condensatore in serie al segnale, cosa ne dite? meglio quello o creare un sommatore sull'opamp per shiftare il segnale?
Quindi consigliate una soluzione così:
Voglio usare un ESP32 perché "se ci riesco" vorrei leggere l'analogica usando l'I2S e il DMA per avere il massimo possibile di banda.
Vorrei almeno garantire la lettura di un segnale a 20kHz con almeno 20/50 semple per periodo.
Poi altra cosa per quanto riguara l'accoppiamento in CC o DC ho visto on line che molti inseriscono un condensatore in serie al segnale, cosa ne dite? meglio quello o creare un sommatore sull'opamp per shiftare il segnale?
0
voti
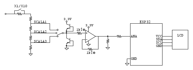
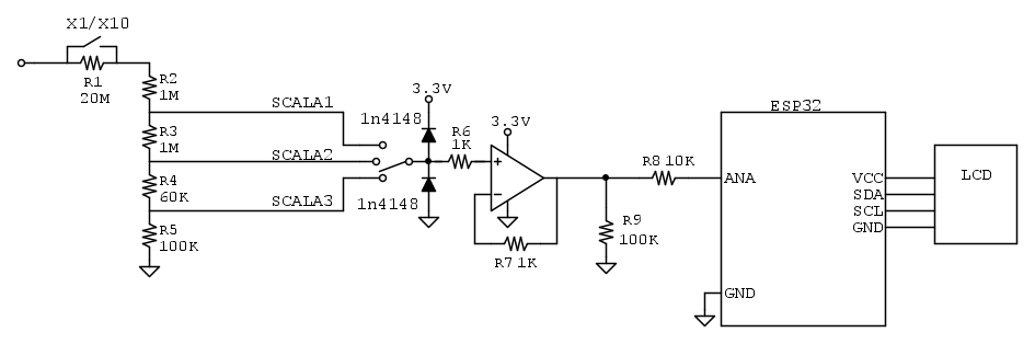
Non capisco a cosa servano le due resistenze all'uscita dell'OPAMP.
-

PietroBaima
90,7k 7 12 13 - G.Master EY

- Messaggi: 12206
- Iscritto il: 12 ago 2012, 1:20
- Località: Londra
0
voti
In alcuni multimetri al posto dei diodi ho trovato dei transistor connessi a diodo
Magari il fondo scala dell'ADC non è 3,3 V
PietroBaima ha scritto:Non capisco a cosa servano le due resistenze all'uscita dell'OPAMP.
Magari il fondo scala dell'ADC non è 3,3 V
0
voti
Ho messo nomi e valori per spiegarci meglio.
Ho pensato di mettere le resistenze R8 ed R9 per ridurre al minimo la corrente che entra nel uC ma se dite che non serve le tolgo
Ho pensato di mettere le resistenze R8 ed R9 per ridurre al minimo la corrente che entra nel uC ma se dite che non serve le tolgo
0
voti
edgar ha scritto:PietroBaima ha scritto:Non capisco a cosa servano le due resistenze all'uscita dell'OPAMP.
Magari il fondo scala dell'ADC non è 3,3 V
Ma così cosa cambia?
-

PietroBaima
90,7k 7 12 13 - G.Master EY

- Messaggi: 12206
- Iscritto il: 12 ago 2012, 1:20
- Località: Londra
Chi c’è in linea
Visitano il forum: Nessuno e 42 ospiti

Elettrotecnica e non solo (admin)
Un gatto tra gli elettroni (IsidoroKZ)
Esperienza e simulazioni (g.schgor)
Moleskine di un idraulico (RenzoDF)
Il Blog di ElectroYou (webmaster)
Idee microcontrollate (TardoFreak)
PICcoli grandi PICMicro (Paolino)
Il blog elettrico di carloc (carloc)
DirtEYblooog (dirtydeeds)
Di tutto... un po' (jordan20)
AK47 (lillo)
Esperienze elettroniche (marco438)
Telecomunicazioni musicali (clavicordo)
Automazione ed Elettronica (gustavo)
Direttive per la sicurezza (ErnestoCappelletti)
EYnfo dall'Alaska (mir)
Apriamo il quadro! (attilio)
H7-25 (asdf)
Passione Elettrica (massimob)
Elettroni a spasso (guidob)
Bloguerra (guerra)









pigreco]=π
