Buongiorno.
Ho un po' di moduli per powerbank basati sul chip cinesissimo HT4928S .
Vorrei provare a modificarne uno per ottenere una tensione di uscita di circa 7 V anziché i 5 V predeterminati, ma l'integrato non espone pin per regolare il partitore di tensione del boost.
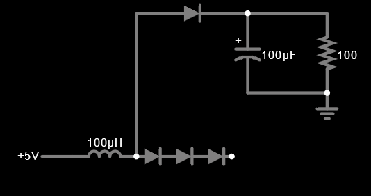
Questo lo schema circuitale tipico (direi anche unico):
Potrei provare ad inserire tre diodi in serie (caduta circa 2 volt) tra l'induttore e il pin LX e fare una seconda rete diodo - condensatore modello convertitore boost oppure sarebbe tempo perso per questioni di instabilità o altro?
Grazie.
Modifica modulo powerbank
Moderatori:
carloc,
g.schgor,
BrunoValente,
IsidoroKZ
10 messaggi
• Pagina 1 di 1
0
voti
Come mai ti servono 7V?
Quanta corrente ti serve a 7V?
Sul manuale di questo integrato c'è scritto uscita fissa 5.1V.
Ci sono chip ben più adatti allo scopo ma con questo mi sembra abbastanza dura.
Ciao
Quanta corrente ti serve a 7V?
Sul manuale di questo integrato c'è scritto uscita fissa 5.1V.
Ci sono chip ben più adatti allo scopo ma con questo mi sembra abbastanza dura.
Ciao
600 Elettra
0
voti
Secondo me quel convertitore ha l'ingresso dalla batteria e l'uscita sull'USB. Se il datasheet (con traduzioni fantasiose dal cinese) dice un po' di verita`, il piedino 4 e` l'ingresso del feedback, quindi direi di inserire un partitore come in figura.
Ma che funzioni non ci credo neanche se lo vedo

In realta` non ho neanche capito come gli si dice di fare il caricabatteria (suo) o il power bank che eroga potenza.
Ma che funzioni non ci credo neanche se lo vedo
In realta` non ho neanche capito come gli si dice di fare il caricabatteria (suo) o il power bank che eroga potenza.
Per usare proficuamente un simulatore, bisogna sapere molta più elettronica di lui
Plug it in - it works better!
Il 555 sta all'elettronica come Arduino all'informatica! (entrambi loro malgrado)
Se volete risposte rispondete a tutte le mie domande
Plug it in - it works better!
Il 555 sta all'elettronica come Arduino all'informatica! (entrambi loro malgrado)
Se volete risposte rispondete a tutte le mie domande
0
voti
Per quello che mi costava, ho fatto una prova con i tre diodi, ma non ha funzionato: in uscita ottengo la stessa tensione della batteria.
Forse l'induttore andrebbe ricalcolato oppure l'oscillazione non si innesca correttamente a causa delle capacità parassite dei tre diodi.
Rimettendo il circuito come in origine, è tornato a funzionare come da specifica.
Per sostituire una batteria 9V di un giocattolo; funziona anche a 5V, ma non al meglio. La corrente è poca, sicuramente non più di 100mA.
Già, pensavo a qualcosa di simile. Grazie.
Quindi supponi che il piedino 4 dovrebbe agire come il classico feedback con riferimento di tensione a 1,25V (tipo LM317), ma quadruplicata a 5,1V. La soluzione è scaltra, ma forse scatterebbe la protezione di sovratensione dell'uscita, fissata a 5,8V, e inoltre temo che il circuito di carica della batteria interna non funzionerebbe più. Grazie.
E' sicuramente un integrato peculiare:
- ingresso di ricarica batteria e uscita USB condividono gli stessi pin (USB-A e MicroUSB sono connesse in parallelo);
- se la corrente in uscita va sotto 60mA, dopo 8 secondi si spegne;
- se in ingresso supera 4,7V ma non è lui a generarli, inizia caricare la batteria.
e
Infatti pensavo di "nascondergli" i 7V che desidero attraverso i tre diodi in serie all'induttore: nessun pin dell'integrato vedrebbe una tensione superiore a quella prevista dal funzionamento regolare e il ramo dell'induttore non dovrebbe essere coinvolto nella fase di ricarica. Grazie.
Penso che ovvierò con due batterie LiPo in serie e un modulino di ricarica 2s che ho già.
Grazie a tutti.

Forse l'induttore andrebbe ricalcolato oppure l'oscillazione non si innesca correttamente a causa delle capacità parassite dei tre diodi.
Rimettendo il circuito come in origine, è tornato a funzionare come da specifica.
stefanopc ha scritto:Come mai ti servono 7V?
Quanta corrente ti serve a 7V?
Per sostituire una batteria 9V di un giocattolo; funziona anche a 5V, ma non al meglio. La corrente è poca, sicuramente non più di 100mA.
elfo ha scritto:Posto che Vo sia il pin di Uscita e Vo/In sia il pin di Sense
Già, pensavo a qualcosa di simile. Grazie.
IsidoroKZ ha scritto:Secondo me quel convertitore ha l'ingresso dalla batteria e l'uscita sull'USB. Se il datasheet (con traduzioni fantasiose dal cinese) dice un po' di verita`, il piedino 4 e` l'ingresso del feedback, quindi direi di inserire un partitore come in figura.
Quindi supponi che il piedino 4 dovrebbe agire come il classico feedback con riferimento di tensione a 1,25V (tipo LM317), ma quadruplicata a 5,1V. La soluzione è scaltra, ma forse scatterebbe la protezione di sovratensione dell'uscita, fissata a 5,8V, e inoltre temo che il circuito di carica della batteria interna non funzionerebbe più. Grazie.
IsidoroKZ ha scritto:In realta` non ho neanche capito come gli si dice di fare il caricabatteria (suo) o il power bank che eroga potenza.
E' sicuramente un integrato peculiare:
- ingresso di ricarica batteria e uscita USB condividono gli stessi pin (USB-A e MicroUSB sono connesse in parallelo);
- se la corrente in uscita va sotto 60mA, dopo 8 secondi si spegne;
- se in ingresso supera 4,7V ma non è lui a generarli, inizia caricare la batteria.
luxinterior ha scritto:Overvoltage protection is performed after the output voltage is greater than 5.8V, when the output is Automatic recovery after the voltage drops to 5.4V
e
ThEnGi ha scritto:Più che altro mi viene il dubbio di come mantenere la modalità di ricarica con i 7V in uscita.
Se va sacrificata tanto vale passare ad un IC classico, tipo MT3608 .
Infatti pensavo di "nascondergli" i 7V che desidero attraverso i tre diodi in serie all'induttore: nessun pin dell'integrato vedrebbe una tensione superiore a quella prevista dal funzionamento regolare e il ramo dell'induttore non dovrebbe essere coinvolto nella fase di ricarica. Grazie.
Penso che ovvierò con due batterie LiPo in serie e un modulino di ricarica 2s che ho già.
Grazie a tutti.

0
voti
Anche se lavora in un range di tensioni diverso prova a guardare (no fancy parts):
https://www.diyaudio.com/community/thre ... te.373444/
https://www.diyaudio.com/community/thre ... te.373444/
0
voti
elfo ha scritto:Anche se lavora in un range di tensioni diverso prova a guardare (no fancy parts):
https://www.diyaudio.com/community/thre ... te.373444/
Interessante e ben studiato; mi fa pensare un po' ad un Joule Thief per la bassa tensione di alimentazione e l'uso di componenti discreti, con il miglioramento della stabilizzazione.
Però è anche abbastanza impegnativo nella realizzazione con i suoi 19 componenti e l'uso insolito di un transistore discreto come generatore di tensione di riferimento.
0
voti
lucbie ha scritto:Per sostituire una batteria 9V di un giocattolo; funziona anche a 5V, ma non al meglio. La corrente è poca, sicuramente non più di 100mA.
Per sostituire le pile 9V già da un po' sto utilizzando due batterie LiPo da mini drone in serie (con un minifusibile) .
Ne esistono della esatta dimensione che stanno nell'alloggiamento originale.
Ciao
600 Elettra
10 messaggi
• Pagina 1 di 1
Chi c’è in linea
Visitano il forum: Nessuno e 54 ospiti

Elettrotecnica e non solo (admin)
Un gatto tra gli elettroni (IsidoroKZ)
Esperienza e simulazioni (g.schgor)
Moleskine di un idraulico (RenzoDF)
Il Blog di ElectroYou (webmaster)
Idee microcontrollate (TardoFreak)
PICcoli grandi PICMicro (Paolino)
Il blog elettrico di carloc (carloc)
DirtEYblooog (dirtydeeds)
Di tutto... un po' (jordan20)
AK47 (lillo)
Esperienze elettroniche (marco438)
Telecomunicazioni musicali (clavicordo)
Automazione ed Elettronica (gustavo)
Direttive per la sicurezza (ErnestoCappelletti)
EYnfo dall'Alaska (mir)
Apriamo il quadro! (attilio)
H7-25 (asdf)
Passione Elettrica (massimob)
Elettroni a spasso (guidob)
Bloguerra (guerra)









