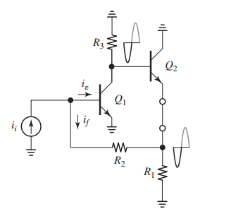
Salve, ho trovato su un testo questo semplice circuito BJT reazionato per piccoli segnali e vorrei sapere ,magari la domanda sarà stupida, come mai se ho una semionda negativa sulla R1 allora if (corrente di reazione) avrà il verso indicato in figura, cioè toglie corrente dalla base.
Grazie a quanti mi risponderanno
BJT reazionato
Moderatori:
carloc,
g.schgor,
BrunoValente,
IsidoroKZ
23 messaggi
• Pagina 1 di 3 • 1, 2, 3
0
voti
[1] BJT reazionato
-

Roswell1947
89 1 3 8 - Stabilizzato

- Messaggi: 438
- Iscritto il: 10 feb 2020, 16:39
0
voti
come mai se ho una semionda negativa sulla R1 allora if (corrente di reazione) avrà il verso indicato in figura, cioè toglie corrente dalla base.
perché hai una reazione negativa. Se il segnale in ingresso sale, aumentando la corrente in base, la reazione negativa tende a ridurre l'aumento di corrente
0
voti
Roswell1947 ha scritto:Salve, ho trovato su un testo questo semplice circuito BJT reazionato per piccoli segnali
quale testo?
Roswell1947 ha scritto:come mai se ho una semionda negativa sulla R1 allora if (corrente di reazione) avrà il verso indicato in figura, cioè toglie corrente dalla base.
Se la tensione di uscita e` negativa vuol dire che Q2 ha una corrente di emettitore entrante (*) e quindi "succhia corrente" dalla resistenza di emettitore e da quella di retroazione.
Non mi piace mescolare le tensioni disegnate come sinusoidi (dominio del tempo) e le correnti come frecce (dominio dei fasori), si rischiano casini non indifferenti.
(*) domanda cattiva: come fa l'emettitore di un npn ad avere una corrente entrante?
Per usare proficuamente un simulatore, bisogna sapere molta più elettronica di lui
Plug it in - it works better!
Il 555 sta all'elettronica come Arduino all'informatica! (entrambi loro malgrado)
Se volete risposte rispondete a tutte le mie domande
Plug it in - it works better!
Il 555 sta all'elettronica come Arduino all'informatica! (entrambi loro malgrado)
Se volete risposte rispondete a tutte le mie domande
0
voti
IsidoroKZ ha scritto:Roswell1947 ha scritto:Salve, ho trovato su un testo questo semplice circuito BJT reazionato per piccoli segnali
quale testo?Roswell1947 ha scritto:come mai se ho una semionda negativa sulla R1 allora if (corrente di reazione) avrà il verso indicato in figura, cioè toglie corrente dalla base.
Se la tensione di uscita e` negativa vuol dire che Q2 ha una corrente di emettitore entrante (*) e quindi "succhia corrente" dalla resistenza di emettitore e da quella di retroazione.
Non mi piace mescolare le tensioni disegnate come sinusoidi (dominio del tempo) e le correnti come frecce (dominio dei fasori), si rischiano casini non indifferenti.
(*) domanda cattiva: come fa l'emettitore di un npn ad avere una corrente entrante?
Penso che sia entrante solo nel semiperiodo negativo del segnale o sbaglio?
-

Roswell1947
89 1 3 8 - Stabilizzato

- Messaggi: 438
- Iscritto il: 10 feb 2020, 16:39
0
voti
Sì, ma IsidoroKZ non chiedeva quando succede. Prova a spiegare cosa succede.
La freccetta sull'emettitore indica un verso, quindi IsidoroKZ ti chiede: come mai se la corrente di emettitore di un npn dovrebbe essere uscente dall'emettitore qui sembra entrante?
La freccetta sull'emettitore indica un verso, quindi IsidoroKZ ti chiede: come mai se la corrente di emettitore di un npn dovrebbe essere uscente dall'emettitore qui sembra entrante?
0
voti
Succede perché durante i periodi di segnale invertito cambia il verso della corrente o sbaglio?altrimenti datemi delle spiegazioni,sono qui per imparare da chi ne sa più di me.
-

Roswell1947
89 1 3 8 - Stabilizzato

- Messaggi: 438
- Iscritto il: 10 feb 2020, 16:39
0
voti
Come fa l'emettitore di un npn ad avere una corrente entrante? Non ho chiesto quando capita, o perché capita, ho chiesto com'è possibile che la corrente entri nell'emettitoremdi un npn.
Per usare proficuamente un simulatore, bisogna sapere molta più elettronica di lui
Plug it in - it works better!
Il 555 sta all'elettronica come Arduino all'informatica! (entrambi loro malgrado)
Se volete risposte rispondete a tutte le mie domande
Plug it in - it works better!
Il 555 sta all'elettronica come Arduino all'informatica! (entrambi loro malgrado)
Se volete risposte rispondete a tutte le mie domande
1
voti
Io gia mi sono perso guardando il circuito, che non ha alimentazione, anche i due colletori sono connessi a massa.
quindi la tensione di alimentazione rimane il segnale di ingresso? ma neanche così ha senso.
quindi la tensione di alimentazione rimane il segnale di ingresso? ma neanche così ha senso.
-

lelerelele
4.899 3 7 9 - Master

- Messaggi: 5505
- Iscritto il: 8 giu 2011, 8:57
- Località: Reggio Emilia
0
voti
Secondo me è uno schema che mescola simboli di piccolo segnale con simboli del transistor,
considera l'alimentazione come una massa, è ambiguo, induce in errore e forse è errato.
considera l'alimentazione come una massa, è ambiguo, induce in errore e forse è errato.
0
voti
[10] Re: BJT reazionato
IsidoroKZ ha scritto:Come fa l'emettitore di un npn ad avere una corrente entrante? Non ho chiesto quando capita, o perché capita, ho chiesto com'è possibile che la corrente entri nell'emettitoremdi un npn.
Il circuito è disegnato per piccoli segnali,ma mi arrendo per la risposta riguardante il discorso della corrente entrante.Gentilmente IsidoroK potresti spiegarlo a me ed eventualmente a qualche altro che non si è mai posto la domanda?grazie mille
-

Roswell1947
89 1 3 8 - Stabilizzato

- Messaggi: 438
- Iscritto il: 10 feb 2020, 16:39
23 messaggi
• Pagina 1 di 3 • 1, 2, 3
Chi c’è in linea
Visitano il forum: Nessuno e 66 ospiti

Elettrotecnica e non solo (admin)
Un gatto tra gli elettroni (IsidoroKZ)
Esperienza e simulazioni (g.schgor)
Moleskine di un idraulico (RenzoDF)
Il Blog di ElectroYou (webmaster)
Idee microcontrollate (TardoFreak)
PICcoli grandi PICMicro (Paolino)
Il blog elettrico di carloc (carloc)
DirtEYblooog (dirtydeeds)
Di tutto... un po' (jordan20)
AK47 (lillo)
Esperienze elettroniche (marco438)
Telecomunicazioni musicali (clavicordo)
Automazione ed Elettronica (gustavo)
Direttive per la sicurezza (ErnestoCappelletti)
EYnfo dall'Alaska (mir)
Apriamo il quadro! (attilio)
H7-25 (asdf)
Passione Elettrica (massimob)
Elettroni a spasso (guidob)
Bloguerra (guerra)



