Salve
ho acquistato degli alimetatotri da banco 50 volt e 5 ampere , max.
Da utilizzare per piste elettriche (macchine polistil d un tempo)
il potenziomentro lo fisso a 12 volt e ok, ma quello degli ampere a quanto lo fisso.
quelli che avevo prececedentemente aveva solo quello dei volt.
grazie
Ampere su alimentatore da banco
Moderatori:
carloc,
g.schgor,
BrunoValente,
IsidoroKZ
5 messaggi
• Pagina 1 di 1
0
voti
0
voti
Peterr ha scritto:Salve
ho acquistato degli alimetatotri da banco 50 volt e 5 ampere , max.
Da utilizzare per piste elettriche (macchine polistil d un tempo)
il potenziomentro lo fisso a 12 volt e ok, ma quello degli ampere a quanto lo fisso.
quelli che avevo prececedentemente aveva solo quello dei volt.
grazie
Quello che riguarda la corrente ne limita il massimo transito ossia puoi regalarlo a 500 mA oppure a 1.2 A oppure al massimo (5A) .
Chiaramente dovrai posizionarlo per una corrente superiore a quella che utilizzi ( che non conosco) dipende dal n macchinine che utilizzi. Puoi tranquillamente metterlo al massimo.
0
voti
Misura la corrente assorbita da una macchina alla massima velocità, moltiplicala per il numero di macchine che verranno usate contemporaneamente e aggiungi un 20% giusto per stare larghi.
1
voti
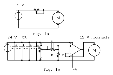
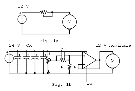
Lo schema di Fig. 1a dovrebbe essere lo schema classico.
L'alimentatore da 12 V, tramite il reostato, alimenta il motore.
Questa configurazione ha due inconvenienti:
- Non e' possibile dare uno spunto temporaneo (sovralimentare) al motore alla partenza per partenze brucianti
- Non e' possibile avere effetto frenante mettendo temporaneamente in corto il motore (o addirittura alimentandolo alla rovescia) per frenate "inchiodate"
Lo schema di Fig. 1b (l'Op-Amp e' un amplificatore di potenza che puo' erogare molti(ssimi) A)
- La capacita' C invia un "impulso positivo" quando si manovra il reostato per accelerare la macchina (posizione 1 del potenziometro) - la tensione in uscita all'amplificatore e sul motore puo' raggiungere in forma transiente +24 V
- La capacita' C invia un "impulso negativo" quando si manovra il reostato per fermare la macchina (posizione 0 del potenziometro) - la tensione in uscita all'amplificatore e sul motore puo' raggiungere in forma transiente la tensione di alimentazione negativa dell'amplificatore (alimentandolo alla rovescia)
- Le capacita' CR costituiscono la riserva di carica per fornire tutta la corrente impulsiva necessaria durante l'accelerazione e decelerazione.
P.S. Occhio che con un sistema (condensatori) del genere in caso di guasto/cortocircuito si fanno delle ottime "saldature a punti"
L'alimentatore da 12 V, tramite il reostato, alimenta il motore.
Questa configurazione ha due inconvenienti:
- Non e' possibile dare uno spunto temporaneo (sovralimentare) al motore alla partenza per partenze brucianti
- Non e' possibile avere effetto frenante mettendo temporaneamente in corto il motore (o addirittura alimentandolo alla rovescia) per frenate "inchiodate"
Lo schema di Fig. 1b (l'Op-Amp e' un amplificatore di potenza che puo' erogare molti(ssimi) A)
- La capacita' C invia un "impulso positivo" quando si manovra il reostato per accelerare la macchina (posizione 1 del potenziometro) - la tensione in uscita all'amplificatore e sul motore puo' raggiungere in forma transiente +24 V
- La capacita' C invia un "impulso negativo" quando si manovra il reostato per fermare la macchina (posizione 0 del potenziometro) - la tensione in uscita all'amplificatore e sul motore puo' raggiungere in forma transiente la tensione di alimentazione negativa dell'amplificatore (alimentandolo alla rovescia)
- Le capacita' CR costituiscono la riserva di carica per fornire tutta la corrente impulsiva necessaria durante l'accelerazione e decelerazione.
P.S. Occhio che con un sistema (condensatori) del genere in caso di guasto/cortocircuito si fanno delle ottime "saldature a punti"
6
voti
Peterr ha scritto:il potenziometro lo fisso a 12 volt e ok, ma quello degli ampere a quanto lo fisso.
quelli che avevo precedentemente aveva solo quello dei volt.
Se non conosci la differenza tra la tensione, che si misura in volt, e la corrente, che si misura in ampere, diventa difficile darti una risposta che ti risulti comprensibile.
Comunque, se non sei interessato all'argomento e se ti interessa solo far funzionare correttamente le tue macchinine, puoi procedere come segue.
Dopo aver impostato il valore della tensione a 12V imposta quello della corrente al massimo (5A), poi, mentre le tue macchinine sono tutte in movimento alla massima velocità, quindi mentre l'assorbimento di corrente è massimo, abbassa gradualmente il valore della corrente impostato sull'alimentatore.
Così facendo noterai che all'inizio non cambierà nulla ma ad in certo punto, quando la corrente sarà scesa sotto una certo valore del quale dovrai prendere nota, le tue macchinine inizieranno a rallentare e contemporaneamente vedrai iniziare a ridursi anche il valore impostato della tensione che invece precedentemente rimaneva fisso a 12V.
In questo modo avrai trovato il valore minimo di corrente necessario per far funzionare correttamente le tue macchinine, quindi il valore corretto da impostare sarà leggermente superiore al valore trovato.
Tutto funzionerebbe regolarmente anche se impostassi un valore molto superiore o anche se impostassi il valore massimo ma in queste condizioni se il motore di una macchinina sforzasse (ad esempio a causa dello sporco che potrebbe accumularsi nel tempo sugli snodi dell'albero delle ruote) si potrebbe danneggiare perché scorrerebbe troppa corrente.
Se, dopo aver regolato il valore della corrente come ti ho detto, dovessi notare che a volte il valore della tensione scende per poi tornare rapidamente a 12V (potrebbe accadere soprattutto durante la fase di accelerazione delle macchinine) vorrebbe dire che hai impostato un valore di corrente troppo basso e che quindi lo devi aumentare ma sempre senza esagerare.
-

BrunoValente
39,6k 7 11 13 - G.Master EY

- Messaggi: 7796
- Iscritto il: 8 mag 2007, 14:48
5 messaggi
• Pagina 1 di 1
Chi c’è in linea
Visitano il forum: Nessuno e 60 ospiti

Elettrotecnica e non solo (admin)
Un gatto tra gli elettroni (IsidoroKZ)
Esperienza e simulazioni (g.schgor)
Moleskine di un idraulico (RenzoDF)
Il Blog di ElectroYou (webmaster)
Idee microcontrollate (TardoFreak)
PICcoli grandi PICMicro (Paolino)
Il blog elettrico di carloc (carloc)
DirtEYblooog (dirtydeeds)
Di tutto... un po' (jordan20)
AK47 (lillo)
Esperienze elettroniche (marco438)
Telecomunicazioni musicali (clavicordo)
Automazione ed Elettronica (gustavo)
Direttive per la sicurezza (ErnestoCappelletti)
EYnfo dall'Alaska (mir)
Apriamo il quadro! (attilio)
H7-25 (asdf)
Passione Elettrica (massimob)
Elettroni a spasso (guidob)
Bloguerra (guerra)





