Salve,
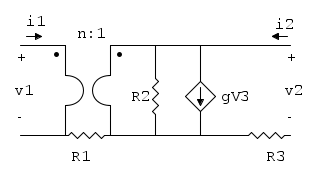
ho il seguente doppio bipolo, di cui devo ricavare la matrice delle conduttanze G. Di seguito allego lo schema:
Il problema è il resistore R1 posto a cavallo tra il primario e il secondario. Non riesco a capire come si può semplificare la parte del trasformatore in modo tale da applicare più facilmente le LKC/LKT o addirittura correnti di maglia. Qualche suggerimento?
Grazie in anticipo!
Doppio bipolo con trasformatore e resistenza a cavallo
Moderatori:
carloc,
g.schgor,
BrunoValente,
IsidoroKZ
15 messaggi
• Pagina 1 di 2 • 1, 2
1
voti
Quella rete, a causa del resistore R1, in generale, non può essere considerata un doppio bipolo, ma bensì un quadripolo; è evidente dal semplice fatto che la corrente in quel resistore R1, dipendendo dal "mondo" circuitale esterno al quale viene collegata (che in questo caso non è noto), rende impossibile considerare le correnti i1 e i2 come "correnti di porta".
Da dove arriva quel problema?
Da dove arriva quel problema?
"Il circuito ha sempre ragione" (Luigi Malesani)
0
voti
Per calcolare la matrice delle conduttanze devi mettere due generatori di tensione e calcolare le correnti in funzione di questi. Lo schema e` il seguente:
Quanto vale la corrente attraverso R1? Kirchhoff e` tuo amico!
Detto diversamente, una corrente che va in giro per il circuito deve sempre tornare indietro e "richiudersi".
Ti basta come suggerimento?
Quanto vale la corrente attraverso R1? Kirchhoff e` tuo amico!
Detto diversamente, una corrente che va in giro per il circuito deve sempre tornare indietro e "richiudersi".
Ti basta come suggerimento?
Per usare proficuamente un simulatore, bisogna sapere molta più elettronica di lui
Plug it in - it works better!
Il 555 sta all'elettronica come Arduino all'informatica! (entrambi loro malgrado)
Se volete risposte rispondete a tutte le mie domande
Plug it in - it works better!
Il 555 sta all'elettronica come Arduino all'informatica! (entrambi loro malgrado)
Se volete risposte rispondete a tutte le mie domande
0
voti
RenzoDF ha scritto:Da dove arriva quel problema?
Se intendi dove ho preso l'esercizio, appartiene ad un vecchio compito d'esame.
IsidoroKZ ha scritto:Quanto vale la corrente attraverso R1? Kirchhoff e` tuo amico!
Detto diversamente, una corrente che va in giro per il circuito deve sempre tornare indietro e "richiudersi".
Ti basta come suggerimento?
Se facciamo la LKC al nodo di sinistra di R1, dovremmo ottenere
, giusto?0
voti
Suddividiamo le due parti del circuito in questo modo
e dimentichiamoci di che cosa c'e` nei due cerchi rossi (potrebbe esserci qualunque cosa): quanta corrente passa in R1?
e dimentichiamoci di che cosa c'e` nei due cerchi rossi (potrebbe esserci qualunque cosa): quanta corrente passa in R1?
Per usare proficuamente un simulatore, bisogna sapere molta più elettronica di lui
Plug it in - it works better!
Il 555 sta all'elettronica come Arduino all'informatica! (entrambi loro malgrado)
Se volete risposte rispondete a tutte le mie domande
Plug it in - it works better!
Il 555 sta all'elettronica come Arduino all'informatica! (entrambi loro malgrado)
Se volete risposte rispondete a tutte le mie domande
0
voti
Proprio cosi`: non passa corrente e non ha effetto nel ciruito, quindi la puoi anche levare.
Per usare proficuamente un simulatore, bisogna sapere molta più elettronica di lui
Plug it in - it works better!
Il 555 sta all'elettronica come Arduino all'informatica! (entrambi loro malgrado)
Se volete risposte rispondete a tutte le mie domande
Plug it in - it works better!
Il 555 sta all'elettronica come Arduino all'informatica! (entrambi loro malgrado)
Se volete risposte rispondete a tutte le mie domande
0
voti
IsidoroKZ ha scritto:Proprio cosi`: non passa corrente e non ha effetto nel ciruito, quindi la puoi anche levare.
Capisco, ora è tutto chiaro. Ho fatto esercizi simili in cui al posto del resistore R1 c'era un cortocircuito, e in quel caso appunto andavo a trascurare il fatto che ci fosse perché non influenzava ciò che accadeva. Vedere una resistenza mi ha fatto confondere un po'.
Grazie per l'aiuto.
0
voti
... al posto del resistore R1 c'era un cortocircuito...
beh, un cortocircuito puoi considerarlo come un resistore con resistenza nulla quindi ci passerebbe tutta la corrente disponibile e se non passa corrente in un cortocircuito a maggior ragione non ne passa in un resistore di qualsivoglia valore messo al posto del cortocircuito.
"Non farei mai parte di un club che accettasse la mia iscrizione" (G. Marx)
-

claudiocedrone
21,3k 4 7 9 - Master EY

- Messaggi: 15302
- Iscritto il: 18 gen 2012, 13:36
0
voti
Hai perfettamente ragione, presterò più attenzione d'ora in avanti!
15 messaggi
• Pagina 1 di 2 • 1, 2
Chi c’è in linea
Visitano il forum: Nessuno e 310 ospiti

Elettrotecnica e non solo (admin)
Un gatto tra gli elettroni (IsidoroKZ)
Esperienza e simulazioni (g.schgor)
Moleskine di un idraulico (RenzoDF)
Il Blog di ElectroYou (webmaster)
Idee microcontrollate (TardoFreak)
PICcoli grandi PICMicro (Paolino)
Il blog elettrico di carloc (carloc)
DirtEYblooog (dirtydeeds)
Di tutto... un po' (jordan20)
AK47 (lillo)
Esperienze elettroniche (marco438)
Telecomunicazioni musicali (clavicordo)
Automazione ed Elettronica (gustavo)
Direttive per la sicurezza (ErnestoCappelletti)
EYnfo dall'Alaska (mir)
Apriamo il quadro! (attilio)
H7-25 (asdf)
Passione Elettrica (massimob)
Elettroni a spasso (guidob)
Bloguerra (guerra)





