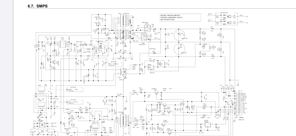
Buonasera chiedo il vostro aiuto per un alimentatore switching tipo flyback che alimenta un sistema audio CD/MP3 della Samsung.
Si accende ma dalle casse non esce alcun suono, per cui dopo un controllo schema elettrico alla mano, il problema sta nella mancanza della +21volt e -21 volt, le altre tensioni sono ok, infatti il display si accende.
La prima cosa che ho fatto è verificare la tensione ai capi del condensatore dopo il ponte a diodi e i 320 volt circa ci sono. Ho controllato i diodi, il mosfet che fa da interruttore ed è tutto ok.
la tensione di alimentazione ai capi del PWM controller (ICE2QS03 nello schema ICA801) ed è a zero volt.
Ho controllato e cambiato l’optoisolatore che non mi convinceva e i condensatori elettrolitici di uscita CA824 e CA825, ma non ho risolto.
Ho sostituito i condensatori CM811 e CM803, ma niente da fare.
A questo punto ho seguito lo schema elettrico dal Vcc del PWM e ho controllato resistenze, condensatori, diodi e il transistor TRM811 e sembra tutto ok, ho controllato anche che non ci siano corti netti tra il Vcc e gnd del PWM e nei componenti vicini, ma niente sembra tutto corretto.
Queste tutte le tensioni rilevate sul connettore CNM802:
tra pin 1 +PVDD (21V) e GND_AMP pin 3 = 0 volt
tra pin 7 -5V e GND_MAIN pin 8 =-5 volt (con scheda smps collegata e dispositivo acceso)
tra pin 9 +5,8 V e GND_MAIN pin 8 = +5,6 volt (con scheda collegata e dispositivo acceso)
tra pin 10 +5,8 VS e GND_MAIN pin 8 = 5,6 volt (nello schema è 5,8 v ma nel PCB è stampigliato 5,6 volt, quindi ok)
tra pin 11 P_ON e GND_MAIN pin 8 = 4 volt
tra pin 13 +VFD e GND_MAIN pin 8 = 0 volt
tra pin 14 -VFD e GND_MAIN pin 8 = -15,5 volt
tra pin 15 -VP e GND_MAIN pin 8 = -19 volt
Ho misurato tra pin 3 e 4 di IC822S in stand by ci sono 54 volt, che si azzerano una volta acceso.
Tra il pin 4 e GND_M sul connettore ci sono -5 volt in stand by e -6 volt acceso
Problema alimentatore switching Samsung MM-E330
1 messaggio
• Pagina 1 di 1
1 messaggio
• Pagina 1 di 1
Torna a Costruzione, riparazione, riutilizzo
Chi c’è in linea
Visitano il forum: Nessuno e 46 ospiti

Elettrotecnica e non solo (admin)
Un gatto tra gli elettroni (IsidoroKZ)
Esperienza e simulazioni (g.schgor)
Moleskine di un idraulico (RenzoDF)
Il Blog di ElectroYou (webmaster)
Idee microcontrollate (TardoFreak)
PICcoli grandi PICMicro (Paolino)
Il blog elettrico di carloc (carloc)
DirtEYblooog (dirtydeeds)
Di tutto... un po' (jordan20)
AK47 (lillo)
Esperienze elettroniche (marco438)
Telecomunicazioni musicali (clavicordo)
Automazione ed Elettronica (gustavo)
Direttive per la sicurezza (ErnestoCappelletti)
EYnfo dall'Alaska (mir)
Apriamo il quadro! (attilio)
H7-25 (asdf)
Passione Elettrica (massimob)
Elettroni a spasso (guidob)
Bloguerra (guerra)