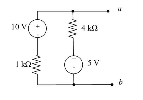
Ciao ragazzi , mi sto interfacciando da poco al mondo dell'elettrotecnica , e sto svolgendo alcuni esercizi , in particolare sul teorema di Thevenin . Il mio dubbio non è tanto su Thevenin in sé, ma quanto più sulla disposizione di questi due circuiti che allego qui sotto:
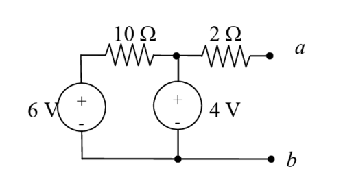
Mi viene appunto richiesto di applicare Thevenin ai morsetti a e b , quindi di trovare la tensione a vuoto . Lo svolgimento del primo circuito mi dice che per trovare la tensione a vuoto devo applicare il Teorema di Millman , in quanto ho due rami in parallelo , poi il calcolo è semplice e vengono 9V , poi si spengono i generatori e si calcola la resistenza totale, fin qui tutto bene . Nel secondo circuito , invece , la tensione a vuoto risulta 4V , che è quella del generatore appunto da 4V , il che significa che non viene preso in considerazione l'altro generatore , da 6V . Spegnendo i generatori , si crea quindi un corto circuito , e la resistenza totale è solo 2ohm .Quello che non capisco è la differenza tra il circuito sopra e quello sotto , o meglio , la disposizione mi sembra la stessa ,sicuramente la posizione della resistenza da 2 ohm fa qualche differenza , ma non riesco a capire quale . Io avrei agito come nel primo circuito , ma evidentemente è l'approccio sbagliato , potreste spiegarmi la differenza tra il primo e il secondo circuito , in particolare la differenza di avere la resistenza direttamente attaccata al morsetto o di averla su un' altro ramo? Spero di essere stato abbastanza chiaro, grazie in anticipo!
Thèvenin e disposizione circuito
Moderatori:
g.schgor,
IsidoroKZ
5 messaggi
• Pagina 1 di 1
0
voti
-1
voti
Quello che non capisco è la differenza tra il circuito sopra e quello sotto , o meglio , la disposizione mi sembra la stessa ,sicuramente la posizione della resistenza da 2 ohm fa qualche differenza , ma non riesco a capire quale .
Nel primo circuito le resistenze sono entrambe percorse da corrente nel calcolo della Vequival.
Nel secondo circuito la resistenza da 2 ohm non viene percorsa da corrente nel calcolo della tensione equivalente a vuoto.
Il secondo circuito è in un certo senso degenere, perché il generatore 6V è ininfluente.
..., Renzo mi ha preceduto. Saluti.
0
voti
Una osservazione: nel primo caso non devi necessariamente usare il teo di Millmann per trovare la tensione a vuoto (a meno che non te lo imponga l'esercizio), qualsiasi metodo va bene. Ad esempio a me piace usare la sovrapposizione degli effetti, considerando un solo generatore per volta e sommando i contributi.
Ma puoi anche trovare la tensione a vuoto usando il metodo dei potenziali ai nodi (qui hai un solo nodo), oppure le correnti di maglia (una sola maglia)... Ovviamente i risultati devono essere tutti uguali.
Nel secondo esercizio, usando la sovrapposizione degli effetti, si vede che quando si spegne il generatore da 4V, quello da 6V non da` contributo all'uscita.
I due circuiti sono topologicamente diversi. Sarebbero uguali (per l'eq. Thévenin) se nel secondo la resistenza da 10Ω fosse collegata a sinistra al generatore da 6V (come gia` e`), e a destra NON al generatore da 4V ma direttamente al nodo di uscita a.
Se per postare uno schema usi FidoCadJ, lo schema diventa editabile e si riesce a rispondere in modo piu` chiaro
Ma puoi anche trovare la tensione a vuoto usando il metodo dei potenziali ai nodi (qui hai un solo nodo), oppure le correnti di maglia (una sola maglia)... Ovviamente i risultati devono essere tutti uguali.
Nel secondo esercizio, usando la sovrapposizione degli effetti, si vede che quando si spegne il generatore da 4V, quello da 6V non da` contributo all'uscita.
I due circuiti sono topologicamente diversi. Sarebbero uguali (per l'eq. Thévenin) se nel secondo la resistenza da 10Ω fosse collegata a sinistra al generatore da 6V (come gia` e`), e a destra NON al generatore da 4V ma direttamente al nodo di uscita a.
Se per postare uno schema usi FidoCadJ, lo schema diventa editabile e si riesce a rispondere in modo piu` chiaro
Per usare proficuamente un simulatore, bisogna sapere molta più elettronica di lui
Plug it in - it works better!
Il 555 sta all'elettronica come Arduino all'informatica! (entrambi loro malgrado)
Se volete risposte rispondete a tutte le mie domande
Plug it in - it works better!
Il 555 sta all'elettronica come Arduino all'informatica! (entrambi loro malgrado)
Se volete risposte rispondete a tutte le mie domande
0
voti
Grazie a entrambi, ora mi è più chiaro , quindi in pratica il ramo con la resistenza da 2 ohm , è un circuito aperto , quindi li non scorre corrente , e di conseguenza la tensione a vuoto richiesta è quella tra i morsetti del generatore da 4 V , giusto?
0
voti

Per usare proficuamente un simulatore, bisogna sapere molta più elettronica di lui
Plug it in - it works better!
Il 555 sta all'elettronica come Arduino all'informatica! (entrambi loro malgrado)
Se volete risposte rispondete a tutte le mie domande
Plug it in - it works better!
Il 555 sta all'elettronica come Arduino all'informatica! (entrambi loro malgrado)
Se volete risposte rispondete a tutte le mie domande
5 messaggi
• Pagina 1 di 1
Torna a Elettrotecnica generale
Chi c’è in linea
Visitano il forum: Nessuno e 41 ospiti

Elettrotecnica e non solo (admin)
Un gatto tra gli elettroni (IsidoroKZ)
Esperienza e simulazioni (g.schgor)
Moleskine di un idraulico (RenzoDF)
Il Blog di ElectroYou (webmaster)
Idee microcontrollate (TardoFreak)
PICcoli grandi PICMicro (Paolino)
Il blog elettrico di carloc (carloc)
DirtEYblooog (dirtydeeds)
Di tutto... un po' (jordan20)
AK47 (lillo)
Esperienze elettroniche (marco438)
Telecomunicazioni musicali (clavicordo)
Automazione ed Elettronica (gustavo)
Direttive per la sicurezza (ErnestoCappelletti)
EYnfo dall'Alaska (mir)
Apriamo il quadro! (attilio)
H7-25 (asdf)
Passione Elettrica (massimob)
Elettroni a spasso (guidob)
Bloguerra (guerra)



