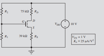
Non riesco a svolgere un esercizio: In una rete di polarizzazione a 4 resistori di un N-Mosfet, si modifichi il valore di R1 e R2 in modo che la corrente di polarizzazione sia pari a
, mantenendo inalterato il valore di 
Quanto vale Rth?
L'esercizio parla di Rth e Vth poiché sfrutta il Teorema di Thevenin alla rete di ingresso composta da R1 ed R2 tale che:


Purtroppo mi blocco all'inizio. Riesco a trovare una relazione su due che mi servono tramite la relazione trovata tramite Thevenin, poiché se
come da traccia, allora poiché VDD=10V
che si traduce in 
Per trovare entrambe le resistenze dovrei mettere a sistema questa equazione con un'altra, e non ho idea di come trovarla. Immagino bisogni passare per la Ids tramite l'equazione della caratteristica di uscita del Mosfet... Qualcuno puó aiutarmi? Grazie in anticipo!

Elettrotecnica e non solo (admin)
Un gatto tra gli elettroni (IsidoroKZ)
Esperienza e simulazioni (g.schgor)
Moleskine di un idraulico (RenzoDF)
Il Blog di ElectroYou (webmaster)
Idee microcontrollate (TardoFreak)
PICcoli grandi PICMicro (Paolino)
Il blog elettrico di carloc (carloc)
DirtEYblooog (dirtydeeds)
Di tutto... un po' (jordan20)
AK47 (lillo)
Esperienze elettroniche (marco438)
Telecomunicazioni musicali (clavicordo)
Automazione ed Elettronica (gustavo)
Direttive per la sicurezza (ErnestoCappelletti)
EYnfo dall'Alaska (mir)
Apriamo il quadro! (attilio)
H7-25 (asdf)
Passione Elettrica (massimob)
Elettroni a spasso (guidob)
Bloguerra (guerra)



e' la VR1 = 6V (posto il mosfet ideale - corrente di gate = 0) allora non ha nessuna importanza la corrente che circola in R1,R2.
) anche la corrente di source e drain e' fissata.
. Puoi mandare un sonoro accidenti da parte mia a chi ha scritto l'esercizio in quel modo!