Buonasera,
Ho inavvertitamente dato un colpo di cacciavite sul led OK (cerchiato in verde) del modulo in foto (step down con integrato lm2596 regolabile in tensione e corrente) che usavo per caricare la batteria dell'auto, ora non funziona più, se misuro la tensione in ingresso mi dà 0 V, come se ci fosse un corto da qualche parte, è possibile che aver rotto quel led dia questo problema? Come potrei risolvere?
Modulo LM2596 non funziona più
7 messaggi
• Pagina 1 di 1
0
voti
certamente ti è scoppiato qualcosa, o l'LM, o quell'altro integrato che si vede a fianco del corto che hai fatto, o qualche diodo.
difficile da dirsi.
difficile da dirsi.
-

lelerelele
4.899 3 7 9 - Master

- Messaggi: 5505
- Iscritto il: 8 giu 2011, 8:57
- Località: Reggio Emilia
0
voti
lelerelele ha scritto: quell'altro integrato che si vede a fianco del corto che hai fatto
è un OP-AMP si usa per creare il feedback di corrente per il funzionamento in CC, si interfaccia con il feedback di tensione mediante diodo. (a volte direttamente il led)
Dato il costo del modulo, butterei tutto e lo prendi nuovo.
Altrimenti devi armarti di tester e andare a cercare il corto. inizierei a scollegare il modulo dall'alimentatore e verificare che a modulo scollegato arrivi tensione

0
voti
ThEnGi ha scritto:è un OP-AMP si usa per creare il feedback di corrente per il funzionamento in CC, si interfaccia con il feedback di tensione mediante diodo. (a volte direttamente il led)
Che occhio.
mi fido a priori.
saluti.
-

lelerelele
4.899 3 7 9 - Master

- Messaggi: 5505
- Iscritto il: 8 giu 2011, 8:57
- Località: Reggio Emilia
0
voti
Non è occhio lo schema è sempre lo stesso
dannati cinesi
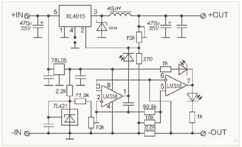
Dovrebbe essere simile a questo lo schema, un utilizzo un po' improprio del pin di feedback.
Solitamente uno dei potenziometri semplicemente regola la corrente d'intervento del secondo op-amp per accendere il led a carica finita, non influenza il circuito.
Se dovessi tirare ad indovinare è il potenziometro centrale che sostituisce la resistenza da 90.9k del mio schema andandosi però a collegare direttamente al TL431

Dovrebbe essere simile a questo lo schema, un utilizzo un po' improprio del pin di feedback.
Solitamente uno dei potenziometri semplicemente regola la corrente d'intervento del secondo op-amp per accendere il led a carica finita, non influenza il circuito.
Se dovessi tirare ad indovinare è il potenziometro centrale che sostituisce la resistenza da 90.9k del mio schema andandosi però a collegare direttamente al TL431

0
voti
ThEnGi ha scritto:Non è occhio lo schema è sempre lo stessodannati cinesi
![]()

ovviamente scherzavo.
-

lelerelele
4.899 3 7 9 - Master

- Messaggi: 5505
- Iscritto il: 8 giu 2011, 8:57
- Località: Reggio Emilia
0
voti
Grazie delle risposte,
si, ne ho presi altri due ma ci sono rimasto malissimo per questo perché funzionava, gli volevo mettere un voltmetro per non dovermi portare dietro il multimetro quando dovevo cambiare la tensione, gli ho inavvertitamente dato una "coltellata" (cercavo di creare una sede per il voltmetro), facendo saltare il led che ho cerchiato, e da allora non ha funzionato più, per questo lo vorrei riparare...
si, ne ho presi altri due ma ci sono rimasto malissimo per questo perché funzionava, gli volevo mettere un voltmetro per non dovermi portare dietro il multimetro quando dovevo cambiare la tensione, gli ho inavvertitamente dato una "coltellata" (cercavo di creare una sede per il voltmetro), facendo saltare il led che ho cerchiato, e da allora non ha funzionato più, per questo lo vorrei riparare...
7 messaggi
• Pagina 1 di 1
Torna a Costruzione, riparazione, riutilizzo
Chi c’è in linea
Visitano il forum: Nessuno e 44 ospiti

Elettrotecnica e non solo (admin)
Un gatto tra gli elettroni (IsidoroKZ)
Esperienza e simulazioni (g.schgor)
Moleskine di un idraulico (RenzoDF)
Il Blog di ElectroYou (webmaster)
Idee microcontrollate (TardoFreak)
PICcoli grandi PICMicro (Paolino)
Il blog elettrico di carloc (carloc)
DirtEYblooog (dirtydeeds)
Di tutto... un po' (jordan20)
AK47 (lillo)
Esperienze elettroniche (marco438)
Telecomunicazioni musicali (clavicordo)
Automazione ed Elettronica (gustavo)
Direttive per la sicurezza (ErnestoCappelletti)
EYnfo dall'Alaska (mir)
Apriamo il quadro! (attilio)
H7-25 (asdf)
Passione Elettrica (massimob)
Elettroni a spasso (guidob)
Bloguerra (guerra)


