Buon pomeriggio a tutti.
Situazione attuale:
A valle del contatore ( contratto da 3 kW ) Quadro Generale con IMT differenziale tipo AC da 20A per tutta l'abitazione, e un altro IMT differenziale tipo AC da 20A per il fotovoltaico. Tralasciando la parte del fotovoltaico ( linea dedicata a sè stante ), la linea si divide verso la cantina ( cavo FROR 3G2,5 con IMT da 10A all'entrata del locale), e verso l'appartamento. Il montante con due cordini da 6mmq è in parte sotto traccia in comune con altri montanti, in parte in canalina esterna plastica.
Nell'appartamento il Quadro Abitazione prevede un IMT generale da 25A con in cascata le protezioni suddivise per luci, prese , condizionatore, ecc.. Due di queste sono IMT + diff. da 16A per le prese cucina e IMT + diff da 10A per le luci, entrambi classe AC.
Siccome è capitato alcune volte che saltasse il differenziale del Quadro Generale con la scocciatura di dover scendere per riattivarlo , vorrei modificare i collegamenti in questo modo:
1) Nel Quadro generale metterei IMT da 25A;
2) Sostituzione della protezione in cantina con IMT+ diff. da 10A;
3) Nel Quadro abitazione IMT da Differenziale puro da 25A classe A con in cascata IMT da 16A per le prese; in parallelo al differenziale puro un IMT + diff classe AC da 10A per le luci.
I due quadri e la canalina dei montanti sono in plastica.
Pensate sia fattibile? Grazie
Modifica protezione montante
Moderatori:
sebago,
MASSIMO-G,
lillo,
Mike
28 messaggi
• Pagina 1 di 3 • 1, 2, 3
0
voti
Scusate, mi sono accorto di aver descritto male il punto 3 che vado a riscrivere:
3) Nel Quadro abitazione IMT da 16A con in cascata Differenziale puro da 25A classe A per le prese; in parallelo al magnetotermico da 16 A metto un IMT + diff classe AC da 10A per le luci.
Attendo consigli, grazie
3) Nel Quadro abitazione IMT da 16A con in cascata Differenziale puro da 25A classe A per le prese; in parallelo al magnetotermico da 16 A metto un IMT + diff classe AC da 10A per le luci.
Attendo consigli, grazie
0
voti
A valle del differenziale puro restano 3 IMT da un modulo per prese cucina, prese bagno e condizionatore.
0
voti
Nell'ordine:
IMT generale quadro da 25A;
IMTDiff da 16A generale prese bagno, cucina, clima;
IMT 16A prese cucina;
IMT 16A prese bagno;
IMT 10A clima;
IMTDiff da 10A generale prese camere e luci.
IMT generale quadro da 25A;
IMTDiff da 16A generale prese bagno, cucina, clima;
IMT 16A prese cucina;
IMT 16A prese bagno;
IMT 10A clima;
IMTDiff da 10A generale prese camere e luci.
0
voti
Si potrebbe pensare ad una cosa del genere:
0
voti
Gizeta ha scritto: Il montante con due cordini da 6mmq è in parte sotto traccia in comune con altri montanti
il problema è questo
casomai sipotrebbe sosituire il il magnetotermico-differenziale C20 a protezione del montante con un selettivo (Gewiss li produce anche in due moduli)
sai se il magnetotermico-differenziale è intervenuto per sovraccarico o per guasto a terra?
-

SediciAmpere
4.187 5 5 8 - Master

- Messaggi: 4848
- Iscritto il: 31 ott 2013, 15:00
1
voti
L'ultimo intervento del IMTDiff a valle del contatore è stato causato da un guasto a terra di un vecchio tostapane poi sostituito. L'idea di fondo è proprio quella di togliere il differenziale alla base del montante per eliminare le scocciature di dover uscire dall'appartamento per andare a riarmarlo.
0
voti
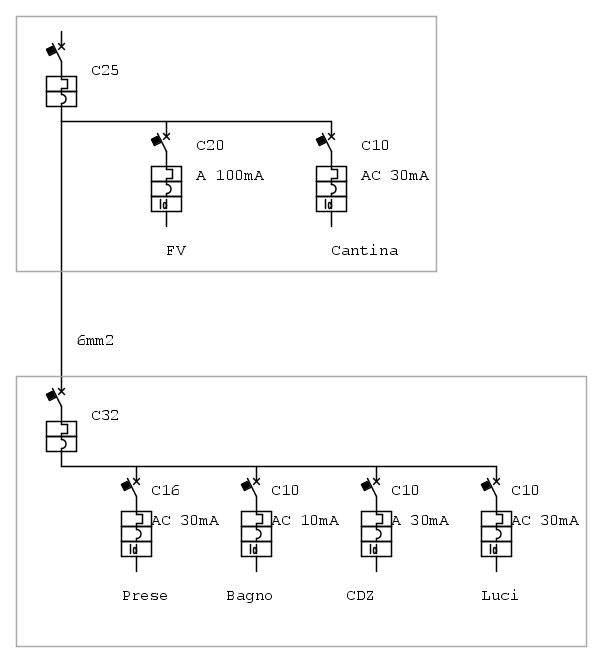
Avrei pensato di realizzare la configurazione che allego come immagine:
Quadro dopo il contatore con IMT C25 generale casa , IMTD 20A AC 0,3A per il fotovoltaico ( linea a sé stante );
Dal quadro un cavo FROR 3G2,5 (circa 10 metri ) verso la cantina. All'entrata del locale IMTD 10A AC 0,03A
Sempre dal quadro esce anche una coppia di cordini da 6 mmq verso l'appartamento;
Nel quadro appartamento un IMT generale C25 che comanda la linea verso le prese di bagno e cucina protetta da IMTD 16A classe A 0,03A con in cascata due IMT da 16A e 10A per le prese e il clima.
Sempre a valle del generale quadro un'altra linea con IMT da 10A con sotto un differenziale puro 25A classe A 0,03A per le luci e le prese delle camere.
I due IMT da 25A hanno potere di interruzione di 6000A
Il differenziale puro classe A e il secondo IMT da 25A sono già in mio possesso, quindi zero spese; e in questo modo non ho nessun differenziale nel quadro dal contatore.
Rispetto alla soluzione attuale perdo la divisione tra le prese bagno e cucina, ma preferisco lasciare un modulo libero nel quadro appartamento tanto sia la caldaia che la lavastoviglie hanno già il loro bipolare in una scatola 503 del bagno.
Cosa ne pensate?
Grazie
Quadro dopo il contatore con IMT C25 generale casa , IMTD 20A AC 0,3A per il fotovoltaico ( linea a sé stante );
Dal quadro un cavo FROR 3G2,5 (circa 10 metri ) verso la cantina. All'entrata del locale IMTD 10A AC 0,03A
Sempre dal quadro esce anche una coppia di cordini da 6 mmq verso l'appartamento;
Nel quadro appartamento un IMT generale C25 che comanda la linea verso le prese di bagno e cucina protetta da IMTD 16A classe A 0,03A con in cascata due IMT da 16A e 10A per le prese e il clima.
Sempre a valle del generale quadro un'altra linea con IMT da 10A con sotto un differenziale puro 25A classe A 0,03A per le luci e le prese delle camere.
I due IMT da 25A hanno potere di interruzione di 6000A
Il differenziale puro classe A e il secondo IMT da 25A sono già in mio possesso, quindi zero spese; e in questo modo non ho nessun differenziale nel quadro dal contatore.
Rispetto alla soluzione attuale perdo la divisione tra le prese bagno e cucina, ma preferisco lasciare un modulo libero nel quadro appartamento tanto sia la caldaia che la lavastoviglie hanno già il loro bipolare in una scatola 503 del bagno.
Cosa ne pensate?
Grazie
28 messaggi
• Pagina 1 di 3 • 1, 2, 3
Torna a Impianti, sicurezza e quadristica
Chi c’è in linea
Visitano il forum: Google [Bot] e 287 ospiti

Elettrotecnica e non solo (admin)
Un gatto tra gli elettroni (IsidoroKZ)
Esperienza e simulazioni (g.schgor)
Moleskine di un idraulico (RenzoDF)
Il Blog di ElectroYou (webmaster)
Idee microcontrollate (TardoFreak)
PICcoli grandi PICMicro (Paolino)
Il blog elettrico di carloc (carloc)
DirtEYblooog (dirtydeeds)
Di tutto... un po' (jordan20)
AK47 (lillo)
Esperienze elettroniche (marco438)
Telecomunicazioni musicali (clavicordo)
Automazione ed Elettronica (gustavo)
Direttive per la sicurezza (ErnestoCappelletti)
EYnfo dall'Alaska (mir)
Apriamo il quadro! (attilio)
H7-25 (asdf)
Passione Elettrica (massimob)
Elettroni a spasso (guidob)
Bloguerra (guerra)


