Ciao a tutti mi sono capitati per le mani un paio di alimentatori switching 220VAC/24VDC 6.25A.
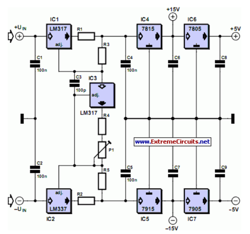
Vorrei sfruttarli per costruirmi un alimentatore duale regolabile e pensavo di usarli per alimentare un circuito composto da regolatori Lm317 e Lm337 in questo modo:
Secondo voi ci sono accortezze particolari che devo prendere in considerazione?
Posso procedere senza problemi?
Alimentatore regolabile con switching
Moderatori:
carloc,
g.schgor,
BrunoValente,
IsidoroKZ
12 messaggi
• Pagina 1 di 2 • 1, 2
0
voti
Non vedo controindicazioni, segui le solite regole per evitare che gli LM possano oscillare e metti i diodi di protezione collegandoli come previsto nel datasheet.
Ovviamente gli LM non ti consentiranno di sfruttare tutta la corrente degli sw in tutte le condizioni: con tensioni di uscita basse potrai arrivare al massimo dalle parti di 1.5A, se cercherai di prelevare correnti più alte interverrà la protezione termica interna e la tensione sul carico smetterà di essere regolata e calerà.
Utilizzando lo schema di base gli LM ti consentono di scendere con la tensione di uscita fino ad un minimo di 1.25V, se ti interessa scendere fino a 0V posso suggerirti dei semplici trucchetti.
Ti consiglio vivamente di acquistare gli LM da fornitori affidabili tipo RS, T.M.E. o simili, quelli cinesi di AliExpress o Ebay nella maggior parte dei casi spediscono scarti di produzione non funzionanti.
Ovviamente gli LM non ti consentiranno di sfruttare tutta la corrente degli sw in tutte le condizioni: con tensioni di uscita basse potrai arrivare al massimo dalle parti di 1.5A, se cercherai di prelevare correnti più alte interverrà la protezione termica interna e la tensione sul carico smetterà di essere regolata e calerà.
Utilizzando lo schema di base gli LM ti consentono di scendere con la tensione di uscita fino ad un minimo di 1.25V, se ti interessa scendere fino a 0V posso suggerirti dei semplici trucchetti.
Ti consiglio vivamente di acquistare gli LM da fornitori affidabili tipo RS, T.M.E. o simili, quelli cinesi di AliExpress o Ebay nella maggior parte dei casi spediscono scarti di produzione non funzionanti.
-

BrunoValente
39,6k 7 11 13 - G.Master EY

- Messaggi: 7796
- Iscritto il: 8 mag 2007, 14:48
0
voti
Premesso che non amo gli alimentatori regolabili con LM317/337: non mi piace che il regolatore fornisca oltre 1 A senza alcun tipo di limitazione. Segnalo questo articolo che presenta un limitatore di corrente duale da usare con (ma non solo) regolatori a 3 terminali. Al posto dei 7x15 andranno montati gli LM317/337 con relativo circuito ed eliminati i 7x05
0
voti
edgar ha scritto:Segnalo questo articolo che presenta un limitatore di corrente duale...
Non è sempre oro quello che luccica: credo che con una tensione duale di 25+25V in ingresso all'alimentatore succede che IC3 si ritrovi con più di 40V tra ingresso e uscita e mi pare che l'LM317 non sia in grado di lavorare correttamente con più di 40V tra ingresso e uscita.
-

BrunoValente
39,6k 7 11 13 - G.Master EY

- Messaggi: 7796
- Iscritto il: 8 mag 2007, 14:48
0
voti
Ringrazio tutti per gli interventi.
Il circuito che avevo in mente prevede dei regolatori in parallelo per aumentare la corrente a disposizione e con regolazione sia in corrente che in tensione, schema rubato da un datasheet:
Tral'altro questo già prevede la possibilità di arrivare a corrente 0 e tensione 0 ma a me non importa e quindi tolgo Q1,Q2,D1,D2 e metterò più regolatori in parallelo
Il circuito che avevo in mente prevede dei regolatori in parallelo per aumentare la corrente a disposizione e con regolazione sia in corrente che in tensione, schema rubato da un datasheet:
Tral'altro questo già prevede la possibilità di arrivare a corrente 0 e tensione 0 ma a me non importa e quindi tolgo Q1,Q2,D1,D2 e metterò più regolatori in parallelo
0
voti
wimatech ha scritto:Il circuito che avevo in mente prevede dei regolatori in parallelo per aumentare la corrente a disposizione
L'uso di regolatori in parallelo è un operazione sconsigliata se non con artifizi atti a garantire la corretta distribuzione del carico. Una soluzione che personalmente sconsiglio
Se hai bisogno di più corrente è meglio usare dei transistor in "parallelo" al regolatore e lasciare che siano loro a gestire la potenza in eccesso.
Tieni conto che sei in lineare perciò la potenza dissipata è tanta

0
voti
Se togli Q1 non hai più la possibilità di regolare la correntewimatech ha scritto:..questo già prevede la possibilità di arrivare a corrente 0 e tensione 0 ma a me non importa e quindi tolgo Q1,Q2,D1,D2..
-

BrunoValente
39,6k 7 11 13 - G.Master EY

- Messaggi: 7796
- Iscritto il: 8 mag 2007, 14:48
0
voti
ThEnGi ha scritto:L'uso di regolatori in parallelo è un operazione sconsigliata se non con artifizi atti a garantire la corretta distribuzione del carico.
In realtà con i regolatori protetti termicamente all'interno si può fare senza ricorrere ad alcuna precauzione, è una soluzione che ho sperimentato personalmente cablando ben dodici LM317 in parallelo senza riscontrare problemi.
Parallelando brutalmente due regolatori, a causa delle differenze costruttive, succede che la corrente complessiva non si distribuisce equamente tra i due scorrendo quasi tutta nel regolatore con tensione di riferimento più alta ma la regolazione va comunque a buon fine perché il regolatore con tensione di riferimento più alta prevale e si assume l'onere della regolazione.
Se invece la corrente complessiva è maggiore di quella sopportabile da ciascuno dei regolatori succede che il regolatore che ha la tensione di riferimento più alta scalda di più dell'altro fino ad andare in protezione termica ma quando la protezione termica interviene succede che la corrente si riduce e questo provoca un bilanciamento delle correnti che consente di utilizzare il parallelo dei due regolatori fino ad un valore di corrente pari al doppio di quello della corrente massima di ciascuno.
Stessa cosa succede quando i regolatori in parallelo sono più di due.
-

BrunoValente
39,6k 7 11 13 - G.Master EY

- Messaggi: 7796
- Iscritto il: 8 mag 2007, 14:48
12 messaggi
• Pagina 1 di 2 • 1, 2
Chi c’è in linea
Visitano il forum: Google Adsense [Bot] e 41 ospiti

Elettrotecnica e non solo (admin)
Un gatto tra gli elettroni (IsidoroKZ)
Esperienza e simulazioni (g.schgor)
Moleskine di un idraulico (RenzoDF)
Il Blog di ElectroYou (webmaster)
Idee microcontrollate (TardoFreak)
PICcoli grandi PICMicro (Paolino)
Il blog elettrico di carloc (carloc)
DirtEYblooog (dirtydeeds)
Di tutto... un po' (jordan20)
AK47 (lillo)
Esperienze elettroniche (marco438)
Telecomunicazioni musicali (clavicordo)
Automazione ed Elettronica (gustavo)
Direttive per la sicurezza (ErnestoCappelletti)
EYnfo dall'Alaska (mir)
Apriamo il quadro! (attilio)
H7-25 (asdf)
Passione Elettrica (massimob)
Elettroni a spasso (guidob)
Bloguerra (guerra)





