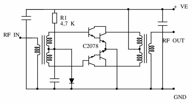
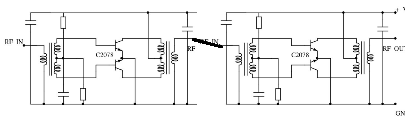
buongiorno,avrei trovato questo lineare definto push-pull di classe AB,di relativa poca potenza ,credo di non oltre i 5 watt, dato che vorrei maggiorarlo in modo "esponenziale"avrei fatto la prova a mettere 4 transistor in cascata come nell'immagine ma non ha funzionato, avrei dovuto cambiare il valore di R1? invece un sistema con un altro lineare uguale in serie al primo come nell'altra immagine funzionerebbe?
oppure mettere dei mosfet al posto dei 2 C2078 ?
non ho idea,..
vorrei rimanere in una configurazione minimalista
Potenziare lineare semplice
Moderatore:
jordan20
13 messaggi
• Pagina 1 di 2 • 1, 2
0
voti
pino81 ha scritto:buongiorno,avrei trovato questo lineare definto push-pull di classe AB,di relativa poca potenza ,credo di non oltre i 5 watt, dato che vorrei maggiorarlo in modo "esponenziale"
Ma intendi come potenza in uscita o come guadagno ?

0
voti
Lo sai, vero, che il sistema piu semplice e' alzare l'antenna ? 
"Sopravvivere" e' attualmente l'unico lusso che la maggior parte dei Cittadini italiani,
sia pure a costo di enormi sacrifici, riesce ancora a permettersi.
sia pure a costo di enormi sacrifici, riesce ancora a permettersi.
-

Etemenanki
9.507 3 6 10 - Master

- Messaggi: 5938
- Iscritto il: 2 apr 2021, 23:42
- Località: Dalle parti di un grande lago ... :)
0
voti
Ma 5W non sono sufficienti anche per grandi distanze?
Ovviamente, dipende soprattutto dalla gamma e dal tipo di emissione elettromagnetica
Tuttavia, se (come al solito) bisogna tirare fuori con le pinze, un cincinino alla volta, le informazioni di dettaglio (che influenzano molto le eventuali risposte), allora aspettiamo che i "segreti" vengano svelati
Ovviamente, dipende soprattutto dalla gamma e dal tipo di emissione elettromagnetica
Tuttavia, se (come al solito) bisogna tirare fuori con le pinze, un cincinino alla volta, le informazioni di dettaglio (che influenzano molto le eventuali risposte), allora aspettiamo che i "segreti" vengano svelati
0
voti
buongiorno, si tratta di kHz e l'antenna sarebbe eccessiva anche a 1/4 lambda,ed anche quando bisogna dare più potenza,anche perché non tutti i ricevitori hanno antenne efficienti.
ammettiamo un target di 100 watt, ma se di più che ben venga... vorrei capire se ci sia un modo semplice per ottenere una potenza simile
ammettiamo un target di 100 watt, ma se di più che ben venga... vorrei capire se ci sia un modo semplice per ottenere una potenza simile
Ultima modifica di
pino81 il 22 ago 2024, 12:43, modificato 1 volta in totale.
1
voti
kHz .... per curiosità, che range di frequenze e qual'é lo scopo ?
K
K
-

Kagliostro
6.396 4 5 7 - Master

- Messaggi: 4830
- Iscritto il: 19 set 2012, 11:32
0
voti
Avevo risposto, ma mi si è cancellato. Provo a ripetermi.
Ti chiedevo di essere più chiaro e di spendere qualche parola in più nella descrizione della richiesta.
E' una frequenza che va oltre l'audio e quindi supera i 20 kHz ?
Non puoi dire la frequenza precisa?
Ti chiedevo di essere più chiaro e di spendere qualche parola in più nella descrizione della richiesta.
E' una frequenza che va oltre l'audio e quindi supera i 20 kHz ?
Non puoi dire la frequenza precisa?
Alex
https://www.facebook.com/Elettronicaeelettrotecnica
<< vedi di pigliare arditamente in mano, il dizionario che ti suona in bocca,
se non altro è schietto e paesano.
(Giuseppe Giusti) <<
https://www.facebook.com/Elettronicaeelettrotecnica
<< vedi di pigliare arditamente in mano, il dizionario che ti suona in bocca,
se non altro è schietto e paesano.
(Giuseppe Giusti) <<
1
voti
E' un lineare per i 27 MHz ? AM e SSB ?
Hai già provato il modulo base? con un carico fittizio 50 ohm ?
Magari due resistenze da 120 ohm 1 W in parallelo, con in parallelo una vecchia lampadina a goccia 12 V 100 mA recuperata da "luminaria albero di Natale " usata come indicatore della potenza in uscita.
Mi pare che potenze output maggiori di 4 W siano illegali.
Per aumentare la portata, migliora l'antenna.
Hai già provato il modulo base? con un carico fittizio 50 ohm ?
Magari due resistenze da 120 ohm 1 W in parallelo, con in parallelo una vecchia lampadina a goccia 12 V 100 mA recuperata da "luminaria albero di Natale " usata come indicatore della potenza in uscita.
Mi pare che potenze output maggiori di 4 W siano illegali.
Per aumentare la portata, migliora l'antenna.
0
voti
pino81 ha scritto:buongiorno, si tratta di kHz [.....]ammettiamo un target di 100 watt, ma se di più che ben venga... vorrei capire se ci sia un modo semplice per ottenere una potenza simile
Riguardo la potenza, ti hanno già risposto
Per quanto riguarda la gamma di frequenza (kHz), siamo nella banda VLF, mi risulta che sia un segnale che arriva molto lontano per le riflessioni nella ionosfera e quindi serva solo avere una buona antenna
Quindi: a che scopo ti serve fare questa trasmissione? Da dove e dove deve arrivare questa trasmissione?
13 messaggi
• Pagina 1 di 2 • 1, 2
Chi c’è in linea
Visitano il forum: Nessuno e 9 ospiti

Elettrotecnica e non solo (admin)
Un gatto tra gli elettroni (IsidoroKZ)
Esperienza e simulazioni (g.schgor)
Moleskine di un idraulico (RenzoDF)
Il Blog di ElectroYou (webmaster)
Idee microcontrollate (TardoFreak)
PICcoli grandi PICMicro (Paolino)
Il blog elettrico di carloc (carloc)
DirtEYblooog (dirtydeeds)
Di tutto... un po' (jordan20)
AK47 (lillo)
Esperienze elettroniche (marco438)
Telecomunicazioni musicali (clavicordo)
Automazione ed Elettronica (gustavo)
Direttive per la sicurezza (ErnestoCappelletti)
EYnfo dall'Alaska (mir)
Apriamo il quadro! (attilio)
H7-25 (asdf)
Passione Elettrica (massimob)
Elettroni a spasso (guidob)
Bloguerra (guerra)







