Posizionamento DDI esterno
Moderatori:
sebago,
mario_maggi
13 messaggi
• Pagina 1 di 2 • 1, 2
0
voti
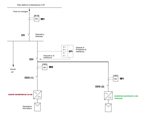
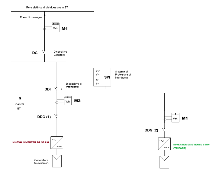
Buona sera a tutti, vorrei porvi un quesito in merito al posizionamento del DDI esterno (contattore onnipolare AC-3) per un impianto fv avente potenza maggiore 11,08 kW. In genere, il contattore esterno asservito alla protezione interfaccia esterna viene montato "a valle" (considerando "monte" il lato rete) del contatore di produzione M2 (allego schema elettrico unifilare). Osservando gli schemi unifilari standard contenuti nella CEI 82-25 noto che il DDI esterno viene invece montato "a monte" del contatore di produzione M2 (allego schema unifilare). Vi chiedo, dunque, se cambia qualcosa da un punto di visto tecnico relativamente al funzionamento generale dell'impianto fv e se è possibile adottare entrambe lo soluzioni impiantistiche indifferentemente senza che ci siano problemi da parte del gestore di rete per l'allaccio dell'impianto.
0
voti
Nn so rispondere nel dettaglio, ho visto entrambe le tipologie di impianti.
Posso dirti però che il contatore di produzione nn verrà più installato per quelle taglie di impianti a meno di casi particolari.
…aggiungo… la cei 0-21 nn da nessun dettaglio in merito?
Posso dirti però che il contatore di produzione nn verrà più installato per quelle taglie di impianti a meno di casi particolari.
…aggiungo… la cei 0-21 nn da nessun dettaglio in merito?
0
voti
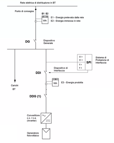
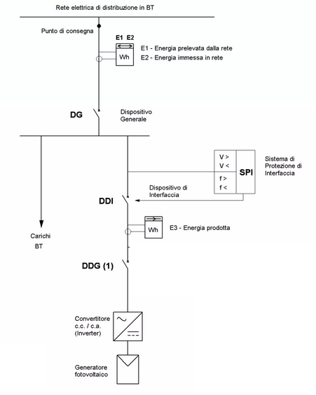
8.2.2.2 Schemi impiegabili
Il DDI può coincidere con il DDG se non ci sono carichi privilegiati.
8.2.2.3 Dispositivi ammessi in funzione di DDI
Il dispositivo di interfaccia deve essere costituito da:
-
-
-
8.2.3.3 Dispositivi ammessi in funzione di DDG
Il DDG, in ogni caso, deve essere in grado di interrompere le correnti di guasto fornite dal
generatore stesso. Se coincidente con DG o con DDI, deve, inoltre, avere almeno le medesime
caratteristiche del DG o del DDI.
ecc...
0
voti
Buonasera, ho una perplessità sullo schema da adottare nel caso in cui abbia un impianto esistente da 6 kW (inverter trifase) in SSP dotato di un proprio contatore M2 che verrà ampliato aggiungendo nuovi pannelli e un nuovo inverter da 30 kW in RID (verrà installato un nuovo contatore M2 relativo a questa nuova sezione d'impianto).
E' corretto ipotizzare che il DDI esterno sia comune ad entrambe le sezioni d'impianto (comandato da un'unica SPI esterna) e venga montato "a monte" di entrambi i contatori di produzione come mostrato in figura?
E' corretto ipotizzare che il DDI esterno sia comune ad entrambe le sezioni d'impianto (comandato da un'unica SPI esterna) e venga montato "a monte" di entrambi i contatori di produzione come mostrato in figura?
13 messaggi
• Pagina 1 di 2 • 1, 2
Torna a Energia e qualità dell'energia
Chi c’è in linea
Visitano il forum: Nessuno e 10 ospiti

Elettrotecnica e non solo (admin)
Un gatto tra gli elettroni (IsidoroKZ)
Esperienza e simulazioni (g.schgor)
Moleskine di un idraulico (RenzoDF)
Il Blog di ElectroYou (webmaster)
Idee microcontrollate (TardoFreak)
PICcoli grandi PICMicro (Paolino)
Il blog elettrico di carloc (carloc)
DirtEYblooog (dirtydeeds)
Di tutto... un po' (jordan20)
AK47 (lillo)
Esperienze elettroniche (marco438)
Telecomunicazioni musicali (clavicordo)
Automazione ed Elettronica (gustavo)
Direttive per la sicurezza (ErnestoCappelletti)
EYnfo dall'Alaska (mir)
Apriamo il quadro! (attilio)
H7-25 (asdf)
Passione Elettrica (massimob)
Elettroni a spasso (guidob)
Bloguerra (guerra)




