Salve a tutti,
mi hanno regalato 4 pacchi batterie seminuovi PowerPlus 20V-2A ( già questa tensione non multipla dei singoli elementi li-ion mi fa strano... ma tralasciamola per il momento ).
Questo tipo di pacchi, economici/obbistici, si caricano tramite spinotto di tipo power plug da 5mm, tipico di quelli per le telecamere di sicurezza per intenderci.
Posseggo qualche alimentatore da 24 V 2A di tipo switching (con quello spinoto esatto tra l'altro) e ho pensato di modificarne uno per fargli erogare 22V e circa 1,5A per poterlo utilizzare come caricabatterie.
Aprendo l'alimentatore, ho osservato un po' se la cosa fosse possibile e in che modo ed ho notato che la circuitazione di controllo ruotava intorno al solito noto voltage reference TL341. Così, guardando un po' le varie resistenza SMD nei dintorni, ho scovato quelle utilizzate per regolare il guadagno del circuito di feedback. Al posto di una di esse ho messo un piccolo trimmer multigiro e adesso l'alimentatore eroga da 3V a 30V in base alle necessità ( anche troppo, a me serve un adjust di un paio di volt).
Fin qui, tutto ok, diciamo. Adesso accade questo:
Quando metto in carica il pacco ( completamente scarico ), l'alimentatore comincia ad andare in proteziona ad impulsi ( lo noto sia dal led che dal wattmetro... da degli implsi da 10W e zero, poi ancora 10 e zero in loop ).
In un primo momento, ho pensato di aumentare la capacità sull'uscita con un condensatore da 2200 µF e le cose sono migliorate leggermente ma avrei già esaurito tutto lo spazio all'interno del contenitore, quindi la strada di agiungere capacità non è percorribile. Cominciando a vedere il comportamento dell'erogazione rispetto la tensione di uscita, ho cominciato a giocare con il potenziometro e ho notato che ad un certo punto l'alimentatore parte e si stabilizza ed assorbe sui 50W circa. Questa però non può essere una soluzione perché la tensione di uscita con la quale deve essere ricaricato il pacco al 100% deve essere grossomodo un paio di volt in più dei 20 dichiarati del pacco. Quindi ancora nulla di fatto e ho ricominciato a controllare il PCB ed ho notato una resistenza da 2K in parallelo ai due piccoli condensatori di livellamento in uscita. Questa resistenza, credo debba servire a scaricare i condensatori una volta staccato l'alimentatore dalla presa in modo che i condensatori non restino carichi, una pull down diciamo. Siccome il comportamento di questa resistenza enfatizz la problematica dell'uscita ad impulsi scaricando i condensatori, l'ho tolta e ho rieffettuato la prova.
Adesso il circuito va molto meglio e comincia a funzionare ai volt necessari ma la corrente asorbita è ancora troppa, sia per il pacco che per l'almentatore che quando il pacco è proprio a zero, ricomincia ad andare ad impulsi, per poi cominciare la carica regolare dopo una 20ina di minuti ( ovvero il tempo che la batteria comincia a prendere un minimo di carica dagli impulsi ed alleggerirsi quel tanto che basta come carico da consentire all'alimentatore di non andare più in protezione ).
Ho cosi messo in uscita una resistenza di shunt in serie al carico di 1ohm a filo da 5W per abbassare un po' la corrente e le cose sono migliorate di molto, soprattutto per le batterie che vengono caricate in modo più soft.
Sempre in condizioni di pacco completamente scarico però, quando parto con la ricarica, l'alimentatore comincia a rifare lo scherzo degli impulsi per un po' di tempo e poi parte la ricarica fino a regolare completamento.
Inoltre, la ricarica che parte da circa 50W inzialmente, man mano nel tempo comincia a diminuire ( giustamente ) ma per completare la carica gli ultimi momenti l'assorbimento è minimo con soli 5W e questo allunga di molto i tempi di carica per quell'ultima energia che occorre al completamento.
Volevo capire, se esistesse una soluzione a queste problematiche facendo ancora qualche piccola accortezza per ottimizzare la pratica della ricarica.
Basterebbe anche abbassare la sensibilità della protezione di poco in modo che con i primi 2 minuti di ricarica "diretta" la batteria esce da quella condizione di "zero totale" e torna a far funzionare l'alimentatore regolarmente ma non so' quale parte circuitale serve a questo scopo. Qualche consiglio?
Grazie e scusate la lunghezza del post ma credo fosse necessaria per far comprendere al meglio la situazione.
Modifica alimentatore switching 24 V 2 A
Moderatori:
carloc,
g.schgor,
BrunoValente,
IsidoroKZ
13 messaggi
• Pagina 1 di 2 • 1, 2
1
voti
Long story short: secondo me non puoi caricare una batteria con solo quello che hai.
Se come dici tu (ma credo anche io che sia così) hai un flyback voltage mode, allora quel circuito regola solo la tensione di uscita. Sempre supponendo che sia così, allora il compensatore a TL431 dovrebbe agire sull'errore in tensione imponendoti un reference di corrente di picco sul primario: intuitivamente capisci bene che se colleghi una batteria al carico stai imponendo una tensione fissa che sale estremamente piano, quindi l'errore (supponendo che il compensatore sia di tipo 2 e quindi un PI) continuerà inesorabilmente a salire e produrrà un riferimento di corrente altissimo. Ovviamente a questo punto interviene il limitatore di corrente che bloccherà lo switching dell'applicazione perché gli stai chiedendo troppa birra e rischi di danneggiare magnetico e stadio di potenza. Quindi lui si bloccherà, tornerà a zero e il ciclo limite si ripete all'infinito, almeno fino a quando la batteria non sarà salita abbastanza da ridurre l'errore in tensione e limitare un po' il riferimento di corrente massimo.
Se ci metti una resistenza le cose sembrano migliorare perché stai "falsando" la misura di tensione: quella che il circuito legge non sarà la tensione di uscita ma la somma
, quindi più alta a seconda di quanto alta sarà la corrente (e la resistenza). L'errore così può andare a zero ma al prezzo di accettare una corrente via via decrescente in fase di carica.
L'unico modo per salvare capra e cavoli è metterci in mezzo un circuito apposito che faccia da caricabatterie: quindi controllato in corrente (CC) nelle fase iniziali (batteria scarica), e successivamente in tensione (CV) verso la fine della carica (batteria carica). A seconda di che tensione hai a disposizione in ingresso e che ti serve in uscita puoi decidere tra le topologie di circuito da usare (buck, boost, buck-boost).
Ti sconsiglio fortemente di cambiare così tanto i range di funzionamento (soprattutto verso l'alto): un paio di volt ci può stare, ma stravolgerli così no. Se alzi troppo rischi di bruciare lo stadio di potenza a primario (per sovratensione riflessa) e il magnetico (alzando la tensione stai aumentando anche la potenza), mentre se abbassi troppo puoi rendere instabile il controllo e non polarizzare correttamente il TL431, quindi evita assolutamente e lascia stare i valori come erano.
Se come dici tu (ma credo anche io che sia così) hai un flyback voltage mode, allora quel circuito regola solo la tensione di uscita. Sempre supponendo che sia così, allora il compensatore a TL431 dovrebbe agire sull'errore in tensione imponendoti un reference di corrente di picco sul primario: intuitivamente capisci bene che se colleghi una batteria al carico stai imponendo una tensione fissa che sale estremamente piano, quindi l'errore (supponendo che il compensatore sia di tipo 2 e quindi un PI) continuerà inesorabilmente a salire e produrrà un riferimento di corrente altissimo. Ovviamente a questo punto interviene il limitatore di corrente che bloccherà lo switching dell'applicazione perché gli stai chiedendo troppa birra e rischi di danneggiare magnetico e stadio di potenza. Quindi lui si bloccherà, tornerà a zero e il ciclo limite si ripete all'infinito, almeno fino a quando la batteria non sarà salita abbastanza da ridurre l'errore in tensione e limitare un po' il riferimento di corrente massimo.
Se ci metti una resistenza le cose sembrano migliorare perché stai "falsando" la misura di tensione: quella che il circuito legge non sarà la tensione di uscita ma la somma
, quindi più alta a seconda di quanto alta sarà la corrente (e la resistenza). L'errore così può andare a zero ma al prezzo di accettare una corrente via via decrescente in fase di carica.L'unico modo per salvare capra e cavoli è metterci in mezzo un circuito apposito che faccia da caricabatterie: quindi controllato in corrente (CC) nelle fase iniziali (batteria scarica), e successivamente in tensione (CV) verso la fine della carica (batteria carica). A seconda di che tensione hai a disposizione in ingresso e che ti serve in uscita puoi decidere tra le topologie di circuito da usare (buck, boost, buck-boost).
Superfelix ha scritto:Al posto di una di esse ho messo un piccolo trimmer multigiro e adesso l'alimentatore eroga da 3V a 30V in base alle necessità ( anche troppo, a me serve un adjust di un paio di volt).
Ti sconsiglio fortemente di cambiare così tanto i range di funzionamento (soprattutto verso l'alto): un paio di volt ci può stare, ma stravolgerli così no. Se alzi troppo rischi di bruciare lo stadio di potenza a primario (per sovratensione riflessa) e il magnetico (alzando la tensione stai aumentando anche la potenza), mentre se abbassi troppo puoi rendere instabile il controllo e non polarizzare correttamente il TL431, quindi evita assolutamente e lascia stare i valori come erano.
0
voti
Chiedo solo, hai messo un bel diodo robusto (4 o 5A di portata almeno) in serie al positivo del caricatore ? ... perche' un'alimentatore standard non e' pensato per essere usato come caricatore, e collegando il pacco batterie all'alimentatore da spento, rischi che ti si bruci qualcosa (se gia non e' successo, incrociando tutte e 24 le dita).
"Sopravvivere" e' attualmente l'unico lusso che la maggior parte dei Cittadini italiani,
sia pure a costo di enormi sacrifici, riesce ancora a permettersi.
sia pure a costo di enormi sacrifici, riesce ancora a permettersi.
-

Etemenanki
9.517 3 6 10 - Master

- Messaggi: 5940
- Iscritto il: 2 apr 2021, 23:42
- Località: Dalle parti di un grande lago ... :)
0
voti
Ciao Ete,
sul PCB in uscita, c'è un doppio diodo in contenitore To220 del qual non riesco a leggere la sigla ma credo dovrebbe essere un diodo veloce da 8-10A.
sul PCB in uscita, c'è un doppio diodo in contenitore To220 del qual non riesco a leggere la sigla ma credo dovrebbe essere un diodo veloce da 8-10A.
-

Superfelix
180 2 8 - Stabilizzato

- Messaggi: 342
- Iscritto il: 7 dic 2024, 23:34
0
voti
Quello di solito e' il diodo che raddrizza il segnale proveniente dal trasformatore e lo porta in continua per generare la tensione di uscita, poi pero' hai altra roba connessa, fra cui di solito il TL431 e componentistica annessa, per cui in genere per usare normali alimentatori come caricabatteria consigliano di mettere un diodo in serie all'uscita (positivo), per evitare appunto che la tensione della batteria "rientri" nell'alimentatore quando questo e' spento (ed anche per evitare che questo scarichi di nuovo la batteria, se si spegne l'alimentatore e ci si dimentica di scollegare la batteria)
Invece i "caricabatterie" veri e propri hanno, di solito, anche altra circuiteria, differente, in genere (se non sono fallimentari o "cinesate", almeno un circuito di protezione per rilevare la connessione inversa della batteria ed uno per controllarne la carica e commutare da carica a mantenimento quando questa e' al massimo.
Attenzione anche al fatto che alcuni alimentatori sono "tirati" e non accettano di buon grado il variare troppo la tensione dell'uscita, anche se il circuito funziona a vuoto, potrebbe bastare un carico minimo per destabilizzarli ... fai un test con un paio di vecchie lampadine da auto (quelle degli stop) in serie per arrivare ai 24 V, e vedi subito se va in protezione perche' cambi la tensione di uscita o no.
Avevo un vecchio alimentatore Amstrad per portatili, a cui avevo fatto una modifica simile, ad esempio potevo tirarlo dai 19V di targa a quasi 30V (cambiando i condensatori di uscita con altri da 50V, e si limitava a "fischiare" senza sedersi, mentre se dai 19V scendevo, arrivato a circa 13 "impazziva", la regolazione partiva per la tangente, ed oltre a fare un bruttissimo rumore, non era piu stabile come tensione ... non tutti sono cosi ovviamente, ma puo capitare.
Invece i "caricabatterie" veri e propri hanno, di solito, anche altra circuiteria, differente, in genere (se non sono fallimentari o "cinesate", almeno un circuito di protezione per rilevare la connessione inversa della batteria ed uno per controllarne la carica e commutare da carica a mantenimento quando questa e' al massimo.
Attenzione anche al fatto che alcuni alimentatori sono "tirati" e non accettano di buon grado il variare troppo la tensione dell'uscita, anche se il circuito funziona a vuoto, potrebbe bastare un carico minimo per destabilizzarli ... fai un test con un paio di vecchie lampadine da auto (quelle degli stop) in serie per arrivare ai 24 V, e vedi subito se va in protezione perche' cambi la tensione di uscita o no.
Avevo un vecchio alimentatore Amstrad per portatili, a cui avevo fatto una modifica simile, ad esempio potevo tirarlo dai 19V di targa a quasi 30V (cambiando i condensatori di uscita con altri da 50V, e si limitava a "fischiare" senza sedersi, mentre se dai 19V scendevo, arrivato a circa 13 "impazziva", la regolazione partiva per la tangente, ed oltre a fare un bruttissimo rumore, non era piu stabile come tensione ... non tutti sono cosi ovviamente, ma puo capitare.
"Sopravvivere" e' attualmente l'unico lusso che la maggior parte dei Cittadini italiani,
sia pure a costo di enormi sacrifici, riesce ancora a permettersi.
sia pure a costo di enormi sacrifici, riesce ancora a permettersi.
-

Etemenanki
9.517 3 6 10 - Master

- Messaggi: 5940
- Iscritto il: 2 apr 2021, 23:42
- Località: Dalle parti di un grande lago ... :)
0
voti
Si, sono vere entrambe le considerazioni, la seconda ne ero a conoscenza, la prima, ho visto il diodo in uscita ho pensato fosse di protezione... che faccio allora, metto un 20A per sicurezza? e poi ricontrollo i 22 in uscita?......
Tanto ho il trimmer

Tanto ho il trimmer
-

Superfelix
180 2 8 - Stabilizzato

- Messaggi: 342
- Iscritto il: 7 dic 2024, 23:34
0
voti
gill90 ha scritto:accettare una corrente via via decrescente in fase di carica
Se si potesse mantenere la corrente sempre al massimo valore consentito dalla batteria la ricarica sarebbe più rapida, ma non sarebbe più possibile sapere se la batteria si è caricata sorvegliando la tensione, perché questa salirebbe comunque anzi tempo. La mia tentazione sarebbe fare un programma che ogni tanto interrompe la carica per controllare la tensione.
gill90 ha scritto:Ti sconsiglio fortemente di cambiare così tanto i range di funzionamento (soprattutto verso l'alto)
A me è capitato di portare un caricabatteria (autocostruito) da 48V a 60V e poi 72V nominali e quello che ha ceduto è stato il diodo a secondario, per massima tensione inversa. Questi componenti hanno raggiunto una affidabilità strepitosa dopo di che il datasheet è il datasheet e non bisogna andare fuori dai limiti. Sostituito il diodo con quello adatto, è andato a posto.
0
voti
EcoTan ha scritto:La mia tentazione sarebbe fare un programma che ogni tanto interrompe la carica per controllare la tensione.
Basterebbe misurare la tensione "a freddo" sulla batteria per avere una misura della tensione di uscita effettiva, però a quel punto tanto varrebbe sensare la corrente di uscita e fare un controllo misto corrente/tensione direttamente.
EcoTan ha scritto:A me è capitato di portare un caricabatteria (autocostruito) da 48V a 60V e poi 72V nominali e quello che ha ceduto è stato il diodo a secondario, per massima tensione inversa.
È vero, anche il diodo può saltare, dipende da quale componente ha il breakdown più vicino. Però in generale c'è un sacco di circuiteria che è tarata per operare entro precise tensioni di secondario (switch del primario, rettificatore del secondario, Cout, snubber ecc.), per cui quando si fa una modifica del genere ci si può aspettare di tutto, ogni componente può esplodere perché il punto di lavoro in cui si trova non è quello per cui è stato progettato.
Personalmente io lascerei l'alimentatore così com'è e ci metterei a valle un convertitore CC-CV per batterie.
0
voti
gill90 ha scritto:sensare la corrente di uscita e fare un controllo misto corrente/tensione direttamente
Può darsi che i migliori caricabatterie facciano proprio questo. Certo rilevare esattamente la corrente in una uscita isolata deve essere un costo.
0
voti
EcoTan ha scritto:Certo rilevare esattamente la corrente in una uscita isolata deve essere un costo.
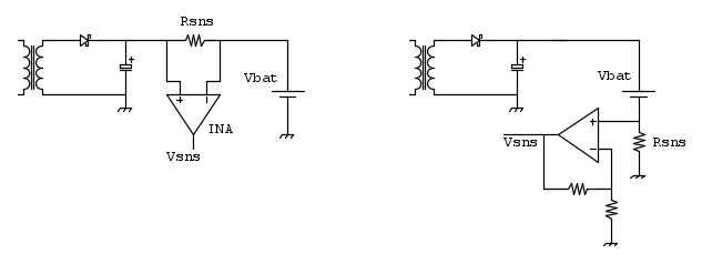
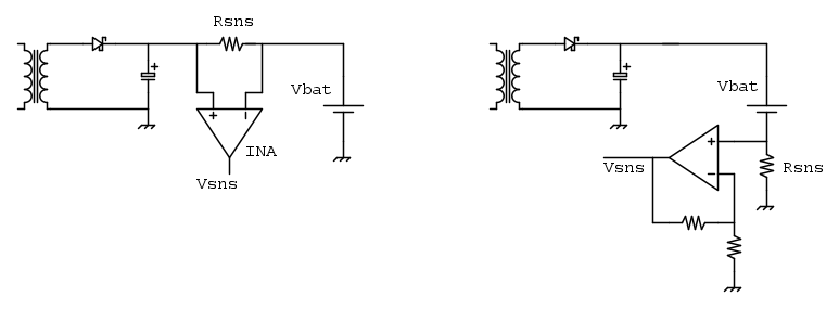
Ma neanche tanto, il loop si chiude in corrente al posto che in tensione. Puoi sensare la corrente con una resistenza di shunt high-side oppure low-side, convertirla con un operazionale (segnale differenziale oppure single-ended) e poi metterla nella rete di feedback del TL431 come se fosse il tuo segnale di tensione.
Poi ovviamente bisogna studiare di nuovo la stabilità del loop e valutare quanto questa aggiunta impatti sul controllo.
13 messaggi
• Pagina 1 di 2 • 1, 2
Chi c’è in linea
Visitano il forum: Google Adsense [Bot] e 193 ospiti

Elettrotecnica e non solo (admin)
Un gatto tra gli elettroni (IsidoroKZ)
Esperienza e simulazioni (g.schgor)
Moleskine di un idraulico (RenzoDF)
Il Blog di ElectroYou (webmaster)
Idee microcontrollate (TardoFreak)
PICcoli grandi PICMicro (Paolino)
Il blog elettrico di carloc (carloc)
DirtEYblooog (dirtydeeds)
Di tutto... un po' (jordan20)
AK47 (lillo)
Esperienze elettroniche (marco438)
Telecomunicazioni musicali (clavicordo)
Automazione ed Elettronica (gustavo)
Direttive per la sicurezza (ErnestoCappelletti)
EYnfo dall'Alaska (mir)
Apriamo il quadro! (attilio)
H7-25 (asdf)
Passione Elettrica (massimob)
Elettroni a spasso (guidob)
Bloguerra (guerra)



