ciao.
il mio alimentatore non accende la ps1 ho cambiato i condensatori della parte secondaria ma nulla, poi ho misurato i diodi le resistenze e mi dava dei valori, non so piu che fare .
Alimentatore PS1 riparazione
7 messaggi
• Pagina 1 di 1
0
voti
Quell'alimentatore dovrebbe uscire due tensioni, non ci sono entrambe ?
Che tensione trovi sul C003 dopo il ponte a diodi ?
Ovviamente presumo che hai già verificato sia il fusibile che l'interruttore di accensione a bordo scheda.
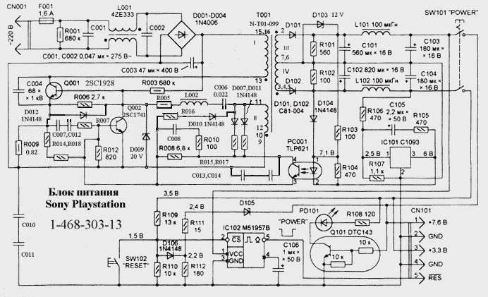
Per facilitare la risoluzione posto due schemi che ho trovato:
Che tensione trovi sul C003 dopo il ponte a diodi ?
Ovviamente presumo che hai già verificato sia il fusibile che l'interruttore di accensione a bordo scheda.
Per facilitare la risoluzione posto due schemi che ho trovato:
0
voti
ciao
non ho ancora testato il condensatore da 400v ma quando do tensione e metto il puntare sul pin della massa mi da dei valori, cosa significa .
non ho ancora testato il condensatore da 400v ma quando do tensione e metto il puntare sul pin della massa mi da dei valori, cosa significa .
0
voti
Non capisco cosa intendi con "mi da dei valori".
Deve vedere che tensione hai ai capi di quel condensatore. Se trovi la 300V raddrizzata allora il problema è a valle.
Da come esponi le domante intuisco che non hai esperienza elettronica o di misura, in questo caso ti suggerisco di fare molta attenzione, qui ci sono tensioni molto pericolose in gioco e farsi male è un attimo.
Sono riparazioni che vanno fatte sotto trasformatore di isolamento e con le dovute precauzioni.
Inoltre non hai risposto alle altre domande che ti ho fatto:
"Quell'alimentatore dovrebbe uscire due tensioni, non ci sono entrambe ?"
"Ovviamente presumo che hai già verificato sia il fusibile che l'interruttore di accensione a bordo scheda.?"
Questi sono alimentatori relativamente semplici da riparare, ma sono comunque molto pericolosi per via dell'alta tensione che ci gira, si pala di 320V su quel condensatore, se per sbaglio lo tocchi prendi una botta potenzialmente letale.
Non ti conviene mandarlo in riparazione da qualche tecnico ?
Deve vedere che tensione hai ai capi di quel condensatore. Se trovi la 300V raddrizzata allora il problema è a valle.
Da come esponi le domante intuisco che non hai esperienza elettronica o di misura, in questo caso ti suggerisco di fare molta attenzione, qui ci sono tensioni molto pericolose in gioco e farsi male è un attimo.
Sono riparazioni che vanno fatte sotto trasformatore di isolamento e con le dovute precauzioni.
Inoltre non hai risposto alle altre domande che ti ho fatto:
"Quell'alimentatore dovrebbe uscire due tensioni, non ci sono entrambe ?"
"Ovviamente presumo che hai già verificato sia il fusibile che l'interruttore di accensione a bordo scheda.?"
Questi sono alimentatori relativamente semplici da riparare, ma sono comunque molto pericolosi per via dell'alta tensione che ci gira, si pala di 320V su quel condensatore, se per sbaglio lo tocchi prendi una botta potenzialmente letale.
Non ti conviene mandarlo in riparazione da qualche tecnico ?
0
voti
se metto il puntale del negativo sulla massa mi da dei valori intermitenti.
non sono esperto ma non dovrebbe esserci tensione o mi sbaglio
non sono esperto ma non dovrebbe esserci tensione o mi sbaglio
0
voti
Il puntale negativo sulla massa ok e il puntale positivo dove te lo metti?
Se non lo metti da nessuna parte fa da antenna i valori intermitenti sono iradiati e il tester li capta perché ha impedenza di ingresso elevata dato che non hai esperienza lascia perdere lo switching rischi solo di farti male seriamente
Se non lo metti da nessuna parte fa da antenna i valori intermitenti sono iradiati e il tester li capta perché ha impedenza di ingresso elevata dato che non hai esperienza lascia perdere lo switching rischi solo di farti male seriamente
"Non farei mai parte di un club che accettasse la mia iscrizione" (G. Marx)
-

claudiocedrone
21,3k 4 7 9 - Master EY

- Messaggi: 15300
- Iscritto il: 18 gen 2012, 13:36
0
voti
eletro90 ha scritto:non ho ancora testato il condensatore da 400v ma quando do tensione e metto il puntare sul pin della massa mi da dei valori, cosa significa.
...
se metto il puntale del negativo sulla massa mi da dei valori intermitenti.
non sono esperto ma non dovrebbe esserci tensione o mi sbaglio
Mi sembra evidente che se dai tensione poi te la ritrovi.
E sui condensatori te la puoi ritrovare bella tosta anche a distanza di ore.
Ti sono state poste domande -l'ABC della ricerca guasti- a cui non hai dato seguito, non hai esperienza ma prosegui a fare di testa tua.
Mi associo al suggerimento, per la tua sicurezza, di lasciar perdere.
7 messaggi
• Pagina 1 di 1
Torna a Costruzione, riparazione, riutilizzo
Chi c’è in linea
Visitano il forum: Nessuno e 23 ospiti

Elettrotecnica e non solo (admin)
Un gatto tra gli elettroni (IsidoroKZ)
Esperienza e simulazioni (g.schgor)
Moleskine di un idraulico (RenzoDF)
Il Blog di ElectroYou (webmaster)
Idee microcontrollate (TardoFreak)
PICcoli grandi PICMicro (Paolino)
Il blog elettrico di carloc (carloc)
DirtEYblooog (dirtydeeds)
Di tutto... un po' (jordan20)
AK47 (lillo)
Esperienze elettroniche (marco438)
Telecomunicazioni musicali (clavicordo)
Automazione ed Elettronica (gustavo)
Direttive per la sicurezza (ErnestoCappelletti)
EYnfo dall'Alaska (mir)
Apriamo il quadro! (attilio)
H7-25 (asdf)
Passione Elettrica (massimob)
Elettroni a spasso (guidob)
Bloguerra (guerra)


