Ciao a tutti,
è da un po' di tempo che sto studiando come progettare efficacemente quadri fotovoltaici in DC, anche chiamati string box.
Ho visto in molte realizzazioni che, per ogni stringa, vengono proposte queste soluzioni:
A) portafusibile con idoneo fusibile + magnetotermico;
B) portafusibile con idoneo fusibile + sezionatore;
C) SPD sempre DOPO la protezione per sovracorrente/cortocircuito.
Analizzando le stesse soluzioni mi sovviene:
A) fusibile + magnetotermico in serie non ha alcun senso, poiché entrambi offrono protezione da sovracorrente e cortocircuito, alcuni usano il secondo solo come sezionatore per disinserire in sicurezza l'inverter lato DC;
B) come sopra, considerando che il sezionatore (sotto carico) è il metodo migliore per disinserire ed inserire l'inverter lato DC;
C) parlando con alcuni produttori di SPD (DEHN e Zotup) è assolutamente errato limitare la corrente ad un SPD con un fusibile di taglia molto inferiore alla massima corrente permessa dallo SPD stesso, per non parlare del magnetotermico che, attraverso la sua bobina, aumenterebbe l'impendenza della linea, aumentando di fatto la CDT.
Fatte queste precisazioni ed adattandole ad un caso classico di 2 stringhe indipendenti (ognuna delle quali entra in un MPPT singolo) mi piacerebbe realizzare quanto segue:
1) 1x sezionatore sotto carico da 4 poli (2 per stringa A e 2 per stringa B) con bobina di sgancio e motore di riarmo telegestito usato come generale di quadro e come disinserzione per il regolatore di carica a valle;
2) 2x magnetotermico in DC (1 per stringa) curva B o C (da valutare) per la protezione del MPPT da cortocircuito;
3) 2x SPD tipo 1+2 (da valutare in base all'installazione ed al sito) a valle del sezionatore generale ed in parallelo agli ingressi dei magnetotermici;
4) ogni SPD preceduto da un sezionatore sotto carico da 2 poli per disinserire dal circuito lo SPD stesso (manutenzione) con contatti ausiliari di comunicazione guasto SPD (ad interruttore aperto) in parallelo a quelli a bordo del SPD stesso.
Chiaramente ci si troverebbe nel caso in cui i sezionatori e gli SPD non avrebbero nessuna protezione a monte.
Ho anche il dubbio che la protezione da sovracorrente e cortocircuito su una sola stringa fotovoltaica (con pannelli in serie) serva effettivamente a nulla, dal momento che un pannello fotovoltaico - al massimo della sua produzione - lavora praticamente come un cortocircuito e se la sua corrente di picco è inferiore a quella gestita dal MPPT allora le protezioni non scatterebbero mai.
Sbaglio?
Cosa ne pensate delle mie considerazioni e delle soluzioni che vorrei utilizzare nella progettazione dei miei quadri?
Grazie a chi proporrà consigli, pareri e soluzioni!
Quadro fotovoltaico DC.
Moderatori:
sebago,
MASSIMO-G,
lillo,
Mike
38 messaggi
• Pagina 1 di 4 • 1, 2, 3, 4
0
voti
Poiché il tutto non è proprio lineare, uno schemino aiuterebbe a non fraintendere quel che dici.
In generale va bene, con il beneficio d'inventario, magari ho inteso male io.
I magnetotermici lato DC non servono quasi mai se hai poche stringhe in parallelo.
Visto poi che per DC magari a 800-900V non ci sono molte opzioni io di solito uso fusibili.
In generale va bene, con il beneficio d'inventario, magari ho inteso male io.
I magnetotermici lato DC non servono quasi mai se hai poche stringhe in parallelo.
Visto poi che per DC magari a 800-900V non ci sono molte opzioni io di solito uso fusibili.
0
voti
Il tema SPD merita un discorso a parte.
Io ultimamente mi sto orientamento solo su 2 o 3 fornitori.
Se l'SPD lato DC non ha una specifica protezione interna che in caso di surriscaldamento dello stesso intervenga efficacemente non lo utilizzo.
Molti hanno delle protezioni, ma a mio avviso sono farlocche. Questo perché se operano una semplice commutazione io non ritengo che in quello spazio ridotto riescano a spegnere l'arco.
Alcuni Dehn (visto che l'hai citatal, ma anche altri, hanno un meccanismo efficace... basta guardare lo schema disponibile nelle schede tecniche di prodotto.
Che problema ci sarebbe a mettere dei fusibili fra pannelli FV e SPD? Cosa ti hanno detto?
Al più si fonde...
Io ultimamente mi sto orientamento solo su 2 o 3 fornitori.
Se l'SPD lato DC non ha una specifica protezione interna che in caso di surriscaldamento dello stesso intervenga efficacemente non lo utilizzo.
Molti hanno delle protezioni, ma a mio avviso sono farlocche. Questo perché se operano una semplice commutazione io non ritengo che in quello spazio ridotto riescano a spegnere l'arco.
Alcuni Dehn (visto che l'hai citatal, ma anche altri, hanno un meccanismo efficace... basta guardare lo schema disponibile nelle schede tecniche di prodotto.
Che problema ci sarebbe a mettere dei fusibili fra pannelli FV e SPD? Cosa ti hanno detto?
Al più si fonde...
0
voti
GioArca67 ha scritto:uno schemino aiuterebbe a non fraintendere quel che dici.
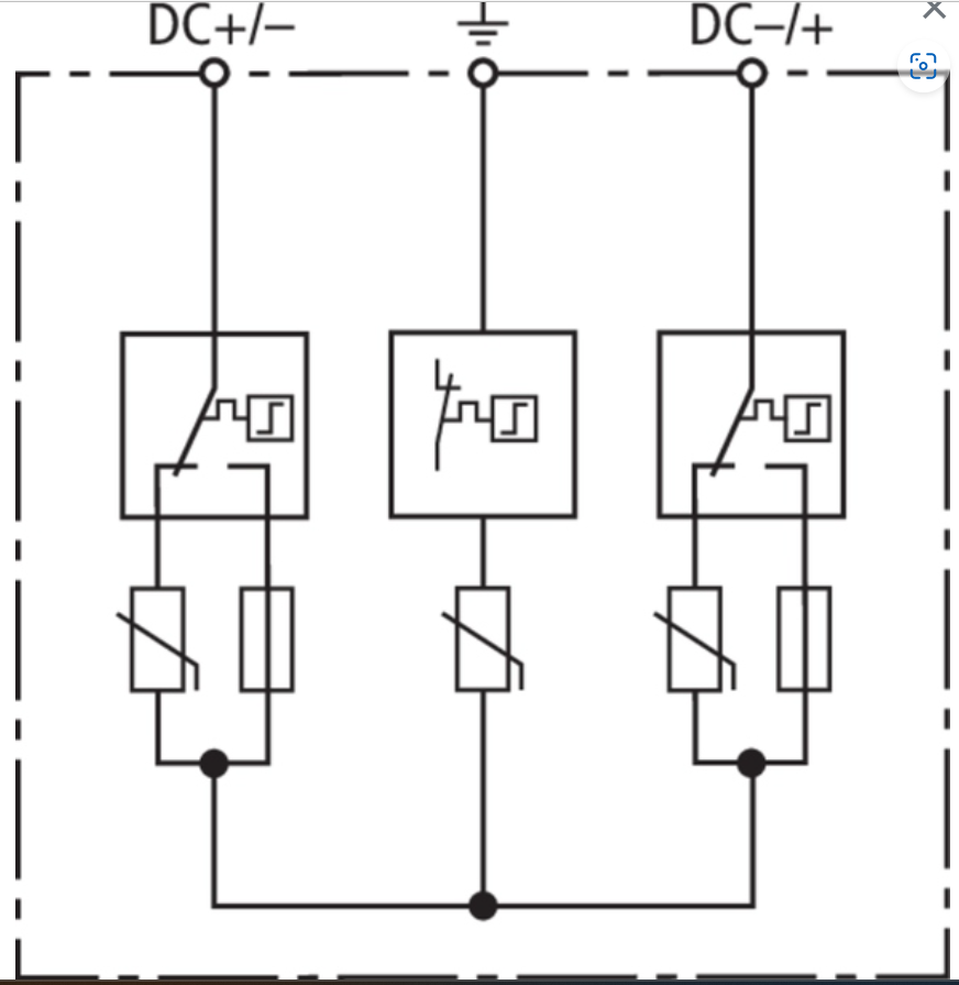
Ciao, grazie delle risposte, ed ecco lo schema - spero - chiarificatore.
Dai morsetti 100 e 101 entrano, rispettivamente, le due stringhe fotovoltaiche costituite da n pannelli in serie, senza alcun parallelo.
Mentre dai morsetti 108 e 109 escono le linee che alimentano, rispettivamente, due ingressi MPPT.
Le criticità che vedo sono quelle che il sezionatore 001, i sezionatori di disinserzione SPD 003 e 006 e gli SPD stessi 004 e 005 non sono protetti da sovraccarico e cortocircuito.
Ma è anche vero che, calcolando una corrente superiore a quella di cortocircuito dei pannelli, non vedo come potrebbe innescarsi una situazione di corrente passante tale da generare un problema sui suddetti dispositivi.
Tensione e corrente nominale di tutti i dispositivi sono superiori a quelle di esercizio delle stringhe fotovoltaiche.
Preferisco sempre magnetotermici per la facilità di riarmo a discapito dei fusibili.
Fatemi sapere cosa ne pensate!
0
voti
OK.
Sezionatori.
[provocazione]da cosa li vorresti proteggere?[/provocazione]
Tanto per completezza, qual è la corrente nominale del magnetotermico?
Per curiosità personale, che magnetotermico hai scelto?
SPD.
Qui la cosa si fa articolata.
Da cosa li vorresti proteggere?
Per me lo schema (se è un esecutivo, ma non hai solo indicato per celerità i componenti) non va bene, ed in effetti, per come lo hai disegnato, non sono protetti. Da cosa? Da quel che ti scrivevo al post precedente.
Se per qualche motivo intervengono (più probabile un degrado a fine vita) non spegni l'arco se mettono in corto + e - dei pannelli.
Se invece scegli i componenti e gli SPD hanno una costruzione specifica può andar bene (per me).
Secondo me gli SPD per corrente continua non sono semplici da progettare.
Guardiamo questo schema:
nell'SPD è anche mostrata una protezione da sovratemperature, ma siccome senza idonei provvedimenti un arco in CC sui 600V a 13A non lo interrompi in pochi millimetri io non ritengo (visione personale che può ben essere smentita) che un tale scaricatore possa andar bene senza ulteriori idonee protezioni esterne, la domanda ora è: ma quali? Un fusibile? Che corrente? Che curva di funzionamento?
Ora invece guardiamo quest'altro schema:
in caso di surriscaldamento commuta su un fusibile, che si presume sarà idoneo se il costruttore si è preso la briga di far tutto quel sistema, e sicuramente mi fido più di un fusibile lungo 38 mm con sabbia dentro piuttosto che di 5 mm di separazione fra 2 contatti.
In soldoni, tanto per fare un esempio concreto, se ci metti un DG YPV SCI 600V (o 1000V) (seconda immagine) o altro equivalente (ci sono di un paio di altri costruttori), per me lo schema va bene: è tutto protetto, i sezionatori di manovra (perché non penso che li avrai scelti sotto 1,25*Isc) e lo scaricatore (per costruzione).
Sezionatori.
[provocazione]da cosa li vorresti proteggere?[/provocazione]
Tanto per completezza, qual è la corrente nominale del magnetotermico?
Per curiosità personale, che magnetotermico hai scelto?
SPD.
Qui la cosa si fa articolata.
Da cosa li vorresti proteggere?
Per me lo schema (se è un esecutivo, ma non hai solo indicato per celerità i componenti) non va bene, ed in effetti, per come lo hai disegnato, non sono protetti. Da cosa? Da quel che ti scrivevo al post precedente.
Se per qualche motivo intervengono (più probabile un degrado a fine vita) non spegni l'arco se mettono in corto + e - dei pannelli.
Se invece scegli i componenti e gli SPD hanno una costruzione specifica può andar bene (per me).
Secondo me gli SPD per corrente continua non sono semplici da progettare.
Guardiamo questo schema:
nell'SPD è anche mostrata una protezione da sovratemperature, ma siccome senza idonei provvedimenti un arco in CC sui 600V a 13A non lo interrompi in pochi millimetri io non ritengo (visione personale che può ben essere smentita) che un tale scaricatore possa andar bene senza ulteriori idonee protezioni esterne, la domanda ora è: ma quali? Un fusibile? Che corrente? Che curva di funzionamento?
Ora invece guardiamo quest'altro schema:
in caso di surriscaldamento commuta su un fusibile, che si presume sarà idoneo se il costruttore si è preso la briga di far tutto quel sistema, e sicuramente mi fido più di un fusibile lungo 38 mm con sabbia dentro piuttosto che di 5 mm di separazione fra 2 contatti.
In soldoni, tanto per fare un esempio concreto, se ci metti un DG YPV SCI 600V (o 1000V) (seconda immagine) o altro equivalente (ci sono di un paio di altri costruttori), per me lo schema va bene: è tutto protetto, i sezionatori di manovra (perché non penso che li avrai scelti sotto 1,25*Isc) e lo scaricatore (per costruzione).
0
voti
Qualche informazione aggiuntiva sui pannelli usati e sulla conformazione delle due stringhe.
Considera sempre che sono esempi da cui trarre procedure replicabili al cambiare del campo fotovoltaico.
Ogni stringa è composta da 5 pannelli fotovoltaici monocristallini in serie, con una potenza massima (Pmax) di 550 Wp, una tensione a vuoto (Uoc) di 50 VDC ed una corrente di cortocircuito (Isc) di 14 A.
Quindi ogni linea in ingresso al quadro avrà le seguenti caratteristiche:
Pmax 2750 Wp;
Uoc 250 VDC;
Isc 14 A.
Considerando ciò i dispositivi di sezionamento devono essere dimensionati per una In di 1,25*Isc, corrispondente a 17,5 A.
Quindi sezionatori da 32 A sono sempre protetti dal cortocircuito poiché la corrente massima che può transitare è appunto di 17,5 A, corretto?
I magnetotermici invece li andrei ad utilizzare come protezione di backup per il MPPT, poiché molto spesso a bordo ha già protezioni da cortocircuito solitamente basate su fusibili, anche se viene indicato dal produttore di applicare una protezione esterna.
Assumendo che ogni porta MPPT accetti una tensione da 65 VDC a 450 VDC (con tensione di avvio di 120VDC), una massima corrente di ingresso di 16 A ed una massima corrente di cortocircuito di 20 A sceglierei dei magnetotermici bipolari da 16A in curva B con una Un > 250 VDC.
Dovrebbe essere una taglia cautelativa rispetto al MPPT e non dovrebbe scattare per massima produzione della stringa, poiché non potrà mai superare i 14 A.
Cosa ne pensi?
Poi successivamente affrontiamo il discorso SPD!
0
voti
Penso che il discorso non tenga: il magnetotermico non serve.
Se la stringa non eroga più di 14 A (17 in condizioni estreme, ma veramente estreme) e l'inverter accetta fino a 20 A non vedo di che protezione esterna abbia bisogno.
Ad oggi, ho visto i pannelli in campo lavorare a potenza nominale o poco superiore solo in un paio di occasioni, e con pannelli nuovi.
Le curva B e C differiscono solo nella parte magnetica dove il curva B interviene fra 3 e 5 In, quindi nel tuo caso fra 48 e 80A, mentre il curva C fra 5 e 10 In quindi fra 80 e 160A...
Un generatore che assomiglia ad un generatore di corrente non può essere gestito con un magnetotermico: corrente nominale del generatore e corrente di corto circuito sono molto simili, al contrario di un classico generatore di tensione ove invece in corto circuito eroga una corrente molto alta.
Lato DC vedo utile l'uso di magnetotermici solo in caso di stringhe in parallelo: in questa situazione in caso di guasto su un cavo di stringa o un pannello la corrente di corto circuito è pari alla somma delle correnti delle altre (n-1) stringhe, ecco che attraverso il magnetotermico potrebbe passa una corrente (n-1) volte la nominale e quindi ha (forse) un senso.
A me sembra comunque inutile perché occorre un intervento specifico per riparare il guasto... in tal caso sostituire un paio di fusibili non mi sembra gravoso.
Se la stringa non eroga più di 14 A (17 in condizioni estreme, ma veramente estreme) e l'inverter accetta fino a 20 A non vedo di che protezione esterna abbia bisogno.
Ad oggi, ho visto i pannelli in campo lavorare a potenza nominale o poco superiore solo in un paio di occasioni, e con pannelli nuovi.
Le curva B e C differiscono solo nella parte magnetica dove il curva B interviene fra 3 e 5 In, quindi nel tuo caso fra 48 e 80A, mentre il curva C fra 5 e 10 In quindi fra 80 e 160A...
Un generatore che assomiglia ad un generatore di corrente non può essere gestito con un magnetotermico: corrente nominale del generatore e corrente di corto circuito sono molto simili, al contrario di un classico generatore di tensione ove invece in corto circuito eroga una corrente molto alta.
Lato DC vedo utile l'uso di magnetotermici solo in caso di stringhe in parallelo: in questa situazione in caso di guasto su un cavo di stringa o un pannello la corrente di corto circuito è pari alla somma delle correnti delle altre (n-1) stringhe, ecco che attraverso il magnetotermico potrebbe passa una corrente (n-1) volte la nominale e quindi ha (forse) un senso.
A me sembra comunque inutile perché occorre un intervento specifico per riparare il guasto... in tal caso sostituire un paio di fusibili non mi sembra gravoso.
0
voti
Un altro metodo per scegliere la soluzione più idonea potrebbe essere il fattore economico.
Quanto costa la soluzione con i fusibili rispetto alla soluzione con il magnetotermico?
E soprattutto il magnetotermico scelto (quale?) ha le caratteristiche adatte a lavorare su questo impianto?
Ciao
Quanto costa la soluzione con i fusibili rispetto alla soluzione con il magnetotermico?
E soprattutto il magnetotermico scelto (quale?) ha le caratteristiche adatte a lavorare su questo impianto?
Ciao
600 Elettra
0
voti
GioArca67 ha scritto:Le curva B e C differiscono solo nella parte magnetica dove il curva B interviene fra 3 e 5 In, quindi nel tuo caso fra 48 e 80A, mentre il curva C fra 5 e 10 In quindi fra 80 e 160A...
Un generatore che assomiglia ad un generatore di corrente non può essere gestito con un magnetotermico
E difatti il nocciolo della questione è proprio questo!
Quando si hanno stringhe in parallelo, quindi NON il caso in esame, diodo e protezione da sovracorrente e cortocircuito dovrebbe sempre esserci.
Proprio per la presenza del diodo (che potrebbe guastarsi ed andare in conduzione) e per prevenire la corrente inversa tra le due stringhe parallelate, solitamente considerata il doppio della Isc.
Allora in questi casi si ricorre ad una protezione adeguata che intervenga per tempo all'insorgere di queste condizioni.
Invece nel caso in oggetto tutto risulta avere una corrente nominale / corrente massima di cc ben superiore al massimo erogabile dal generatore, anche in condizione di guasto.
Anche adottando un fusibile in DC da 1000 V con una corrente vicina alla Isc non si avrà mai la sua fusione, proprio per la sua curva di intervento ed il non raggiungimento di tale valore lato generatore.
Idem la protezione dei conduttori che dalla stringa vanno al combiner box e da lì al regolatore di carica / inverter, infatti usando cavo H1Z2Z2-K della sezione adeguata alla lunghezza di posa, in questo caso 40 m, adottando una sezione di 1x10, reggerà una corrente massima di 95 A.
Quindi la protezione a monte del regolatore di carica/inverter verrebbe solo usata come sezionamento e nulla più, è - in sintesi - inutile.
Sono corrette le cose che ho riportato?
Grazie ancora per il supporto!
1
voti
stefanopc ha scritto:Un altro metodo per scegliere la soluzione più idonea potrebbe essere il fattore economico.
Qui non si tratta di scelte dettate dal fattore economico.
Sto cercando di capire l'utilità, l'efficacia ed il funzionamento (in un'ottica scalare) di alcune soluzioni, per riportarle nella progettazione di quadri fotovoltaici.
Da come si stanno mettendo le cose sembrerebbe proprio che per una singola stringa non serva nessuna protezione da sovracorrente e cc.
38 messaggi
• Pagina 1 di 4 • 1, 2, 3, 4
Torna a Impianti, sicurezza e quadristica
Chi c’è in linea
Visitano il forum: Nessuno e 167 ospiti

Elettrotecnica e non solo (admin)
Un gatto tra gli elettroni (IsidoroKZ)
Esperienza e simulazioni (g.schgor)
Moleskine di un idraulico (RenzoDF)
Il Blog di ElectroYou (webmaster)
Idee microcontrollate (TardoFreak)
PICcoli grandi PICMicro (Paolino)
Il blog elettrico di carloc (carloc)
DirtEYblooog (dirtydeeds)
Di tutto... un po' (jordan20)
AK47 (lillo)
Esperienze elettroniche (marco438)
Telecomunicazioni musicali (clavicordo)
Automazione ed Elettronica (gustavo)
Direttive per la sicurezza (ErnestoCappelletti)
EYnfo dall'Alaska (mir)
Apriamo il quadro! (attilio)
H7-25 (asdf)
Passione Elettrica (massimob)
Elettroni a spasso (guidob)
Bloguerra (guerra)




