Buongiorno a tutti e grazie anticipatamente per le risposte.
Ho una domanda per l'installazione di uno scaricatore di sovratensione (SPD), argomento su cui ho cercato di informarmi ma che potrebbe risultarmi ancora abbastanza ostico. La mia derivazione: 50 anni, perito elettronico, ma ho sempre fatto l'infrastrutturista informatico (leggi: sono responsabile parco server di una multinazionale, anche se ormai non più come sysadmin); hobbista del fai-da-te (che però cerca il più possibile di informarsi PRIMA di intraprendere un'attività).
SITUAZIONE: casa indipendente "nuova" (muri anni 50, ma impianto completamente rifatto: dai corrugati ai centralini alle prese... TUTTO).
La casa non è dotata di parafulmine e non è particolarmente soggetta a fulminazioni (mia nonna ci ha abitato 60 anni senza mai bruciare una TV o altro, nonostante l'impianto elettrico "approssimativo" con cavi monoanima, a volte telati, "corrugati" in metallo con anima in catrame, una messa a terra annegata "a vivo" nel muro e collegata allo scarico del lavandino ecc...)
Linee di alimentazione 230V entranti aeree (classici "pali"), contatore elettronico Enel sulla strada, in apposita colonnina in muratura. Nella stessa colonnina (lato verso il giardino) mi sono fatto ricavare una nicchia in cui ci sta al massimo una cassettina da 6 moduli ed in cui, per ora, c'è solo un magnetotermico da 32A. La cassettina da esterno è protetta da un piccolo box apposito a chiave in acciaio inox.
Dal magnetotermico partono circa 1.5m di cavi FS17 da 6mm2 fase/neutro che vanno in un pozzetto stagno dove ho la palina di terra e un cavo tripolare FG16 con conduttori da 6mm2 lungo 15 metri che mi porta (intubato) l'alimentazione e la terra nel seminterrato e da li parte la derivazione per il centralino del piano interrato (a 50cm di distanza dalla giunzione col FG16) e la derivazione per il centralino del piano abitazione (a 5m circa). I due centralini sono completamente indipendenti se non che in ultima analisi l'alimentazione e la terra di entrambi arriva sempre dal FG16 protetto dal 32A che sta accanto al contatore.
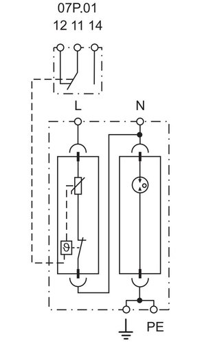
Ora, io avrei pensato di usare i 4 moduli liberi nella cassettina che sta vicino al contatore per installarci un SPD di tipo 1 e 2, precisamente il 7P.12.8.275.1012 Finder, che ha queste caratteristiche:
SPD tipo 1+2 per sistemi TT e TN-S monofase con Neutro. Protezione varistore L-N + Spinterometro a gas
N-PE. A pagina 6 qui -> https://cdn.findernet.com/app/uploads/S7PIT.pdf ci sono le sue caratteristiche. Protezione max sovracorrente 160A (fusibile); Uc 275V (varistore) e 255V (spinterometro); Up 1.5kV; corrente max di scarica (8-20 microsecondi): 60kA eccetera
Lo collegherei a monte del magnetotermico da 32A che mi protegge il cavo FG16 che entra in casa, in pratica tra il contatore e il magnetotermico, proteggendolo sulla fase con un fusibile gG da 125A (quelli da 160A li trovo solo a coltello e non vanno bene in quella cassettina da 6 moduli) e derivando all'esterno della cassettina di protezione due led "rosso" e "verde", il primo se acceso indica che è ora di sostituire il modulo col varistore, il secondo verde è sempre acceso tranne che se mi saltasse il fusibile a monte dell'SPD o scattasse il contatore, così da a) segnalare a tutti che anche se fanno scattare il magnetotermico, in quella cassettina c'è ancora roba alimentata, b) se è spento (ma ho tensione in casa) so che c'è un problema al fusibile c) se è spento e NON ho corrente in casa, so che è saltato il contatore e non qualche magnetotermico nei centralini interni.
L'uscita di terra dell'SPD, con cavo ad 12mm2, mi passerebbe per forza di cose accanto ai 2 montanti che vanno nel pozzetto a circa 1.5m dove c'è la palina di terra e dove parte il FG16 che entra in casa.
In pratica come da schema allegato.
DOMANDE:
1) ha senso per proteggermi da sovratensioni di manovra e/o funminazioni indirette (sulla linea aerea)?
2) ha senso "separare" la terra da 12mm2 che esce dall'SPD rispetto ai 2 montanti che escono dal magnetotermico, facendola passare in un piccolo corrugato, che però rimarrebbe comunque sempre dentro al grosso corrugato che ora li contiene? In pratica un tubo nel tubo... Non credo abbia chissà quanto senso, visto che si tratta comunque di plastica (niente gabbia di faraday li...).
Grazie a tutti,
Alessandro
Un controllo su installazione SPD
Moderatori:
sebago,
MASSIMO-G,
lillo,
Mike
11 messaggi
• Pagina 1 di 2 • 1, 2
0
voti
2
voti
Se il contatore ha l'interruttore magnetotermico e non un sezionatore il fusibile da 125A non serve.
Il cavo giallo verde verso casa deve partire da sotto lo scaricatore e non dalla palina (nel disegno fai risalire il pallino di unione fra i due cavi su verso l'SPD) altrimenti l'SPD è inutile.
Perché parli di 12mm2? due cavi da 6 in parallelo?
Il cavo giallo verde verso casa deve partire da sotto lo scaricatore e non dalla palina (nel disegno fai risalire il pallino di unione fra i due cavi su verso l'SPD) altrimenti l'SPD è inutile.
Perché parli di 12mm2? due cavi da 6 in parallelo?
0
voti
Il cavo giallo verde verso casa deve partire da sotto lo scaricatore e non dalla palina
'spetta, non ti seguo...
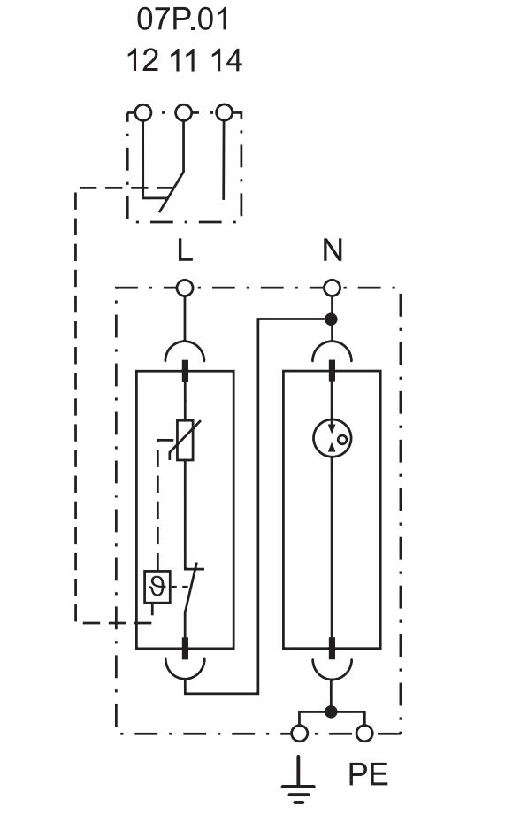
Lo schema interno dello scaricatore è questo:
Posto che non ho mica capito che differenza ci sia tra il morsetto PE e quello di terra sull'SPD, comunque entrambi li vedo interconnessi internamente all'SPD. Quindi (domanda onesta) che differenza c'è tra avere la terra che va verso casa e quella che arriva dall'SPD connesse entrambe sulla palina piuttosto che connesse entrambe sull'SPD che sta a 1.5m di distanza?
Se ho capito bene tu dici di collegarlo come indicato qui sotto nello schema a destra, corretto?
Il 16mm2 (mio errore, non 12) è perché ne ho già in giro qualche metro, e visto che nelle istruzioni SPD dicono di metterci minimo un 6mm2, metterci un 16 che ha meno resistenza interna va anche meglio direi.
Grazie,
Alessandro
0
voti
GenTLe ha scritto:Se ho capito bene tu dici di collegarlo come indicato qui sotto nello schema a destra, corretto?
esatto.
e i due morsetti servono proprio per questo.
Quello col simbolo della terra va al dispersore, l'altro col simbolo del PE all'impianto da proteggere-
Quando scarica la sovratensione c'è una forte corrente verso terra e quindi una differenza di potenziale fra terra e il morsetto dello scaricatore pari a V=I*R con R resistenza del cavo.
Se tu metti i tuoi utilizzatori alla palina, riduci l'effetto dello scaricatore perché fra i morsetti L (o N) e la terra la tensione è pari a V+Up, mentre se colleghi i PE direttamente allo scaricatore hai solo Up.
Devi realizzare una cosiddetta inserzione "a V" sia lato L e N sia lato PE.
...Detto molto brevemente.
Poi non devi superare i circa 10m dallo scaricatore all'ultimo apparecchio da proteggere.
Per info veloci leggi qui:
https://library.e.abb.com/public/ada4e1e9d1384c44b55c0fffbf84e1e5/ART_Inst_SPD_t2_revCA_MM.pdf
0
voti
GioArca67 ha scritto:Se tu metti i tuoi utilizzatori alla palina, riduci l'effetto dello scaricatore perché fra i morsetti L (o N) e la terra la tensione è pari a V+Up, mentre se colleghi i PE direttamente allo scaricatore hai solo Up.
Devi realizzare una cosiddetta inserzione "a V" sia lato L e N sia lato PE.
...Detto molto brevemente.
Poi non devi superare i circa 10m dallo scaricatore all'ultimo apparecchio da proteggere.
Capito, chiaro! Non so se sia preponderante la corrente indotta nel cavo che scorre nello stesso cavidotto (quello che va a PE correrebbe 1.5m circa accanto a quello che va alla palina, collegandolo alla PE) o la tensione ai capi dello spezzone verso la palina qualora lasciassi li la terra che arriva da dentro casa, ma ha senso quello che scrivi.
Sui 10m tra scaricatore e ultimo apparecchio... Quello proprio non lo posso cambiare, a meno che non sposti la casa di 10 metri circa :)
boiler ha scritto:GenTLe ha scritto:hobbista del fai-da-te
Ma guarda chi sirivederilegge! Benvenuto!![]()
Ma buongiorno!!!
0
voti
GenTLe ha scritto:Sui 10m tra scaricatore e ultimo apparecchio... Quello proprio non lo posso cambiare, a meno che non sposti la casa di 10 metri circa :)
A volte pensano anche di spostare il posto di installazione dell'SPD...
0
voti
GenTLe ha scritto: nel seminterrato e da li parte la derivazione per il centralino del piano interrato (a 50cm di distanza dalla giunzione col FG16) e la derivazione per il centralino del piano abitazione (a 5m circa).
Questo potrebbe essere un buon punto dove far installare gli SPD, è fattibile?
GenTLe ha scritto: cavi monoanima, a volte telati, "corrugati" in metallo con anima in catrame
Bello!
-

SediciAmpere
4.187 5 5 8 - Master

- Messaggi: 4847
- Iscritto il: 31 ott 2013, 15:00
0
voti
GioArca67 ha scritto:A volte pensano anche di spostare il posto di installazione dell'SPD...
Chiaro, ma in mezzo ho solo giardino (cavidotto interrato) ;) O lo metto nel mini centralino a ridosso del contatore (in una colonnetta di cemento sulla cinta di casa) e a 1m dalla palina di terra o nel centralino del piano interrato, a 15 metri dal contatore e 14m dalla palina di terra (e proteggo solo il seminterrato dato che sopra ho un altro centralino indipendente) :)
Alternativa? Su un albero
Ultima modifica di
GenTLe il 6 ott 2025, 21:13, modificato 1 volta in totale.
0
voti
SediciAmpere ha scritto:Questo potrebbe essere un buon punto dove far installare gli SPD, è fattibile?
Mica troppo: da quel centralino controllo solo il seminterrato, ho un altro centralino al piano fuori terra che ha l'alimentazione diretta sempre dal contatore. Se lo metto nel seminterrato non proteggo il fuori terra e viceversa, l'unico punto sensato è vicino al contatore che protegge tutto quello che sta a valle (ed è attaccato alla palina di terra).
11 messaggi
• Pagina 1 di 2 • 1, 2
Torna a Impianti, sicurezza e quadristica
Chi c’è in linea
Visitano il forum: Google [Bot] e 83 ospiti

Elettrotecnica e non solo (admin)
Un gatto tra gli elettroni (IsidoroKZ)
Esperienza e simulazioni (g.schgor)
Moleskine di un idraulico (RenzoDF)
Il Blog di ElectroYou (webmaster)
Idee microcontrollate (TardoFreak)
PICcoli grandi PICMicro (Paolino)
Il blog elettrico di carloc (carloc)
DirtEYblooog (dirtydeeds)
Di tutto... un po' (jordan20)
AK47 (lillo)
Esperienze elettroniche (marco438)
Telecomunicazioni musicali (clavicordo)
Automazione ed Elettronica (gustavo)
Direttive per la sicurezza (ErnestoCappelletti)
EYnfo dall'Alaska (mir)
Apriamo il quadro! (attilio)
H7-25 (asdf)
Passione Elettrica (massimob)
Elettroni a spasso (guidob)
Bloguerra (guerra)



