Cos'è ElectroYou | Login Iscriviti

ElectroYou - la comunità dei professionisti del mondo elettrico

Calcolo tensione uscita schema amplificatore

Elettronica lineare e digitale: didattica ed applicazioni

Moderatori: Foto Utentecarloc, Foto Utenteg.schgor, Foto UtenteBrunoValente, Foto UtenteIsidoroKZ

1
voti

[1] Calcolo tensione uscita schema amplificatore

Messaggioda Foto Utentevinscordium » 4 apr 2011, 19:15

Salve a tutti,

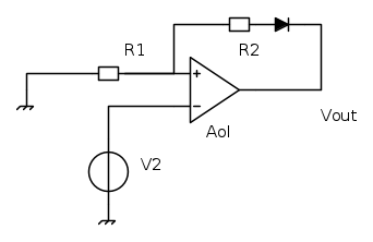
mi sto esercitando con lo studio degli amplificatori operazionali ed ho inventato il seguente schema elettrico (per puro scopo didattico...ho solo preso carta e penna fatto uno schemino per poi vedere se sono in grado di calcolare la tensione di uscita) mi chiedevo se approssimassi in maniera corretta la tensione di uscita.
Sia V1 la tensione di alimentazione del sistema (15 V ad esempio) ; V2 un segnale di piccola ampiezza (dell'ordine delle decine di mV); R1 to R6 resistenze da 1 k\Omega; Aol il guadagno in open loop dell'operazionale.



Le mie considerazioni sono le seguenti, supponendo la tensione V2 << V1 il diodo in serie alla resistenza R5 è inversamente polarizzato, dunque la corrente che vi scorre è circa zero; lo stesso ragionamento lo applico alla serie R3+R4, quindi l'uscita dell'operazionale mi aspetto sia pari a:

V_o_u_t = Aol * \frac{ V_1 * R_2 }{ R_1 + R_2 }

In queste ipotesi, siccome il sistema non è retrazionato ma funziona in open loop, l'uscita è sempre in saturazione. Voi che ne pensate?

Ciao a tutti e grazie per l'eventuale supporto!
Avatar utente
Foto Utentevinscordium
45 4
New entry
New entry
 
Messaggi: 51
Iscritto il: 22 feb 2011, 22:31

0
voti

[2] Re: Aiuto su calcolo tensione uscita schema amplificatore

Messaggioda Foto Utentemancio » 4 apr 2011, 21:17

Con le tue ipotesi avrai: Vout=Aol*(Vr2-V2)=+Vsat.
Avatar utente
Foto Utentemancio
-30 1 4
 
Messaggi: 35
Iscritto il: 30 nov 2010, 19:07

1
voti

[3] Re: Aiuto su calcolo tensione uscita schema amplificatore

Messaggioda Foto UtenteDirtyDeeds » 4 apr 2011, 21:47

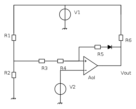
Se supponi che la resistenza di uscita dell'opamp sia molto più piccola di R_6, puoi semplificare il tuo circuito così:



dove

V_\text{eq} = \frac{R_2}{R_1+R_2}

e

R_\text{eq} = \frac{R_1 R_2}{R_1+R_2}+R_3+R_4

Tanto per farla breve, supponiamo che l'opamp sia alimentato a tensione duale e che l'uscita possa variare tra +V_\text{sat} e -V_\text{sat}. Ora se v_\text{out}=+V_\text{sat} il diodo non conduce e l'uscita rimane a +V_\text{sat} se V_\text{eq}>V_2. Se V_2 diventa maggiore di V_\text{eq}, allora l'uscita commuta a -V_\text{sat} e il diodo entra in conduzione. Supponendo che il diodo possa essere considerato ideale (tanto per farla facile), la tensione sul piedino non invertente dell'operazionale diventa

v_\text{P} = V_\text{eq}\frac{R_5}{R_\text{eq}+R_5}-V_\text{sat}\frac{R_\text{eq}}{R_\text{eq}+R_5}

A questo punto, perché la tensione di uscita diventi di nuovo a +V_\text{sat}, bisogna avere V_2<v_\text{P}. Il risultato è che hai ottenuto un comparatore con isteresi, con soglie pari a (supponendo di considerare V_2 come ingresso)

V_\text{TL} = V_\text{eq}\frac{R_5}{R_\text{eq}+R_5}-V_\text{sat}\frac{R_\text{eq}}{R_\text{eq}+R_5}

e

V_\text{TH} = V_\text{eq}

Un po' più complicata di come l'hai fatta tu ;-)

BTW, nella forma



il circuito non è privo di utilità perché permette di fare un comparatore con isteresi con una soglia ancorata a zero, ed in effetti mi è capitato di utilizzarlo (con un comparatore vero al posto dell'opamp, però).
It's a sin to write sin instead of \sin (Anonimo).
...'cos you know that cos ain't \cos, right?
You won't get a sexy tan if you write tan in lieu of \tan.
Take a log for a fireplace, but don't take log for \logarithm.
Avatar utente
Foto UtenteDirtyDeeds
55,9k 7 11 13
G.Master EY
G.Master EY
 
Messaggi: 7012
Iscritto il: 13 apr 2010, 16:13
Località: Somewhere in nowhere

0
voti

[4] Re: Aiuto su calcolo tensione uscita schema amplificatore

Messaggioda Foto Utentevinscordium » 4 apr 2011, 22:19

Ciao Dirtydeeds,

non capisco la relazione :

v_\text{N} = V_\text{eq}\frac{R_5}{R_\text{eq}+R_5}-V_\text{sat}\frac{R_\text{eq}}{R_\text{eq}+R_5}

come l'hai ricavata al morsetto invertente?

Comunque grazie a te ed a mancio per esservi interassati al "post"!
Avatar utente
Foto Utentevinscordium
45 4
New entry
New entry
 
Messaggi: 51
Iscritto il: 22 feb 2011, 22:31

0
voti

[5] Re: Aiuto su calcolo tensione uscita schema amplificatore

Messaggioda Foto Utentevinscordium » 4 apr 2011, 22:22

Scusate mi son dimenticato di inserire la formula correttamente :

v_\text{N} = V_\text{eq}\frac{R_5}{R_\text{eq}+R_5}-V_\text{sat}\frac{R_\text{eq}}{R_\text{eq}+R_5}
Avatar utente
Foto Utentevinscordium
45 4
New entry
New entry
 
Messaggi: 51
Iscritto il: 22 feb 2011, 22:31

0
voti

[6] Re: Aiuto su calcolo tensione uscita schema amplificatore

Messaggioda Foto UtenteDirtyDeeds » 4 apr 2011, 22:26

Puoi ricavarla un po' come vuoi: sovrapposizione degli effetti, Millman...

Quando l'opamp è in saturazione, lo puoi considerare (approssimativamente) come un generatore ideale di tensione.

Ovviamente, la tensione è sul morsetto non invertente... my mistake :!: mo' correggo...
It's a sin to write sin instead of \sin (Anonimo).
...'cos you know that cos ain't \cos, right?
You won't get a sexy tan if you write tan in lieu of \tan.
Take a log for a fireplace, but don't take log for \logarithm.
Avatar utente
Foto UtenteDirtyDeeds
55,9k 7 11 13
G.Master EY
G.Master EY
 
Messaggi: 7012
Iscritto il: 13 apr 2010, 16:13
Località: Somewhere in nowhere

1
voti

[7] Re: Calcolo tensione uscita schema amplificatore

Messaggioda Foto Utentevinscordium » 4 apr 2011, 23:11

Ciao,

praticamente devo considerare il seguente circuito equivalente :



Applicando la sovrapposizione degli effetti, mi calcolo la Vp.
Comunque ti ringrazio per l'ottima spiegazione!
Avatar utente
Foto Utentevinscordium
45 4
New entry
New entry
 
Messaggi: 51
Iscritto il: 22 feb 2011, 22:31


Torna a Elettronica generale

Chi c’è in linea

Visitano il forum: Google Adsense [Bot] e 88 ospiti