ho un problema con un esercizio, è un pezzo di un esame, e visto che l'appello si avvicina, vorrei arrivarci senza dubbi di sorta
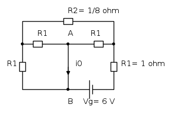
Il circuito è questo:
Quello che devo fare è trovare la corrente che scorre nel ramo A-B.
Ho abbozzato un procedimento ma, come si suole dire, sono più confuso che persuaso
Trasformazioni Triangolo - Stella mi sono sembrate poco plausibili, a causa delle differenze di resistenza..
Ho pensato però che potevo mettere in parallelo questi 2 resistori:
E valutare la tensione in A-B, come la tensione che c'è ai capi del resistore equivalente, ottenuto dal parallelo...
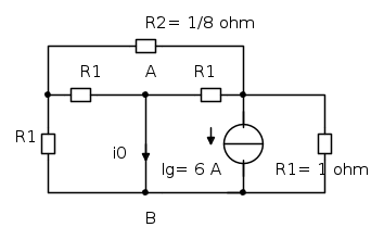
E' correto rappresentare adesso il circuito cosi?:
Dopo ciò, ho messo in serie il resistore
con
, ricordandomi che più avanti dovrò fare un partitore di tensione... e arrivo qui:[unparseable or potentially dangerous latex formula]

Dal parallelo che ne esce, ottengo una resistenza:

Poi devo fare un altro partitore di tensione, considerando anche quello precedente scrivo:

E poi metto:
, il segno meno l'ho aggiunto ad occhio....Mi dite dove mi complico la vita e come sistemate?
Grazie
-----------------------------------------------------------------------------------------------------------
Edit:
Ho pensato che forse devo considerare questo resistore in corto:
Puo essere?
Grazie

Elettrotecnica e non solo (admin)
Un gatto tra gli elettroni (IsidoroKZ)
Esperienza e simulazioni (g.schgor)
Moleskine di un idraulico (RenzoDF)
Il Blog di ElectroYou (webmaster)
Idee microcontrollate (TardoFreak)
PICcoli grandi PICMicro (Paolino)
Il blog elettrico di carloc (carloc)
DirtEYblooog (dirtydeeds)
Di tutto... un po' (jordan20)
AK47 (lillo)
Esperienze elettroniche (marco438)
Telecomunicazioni musicali (clavicordo)
Automazione ed Elettronica (gustavo)
Direttive per la sicurezza (ErnestoCappelletti)
EYnfo dall'Alaska (mir)
Apriamo il quadro! (attilio)
H7-25 (asdf)
Passione Elettrica (massimob)
Elettroni a spasso (guidob)
Bloguerra (guerra)












...



