Cos'è ElectroYou | Login Iscriviti

ElectroYou - la comunità dei professionisti del mondo elettrico

Rilevatore presenze

Sensori, trasduttori, regolatori...
0
voti

[1] Rilevatore presenze

Messaggioda Foto Utentedhedms » 24 set 2011, 16:04

Ciao a tutti voi!
Vi scrivo poiché ho una semplice necessità, però non essendo un elettricista mi risulta difficile!
Ho in mano una fotocellula 240V con catarifrangente, un temporizzatore da 240 V e una sirena da 12 V.
E' mia intenzione costruire un rilevatore passaggi, la fotocellula con rifrangente quando il segnale
si interrompe fa suonare la sirena, ovviamente il temporizzatore mi permette di "allungare" il lasso di tempo
in cui la sirena suona. D'ovè il problema? Purtroppo non ricordo come si fa #-o .
L'ho visto costruire anni fa, ma la memoria non mi aiuta...
Qualcuno di voi saprebbe farmi un semplice schema capibile anche per me (ignorante in materia!)
per creare ciò? Soprattutto non so come dare corrente alla sirena poiché il tensione è da 12, non da 220...

Ne ho necessità poiché devo proteggere l'entrata di un piccolo box adiacente alla mia abitazione.
Grazie mille a tutti!
Avatar utente
Foto Utentedhedms
5 2
 
Messaggi: 25
Iscritto il: 24 set 2011, 15:43

0
voti

[2] Re: Rilevatore presenze

Messaggioda Foto Utenteg.schgor » 24 set 2011, 17:37

La fotocellula funziona? (cioè se alimentata, con fascio
di luce interrotto chiude un contatto?)
Poi che tipo è il temporizzatore? (è di quelli programmabili
che possono prolungare l'impulso della fotocellula?)
Infine la sirena : a 2V4 alternata o continua?
Se rispondi, possiamo vedere di mettere assieme uno schema.
Avatar utente
Foto Utenteg.schgor
57,8k 9 12 13
G.Master EY
G.Master EY
 
Messaggi: 16971
Iscritto il: 25 ott 2005, 9:58
Località: MILANO

0
voti

[3] Re: Rilevatore presenze

Messaggioda Foto Utentedhedms » 25 set 2011, 10:26

Ciao! Grazie per l'interesse :D
Allora ti do un po di dati tecnici,

Fotocellula OMRON a riflessione:
Distanza di commutazione-4 m
Commutazione-commutazione per presenza di luce/assenza di luce commutabile
Grado di protezione-IP 66
Dimensioni LA x A x P-25 x 65 x 75 mm
Tensione di servizio-12...240 VDC , 24...240 VAC
Relè, uscita-3 A @ 250 VAC

Temporizzatore LOVATO
Temporizzatore elettronico multitensione, multiscala con 1 contatto in scambio in uscita ritardato all’eccitazione.
Tempo di ritardo regolabile sul fronte da 0,3 a 768 secondi
Scelta del valore di fondo scala mediante dip-switch
LED di segnalazione presenza alimentazione ed eccitazione relè
grado di protezione: IP40 sul fronte, IP20 morsetti.
Tensione nominale alimentazione ausiliaria 24VAC 100÷240VAC

Sirena
Sirena da esterno a tenuta stagna (IP44)
Alimentazione: 6/14 V
Consumo: 1200mA
Livello potenza suono (a 1 metro): 108 dB

Questo è tutto ciò che posso dirti/dirvi.
Grazie g.schgor per l'interesse!
[-o<

O_/
Avatar utente
Foto Utentedhedms
5 2
 
Messaggi: 25
Iscritto il: 24 set 2011, 15:43

0
voti

[4] Re: Rilevatore presenze

Messaggioda Foto Utenteg.schgor » 25 set 2011, 11:52

OK, allora mi sembra che l'unico problema sia l'alimentazione della sirena:
occorre un alimentatore 12Vcc da 1.5A.
Il circuito è presto fatto: contatto fotocellula che inserisce
temporizzatore e alimentatore sirena (quest'ultimo con in
serie il contatto ritardato del temporizzatore)
Avatar utente
Foto Utenteg.schgor
57,8k 9 12 13
G.Master EY
G.Master EY
 
Messaggi: 16971
Iscritto il: 25 ott 2005, 9:58
Località: MILANO

0
voti

[5] Re: Rilevatore presenze

Messaggioda Foto Utentedhedms » 1 ott 2011, 17:06

Ciao g.schgor,
in tutta onestà ho provato a fare il circuito ma davvero non riesco...
immagino che per un elettricista sia una passeggiata :lol:
ma per me che non lo sono purtroppo no :?

Ho qui in mano sia la fotocellula che il temporizzatore,
però non capisco come fare il collegamento che tu mi dici,
ci fosse un'entrata ed un'uscita sarebbe facile ma sulla fotocellula
e sul temporizzatore ci sono molti punt in cui attaccarsi, e io non so cosa e dove attaccare :roll:

Non so se riesci ad essermi maggiormente d'aiuto mostrandoti le foto dei componenti...
io ci provo!

http://imageshack.us/photo/my-images/69/fotocellula.jpg
http://imageshack.us/photo/my-images/69 ... zatore.png
Avatar utente
Foto Utentedhedms
5 2
 
Messaggi: 25
Iscritto il: 24 set 2011, 15:43

0
voti

[6] Re: Rilevatore presenze

Messaggioda Foto Utenteg.schgor » 1 ott 2011, 17:56

Prima di passare al circuito, dovresti rispondermi al problema
che ti ho posto: come alimenti la sirena? (Hai un alimentatore 12Vcc?)
Per il resto è davvero facile:
-La fotocellula viene alimentata con 230Vca sui morsetti 1 e 2
(come si vede nettamente dalla foto)
- Il relè con 230Vca sui morsetti A1 e A2
(come da datasheet AT1P)
Se rispondi alla domanda, vediamo lo schema di inserzione della sirena.
Avatar utente
Foto Utenteg.schgor
57,8k 9 12 13
G.Master EY
G.Master EY
 
Messaggi: 16971
Iscritto il: 25 ott 2005, 9:58
Località: MILANO

0
voti

[7] Re: Rilevatore presenze

Messaggioda Foto Utentedhedms » 2 ott 2011, 10:29

Buon giorno,
grazie intanto per il tutto,
la sirena l'ho cambiata, ho una con alimentazione DC10-14 V. Assorbimento 250 mA.
E si, ho in casa dei trasformatori con quel tensione, quindi non dovrei avere problemi.

Grazie!!!!!!! A buon rendere comuqnue! ;-)
Avatar utente
Foto Utentedhedms
5 2
 
Messaggi: 25
Iscritto il: 24 set 2011, 15:43

1
voti

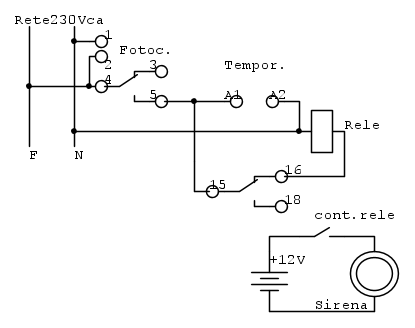
[8] Re: Rilevatore presenze

Messaggioda Foto Utenteg.schgor » 2 ott 2011, 15:27

C'e un problema: con il temporizzatore AT1P ritardato all'eccitazione
e la sirena con alimentazione in continua, è necessario un relè in più.
va bene lo stesso?
Il circuito dovrebbe essere questo:


Se però il 12Vcc è ricavato da un alimentatore connesso alla rete
e non ha altre funzioni, si può mettere questo al posto del relè
ed alimentare direttamente la sirena.
Avatar utente
Foto Utenteg.schgor
57,8k 9 12 13
G.Master EY
G.Master EY
 
Messaggi: 16971
Iscritto il: 25 ott 2005, 9:58
Località: MILANO

0
voti

[9] Re: Rilevatore presenze

Messaggioda Foto Utentedhedms » 3 ott 2011, 20:53

:-o
In effetti l'alimentatore serve solo ad alimentare la sirena, e nulla più.
Giovedì vedo se riesco a fare il tutto, speriamo in bene.
Spero di non doverti più rompere ;-)

Ti farò sapere!
Ciao O_/
Avatar utente
Foto Utentedhedms
5 2
 
Messaggi: 25
Iscritto il: 24 set 2011, 15:43

0
voti

[10] Re: Rilevatore presenze

Messaggioda Foto Utentedhedms » 8 ott 2011, 18:13

Purtroppo solo oggi ho avuto modo di prendere i componenti in mano e il tuo schema.
Se ho ben capito:

FOTOCELLULA: IN 1 METTO IL NERO 220 V
FOTOCELLULA: IN 2 E 4 ROSSO 220 V

TEMPORIZZATORE: IN A1 E 15 HO IL CAVO PROVENIENTE DAL 5 FOTOCELLULA
TEMPORIZZATORE: IN A2 MI COLLEGO A 1 DELLA FOTOCELLULA.
TEMPORIZZATORE: CON A2 E 16 ALIMENTO IL TRASFORMATORE DELLA SIRENA.

Mi confermi di aver capito le tue istruzioni? #-o

O_/
Avatar utente
Foto Utentedhedms
5 2
 
Messaggi: 25
Iscritto il: 24 set 2011, 15:43

Prossimo

Torna a Sensoristica

Chi c’è in linea

Visitano il forum: Nessuno e 8 ospiti