controllo toni
Moderatore:
IsidoroKZ
0
voti
[254] Re: controllo toni
FirstByte ha scritto:non ne faccio una questione di tempo ma solo di precisione... lo sviluppo su 2 faccie fate in maniera casareccia con la fotoincisione mi mette terrore...
http://www.ebay.it/itm/Circuiti-Stampati-PCB-realizzati-con-fotoincisione-/130588047994?pt=Altro_Elettronica_e_Elettricit%C3%A0&hash=item1e67a77a7a#ht_500wt_1287
0
voti
[255] Re: controllo toni
grazie X ma sono partito in quinta ormai aspetto i pezzi per montare la CNC
speriamo esca un buon lavoro
speriamo esca un buon lavoro
4
voti
[256] Re: controllo toni
Al piu` parti in quarta, non in quinta, e non e` una marcia del cambio dell'automobile. A partire in quarta o in quinta si spegne il motore. La quarta cui fa riferimento la frase e` una posizione della scherma, molto aggressiva: partire in quarta vuol dire partire all'attacco deciso, senza temporeggiare.
Per usare proficuamente un simulatore, bisogna sapere molta più elettronica di lui
Plug it in - it works better!
Il 555 sta all'elettronica come Arduino all'informatica! (entrambi loro malgrado)
Se volete risposte rispondete a tutte le mie domande
Plug it in - it works better!
Il 555 sta all'elettronica come Arduino all'informatica! (entrambi loro malgrado)
Se volete risposte rispondete a tutte le mie domande
0
voti
[257] Re: controllo toni
Sai Isidoro, di posizioni ve ne sono ben 8 !
Lasciamo che scelga quella che più gli aggrada
Lasciamo che scelga quella che più gli aggrada
-

Ivan_Iamoni
5.336 6 10 12 - Utente disattivato per decisione dell'amministrazione proprietaria del sito
- Messaggi: 2330
- Iscritto il: 22 ott 2006, 18:45
0
voti
[259] Re: controllo toni
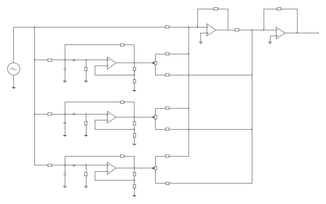
Anche io me ne sto costruendo uno, ma penso che adotterò questa
soluzione :
soluzione :
0
voti
[260] Re: controllo toni
XStreme ha scritto:Anche io me ne sto costruendo uno, ma penso che adotterò questa
soluzione
Hai provato almeno a simulare la risposta di questo "controllo di tono"? Ho il sospetto che non ci sia UNA posizione dei controlli che SIA UNA in cui hai una risposta ragionevolmente piatta sull'intera banda audio. I filtri che hai usato (a Q aumentato) rischiano di farti avere una "rispsota piatta" come il profilo delle Dolomiti che oltrettutto ,con il tipo di miscelazione dei segnali che usi all'uscita (un discreto pasticcio, fidati...) rischi di farle diventare... le Dolomiti dell'Himalaya!
Ciao
Piercarlo
Torna a Elettronica e spettacolo
Chi c’è in linea
Visitano il forum: Nessuno e 12 ospiti

Elettrotecnica e non solo (admin)
Un gatto tra gli elettroni (IsidoroKZ)
Esperienza e simulazioni (g.schgor)
Moleskine di un idraulico (RenzoDF)
Il Blog di ElectroYou (webmaster)
Idee microcontrollate (TardoFreak)
PICcoli grandi PICMicro (Paolino)
Il blog elettrico di carloc (carloc)
DirtEYblooog (dirtydeeds)
Di tutto... un po' (jordan20)
AK47 (lillo)
Esperienze elettroniche (marco438)
Telecomunicazioni musicali (clavicordo)
Automazione ed Elettronica (gustavo)
Direttive per la sicurezza (ErnestoCappelletti)
EYnfo dall'Alaska (mir)
Apriamo il quadro! (attilio)
H7-25 (asdf)
Passione Elettrica (massimob)
Elettroni a spasso (guidob)
Bloguerra (guerra)






