Ciao a tutti,
di recente mi è capitato sotto mano un amplificatore per basso Carvin PB400.
Ci sono passate molte mani sopra facendo più che altro danni, ora mi trovo con lo schema originale perciò pur non essendo molto bravo, spero di riuscire a ripararlo.
Il problema è che non capisco a cosa serva il TIP32 qualcuno mi potrebbe aiutare?
Per di più, al posto del tip32 c'era un tip32C e andando a controllare sembrano lavorare a tensioni molto diverse!
Grazie dell'eventuale aiuto mi vorrete offrire.
capire il funzionamento di un amplificatore audio
Moderatore:
IsidoroKZ
8 messaggi
• Pagina 1 di 1
0
voti
Ultima modifica di
alev il 8 dic 2011, 18:23, modificato 2 volte in totale.
Motivazione: Ridotta dimensione immagine
Motivazione: Ridotta dimensione immagine
-

manuelmonforte
5 2 - Messaggi: 7
- Iscritto il: 8 dic 2011, 0:11
- Località: genova
0
voti
Innanzitutto i circuiti qui si postano con fidocadj
Quando l'avrai ripostato, riceverai risposta.
Quando l'avrai ripostato, riceverai risposta.

Per usare un simulatore devi conoscere più elettronica di lui. [
IsidoroKZ]
40. There are two ways to write error-free programs; only the third one works.
[Alan J. Perlis, Epigrams on Programming]
40. There are two ways to write error-free programs; only the third one works.
[Alan J. Perlis, Epigrams on Programming]
0
voti
Si avevo letto ma ora che sto scaricando il fidocadj me lo devo ridisegnare?!
Non è uno schema da modificare, solo da leggere...!

Non è uno schema da modificare, solo da leggere...!
-

manuelmonforte
5 2 - Messaggi: 7
- Iscritto il: 8 dic 2011, 0:11
- Località: genova
1
voti
provo a mettere lo schema disegnato con fidocadj
-

manuelmonforte
5 2 - Messaggi: 7
- Iscritto il: 8 dic 2011, 0:11
- Località: genova
10
voti
OberoN ha scritto:Innanzitutto i circuiti qui si postano con fidocadj![]()
Quando l'avrai ripostato, riceverai risposta.
Si
X
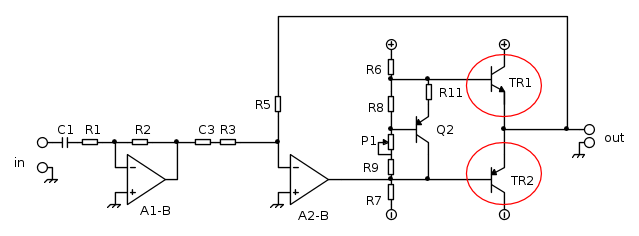
Il TIP32 (Q2) in questo schema svolge un ruolo importante: è utilizzato per stabilizzare la corrente a riposo dei transistor finali (mosfet nel tuo caso).
La parte di schema a destra di Q2 è sostanzialmente la parte di pilotaggio e di potenza del tuo amplificatore e, pur appartenendo alla solita filosofia degli amplificatori in classe AB, ha una struttura circuitale che può cambiare molto a seconda del tipo di amplificatore.
Nel tuo caso è abbastanza complicata e, chi non è molto smaliziato con i circuiti, potrebbe avere qualche difficoltà a ricondurla alla struttura di principio da cui ha origine, utile per comprenderne il funzionamento.
In sostanza tutti i transistor che si trovano tra Q2 e i mosfet finali servono a creare (detto in modo molto semplificato), insieme ai mosfet una sorta di unico transistor NPN (quelli nella parte superiore dello schema) e di unico transistor PNP (quelli nella parte inferiore dello schema).
In pratica il "circuito di principio" del tuo amplificatore è questo:
dove i transistor cerchiati sono l'equivalente di tutto il circuito a destra di Q2.
Come vedi si tratta di una configurazione standard dove Q2 polarizza le basi dei finali (equivalenti) con una tensione tale da assicurare una piccola corrente a riposo nei finali stessi in modo che si realizzi la classe AB.
Q2 svolge il ruolo di un diodo zener regolabile tramite P1 e assicura che la differenza di potenziale tra le basi di TR1 e TR2 sia costante durante l'escursione prodotta dal segnale audio.
Se Q2 è montato sul dissipatore svolge anche il ruolo di regolatore termico: variano le sue caratteristiche con la temperatura del dissipatore e le cose vanno in modo che si abbassa la corrente a riposo nei finali quando la temperatura sale e quindi produce una sorta di autoregolazione della temperatura.
-

BrunoValente
39,6k 7 11 13 - G.Master EY

- Messaggi: 7796
- Iscritto il: 8 mag 2007, 14:48
2
voti
E` il moltiplicatore di VBE per mettere a posto la tensione di polarizzazione dello stadio finale. Qualunque transistore va bene, incluso il tip32C.
Per usare proficuamente un simulatore, bisogna sapere molta più elettronica di lui
Plug it in - it works better!
Il 555 sta all'elettronica come Arduino all'informatica! (entrambi loro malgrado)
Se volete risposte rispondete a tutte le mie domande
Plug it in - it works better!
Il 555 sta all'elettronica come Arduino all'informatica! (entrambi loro malgrado)
Se volete risposte rispondete a tutte le mie domande
0
voti
Grazie Bruno e isidoro,
ora è molto più chiaro, spero di potermici applicare al più presto e vi terrò aggiornati di quali esplosioni avrò causato
Grazie
ora è molto più chiaro, spero di potermici applicare al più presto e vi terrò aggiornati di quali esplosioni avrò causato
Grazie
-

manuelmonforte
5 2 - Messaggi: 7
- Iscritto il: 8 dic 2011, 0:11
- Località: genova
0
voti
ottima spiegazione di
BrunoValente, perfettamente d'accordo.
la differenza da TIP32 e TIP32C è la massima tensione di lavoro, e poco altro, nel tuo caso vanno bene entrambi, come dichiarato da
IsidoroKZ
la differenza da TIP32 e TIP32C è la massima tensione di lavoro, e poco altro, nel tuo caso vanno bene entrambi, come dichiarato da
-

lelerelele
4.899 3 7 9 - Master

- Messaggi: 5505
- Iscritto il: 8 giu 2011, 8:57
- Località: Reggio Emilia
8 messaggi
• Pagina 1 di 1
Torna a Elettronica e spettacolo
Chi c’è in linea
Visitano il forum: Nessuno e 22 ospiti

Elettrotecnica e non solo (admin)
Un gatto tra gli elettroni (IsidoroKZ)
Esperienza e simulazioni (g.schgor)
Moleskine di un idraulico (RenzoDF)
Il Blog di ElectroYou (webmaster)
Idee microcontrollate (TardoFreak)
PICcoli grandi PICMicro (Paolino)
Il blog elettrico di carloc (carloc)
DirtEYblooog (dirtydeeds)
Di tutto... un po' (jordan20)
AK47 (lillo)
Esperienze elettroniche (marco438)
Telecomunicazioni musicali (clavicordo)
Automazione ed Elettronica (gustavo)
Direttive per la sicurezza (ErnestoCappelletti)
EYnfo dall'Alaska (mir)
Apriamo il quadro! (attilio)
H7-25 (asdf)
Passione Elettrica (massimob)
Elettroni a spasso (guidob)
Bloguerra (guerra)



