Buongiorno a tutti, sono nuovo del sito, anche se lo frequento da diverso tempo.
Volevo chiedere come interpretare il paragrafo della V3 della 64 8 relativamente al numero di circuiti.
Mi spiego meglio:
la variante, stabilisce il numero di circuiti relativi ad un appartamento tenendo conto della superficie, del livello qualitativo ecc.. Poi alla nota 8 della tabella A dice che sono esclusi dal conteggio "eventuali circuiti destinati all'alimentazione di apparecchi (ad esempio scalda acqua, caldaie condizionatori, estrattori e anche i circuiti di box soffitte e cantine)".
Penso che questa nota riferita agli apparecchi possa essere interpretata in due modi.
primo modo: se per esempio sono necessari due circuiti ed ho bisogno di un condizionatore, sono costretto a creare un ulteriore circuito dal centralino appositamente dedicato.
secondo modo: se decido di installare il condizionatore posso creare o no un circuito apposito però se lo creo questo circuito non può essere uno dei due obbligatori.
queste diverse interpretazioni apparentemente potrebbero portare alla stessa conclusione, ma solo apparentemente perché attenendosi alla prima soluzione, nel caso di più apparecchi aumenterebbero i circuiti da installare.
Ad esempio in un piccolo appartamento con estrattore, scaldabagno e condizionatore sarebbero necessari 5 circuiti?
Che ne pensate?
Vi ringrazio in anticipo per le risposte che vorrete darmi
64 8 V3 numero di circuiti
Moderatori:
sebago,
MASSIMO-G,
lillo,
Mike
6 messaggi
• Pagina 1 di 1
0
voti
Io la vedo così.
Il numero di circuiti va in base alla grandezza dell'appartamento:
nel caso da te citato ne servono due. (non viene specificato in che modo, ma praticamente viene chiesto di dividere l'impianto in due).
Viene però specificato di NON INCLUDERE nel conteggio le alimentazioni di carichi fissi (caldaia, scaldabagno condizionatori etc) e linee dedicate alle alimentazioni di box ,cantine, soffitte.
L'obbiettivo credo sia di costringere a suddividere l'impianto in piu' aree distinte in base alla grandezza per avere il minimo di disagio in casi di guasto oltre una piu' facile ricerca dello stesso.
Infatti parliamo di livello prestazionale di un impianto.
La scelta di fare una linea dedicata per il condizionatore è una scelta sensata ma non credo che sia obbligatoria.
Forse essendo un apparecchio a istallazione fissa è obbligatorio dar la possibilità di poterlo sezionare per la manutenzione? Però credo che il comendo debba essere in prossimità dell'apparecchio.
Credo sentiamo altri pareri.
Il numero di circuiti va in base alla grandezza dell'appartamento:
nel caso da te citato ne servono due. (non viene specificato in che modo, ma praticamente viene chiesto di dividere l'impianto in due).
Viene però specificato di NON INCLUDERE nel conteggio le alimentazioni di carichi fissi (caldaia, scaldabagno condizionatori etc) e linee dedicate alle alimentazioni di box ,cantine, soffitte.
L'obbiettivo credo sia di costringere a suddividere l'impianto in piu' aree distinte in base alla grandezza per avere il minimo di disagio in casi di guasto oltre una piu' facile ricerca dello stesso.
Infatti parliamo di livello prestazionale di un impianto.
La scelta di fare una linea dedicata per il condizionatore è una scelta sensata ma non credo che sia obbligatoria.
Forse essendo un apparecchio a istallazione fissa è obbligatorio dar la possibilità di poterlo sezionare per la manutenzione? Però credo che il comendo debba essere in prossimità dell'apparecchio.
Credo sentiamo altri pareri.
0
voti
Ciao e grazie per aver risposto. In effetti mi sono espresso male quando ho scritto "sono costretto" a mettere una linea per il condizionatore. Avrei dovuto scrivere "se per esempio decido.." perché lo scopo era quello di fare un esempio proprio per capire se questa linea in più, era richiesta dalla variante (nota8 tab. A) oppure se, avendo deciso di installarla, questa non può considerarsi una delle due obbligatorie. In altri termini: decidi pure di mettere tutte le linee che vuoi, per esempio una per il condizionatore e se vuoi una per l'estrattore ecc. ma tutte queste linee in più ( che riguardano certi utilizzatori) non ti permetteranno di farti lo sconto sui circuiti chiesti per obbligo, nel caso due.
Saluti
Saluti
-

zeppelin54
0 2 - Messaggi: 3
- Iscritto il: 15 mar 2012, 20:16
2
voti
A mio parere, viene inteso che non si può computare nel numero minimo dei circuiti, le alimentazioni di singoli utilizzatori o circuiti esterni ai locali dell'abitazione; questi possono ovviamente (a discrezione del progettista, in accordo con la committenza) essere protetti direttamente dal quadro d'appartamento, ma possono anche essere alimentati dalle linee prescritte.
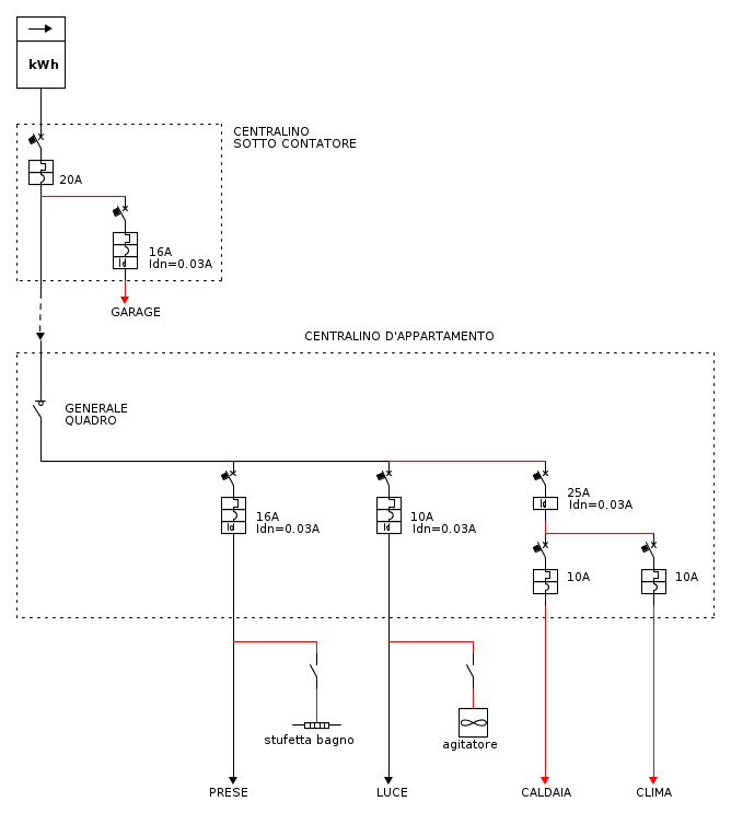
Ad esempio, per un appartamentino di 50 m², una possibile soluzione potrebbe essere questa:
...ma anche questa:
...ma anche altre.
Chiaramente è solo a titolo di esempio, ho tralasciato i consigli su quale tipo di differenziali installare, le dimensioni dei conduttori...
Ad esempio, per un appartamentino di 50 m², una possibile soluzione potrebbe essere questa:
...ma anche questa:
...ma anche altre.
Chiaramente è solo a titolo di esempio, ho tralasciato i consigli su quale tipo di differenziali installare, le dimensioni dei conduttori...
Igor
-

elettrodomus
10,1k 6 12 13 - G.Master EY

- Messaggi: 2607
- Iscritto il: 28 gen 2011, 22:38
- Località: Bassa Bresciana
0
voti
Ciao elettrodomus, la tua risposta è stata molto esaustiva ed ora, tutto sommato, le conclusioni mi sembrano anche ovvie.
grazie ancora per la partecipazione.
grazie ancora per la partecipazione.

-

zeppelin54
0 2 - Messaggi: 3
- Iscritto il: 15 mar 2012, 20:16
-

elettrodomus
10,1k 6 12 13 - G.Master EY

- Messaggi: 2607
- Iscritto il: 28 gen 2011, 22:38
- Località: Bassa Bresciana
6 messaggi
• Pagina 1 di 1
Torna a Impianti, sicurezza e quadristica
Chi c’è in linea
Visitano il forum: Nessuno e 164 ospiti

Elettrotecnica e non solo (admin)
Un gatto tra gli elettroni (IsidoroKZ)
Esperienza e simulazioni (g.schgor)
Moleskine di un idraulico (RenzoDF)
Il Blog di ElectroYou (webmaster)
Idee microcontrollate (TardoFreak)
PICcoli grandi PICMicro (Paolino)
Il blog elettrico di carloc (carloc)
DirtEYblooog (dirtydeeds)
Di tutto... un po' (jordan20)
AK47 (lillo)
Esperienze elettroniche (marco438)
Telecomunicazioni musicali (clavicordo)
Automazione ed Elettronica (gustavo)
Direttive per la sicurezza (ErnestoCappelletti)
EYnfo dall'Alaska (mir)
Apriamo il quadro! (attilio)
H7-25 (asdf)
Passione Elettrica (massimob)
Elettroni a spasso (guidob)
Bloguerra (guerra)


