Cos'è ElectroYou | Login Iscriviti

ElectroYou - la comunità dei professionisti del mondo elettrico

Semplice contatore 4017

Elettronica lineare e digitale: didattica ed applicazioni

Moderatori: Foto Utentecarloc, Foto Utenteg.schgor, Foto UtenteBrunoValente, Foto UtenteIsidoroKZ

0
voti

[21] Re: Semplice contatore 4017

Messaggioda Foto Utentedimitri94 » 17 apr 2012, 12:00

O_/ O_/ ciao a tutti... Io questo circuito che ho trovato su google l ho fatto e funziona... Pero per ciclare i led ai bisogno di un generatore di onda quadra come puo essere un ne555 in modalita astabile con l output collegato direttamente al clock del 4017 eliminando cosi la rete C e R e il pulsante... Se ti interessa quando arrivo a casa ti posto lo schema... ;)
Avatar utente
Foto Utentedimitri94
113 5 7
Sostenitore
Sostenitore
 
Messaggi: 515
Iscritto il: 10 gen 2012, 20:46

0
voti

[22] Re: Semplice contatore 4017

Messaggioda Foto Utenteerpomata » 17 apr 2012, 12:02

Ok grazie così provo pure questa soluzione
Avatar utente
Foto Utenteerpomata
-2 2
New entry
New entry
 
Messaggi: 50
Iscritto il: 31 ott 2007, 7:53

0
voti

[23] Re: Semplice contatore 4017

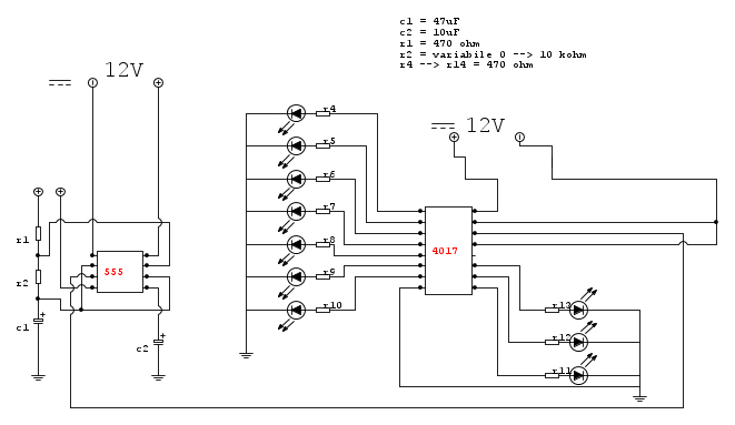
Messaggioda Foto Utentedimitri94 » 17 apr 2012, 17:54

ecco lo schema...
spero che ti sia d' aiuto, con me a funzionato :ok:
Avatar utente
Foto Utentedimitri94
113 5 7
Sostenitore
Sostenitore
 
Messaggi: 515
Iscritto il: 10 gen 2012, 20:46

Precedente

Torna a Elettronica generale

Chi c’è in linea

Visitano il forum: Nessuno e 343 ospiti