Posseggo un alimentatore da 12V - 4.2A. E' possibile realizzare un circuito che mi permetta di ricaricare una batteria con queste caratteristiche? Grazie mille in anticipo
Realizzare un carica batteria adatto
Moderatori:
carloc,
g.schgor,
BrunoValente,
IsidoroKZ
14 messaggi
• Pagina 1 di 2 • 1, 2
0
voti
Salve
Posseggo un alimentatore da 12V - 4.2A. E' possibile realizzare un circuito che mi permetta di ricaricare una batteria con queste caratteristiche? Grazie mille in anticipo
Posseggo un alimentatore da 12V - 4.2A. E' possibile realizzare un circuito che mi permetta di ricaricare una batteria con queste caratteristiche? Grazie mille in anticipo
- Allegati
-
- Disp 02-05 003.jpg (38.82 KiB) Osservato 6936 volte
0
voti
Penso che il tuo alimentatore non vada bene.
Le batterie al piombo richiedono una ricarica a corrente costante di un valore pari a quello indicato nell'mmagine (1.2A) ad una tensione di circa 13.8V.
Quindi non ci siamo sia per la tensione (troppo bassa) che per la corrente (troppo alta) a meno che non sia previsto un limitatore di corrente.
Le batterie al piombo richiedono una ricarica a corrente costante di un valore pari a quello indicato nell'mmagine (1.2A) ad una tensione di circa 13.8V.
Quindi non ci siamo sia per la tensione (troppo bassa) che per la corrente (troppo alta) a meno che non sia previsto un limitatore di corrente.
marco
0
voti
8Ross8 ha scritto:Salve![]()
Posseggo un alimentatore da 12 V - 4.2A. E' possibile realizzare un circuito che mi permetta di ricaricare una batteria con queste caratteristiche? Grazie mille in anticipo
Si puoi utilizzarlo in quanto la batteria al piombo è composta da tre elementi e la tensione necessaria per ricaricarla completamente è di circa 8,2 V.
Devi solo controllare la corrente di carica e limitare la tensione di ricarica.
L'esperienza Insegna.
http://www.genioincompreso.com
http://www.genioincompreso.com
0
voti
Mi correggo, non avevo notato che la batteria e' a 6V.
Quindi va bene la tensione; per quanto riguarda la corrente, vale quanto detto prima.
Quindi va bene la tensione; per quanto riguarda la corrente, vale quanto detto prima.
marco
0
voti
Romeo ha scritto:Devi solo controllare la corrente di carica e limitare la tensione di ricarica.
Il mio problema è proprio questo... non so come limitare ne la corrente ne la tensione... E' possibile realizzare qualche circuito che in uscita mi da la tensione richiesta?
0
voti
8Ross8 ha scritto:non so come limitare ne la corrente ne la tensione... E' possibile realizzare qualche circuito che in uscita mi da la tensione richiesta?
Certo che è possibile. È un piccolo alimentatore stabilizzato limitato in corrente.
Per esempio si può basare sul comunissimo circuito integrato LM317T, più una dozzina di altri componenti.
Te la senti di realizzarlo (saldando a stagno)? Oltre al saldatore a stagno ti serve anche un tester.
Adesso non posso disegnarti lo schema. Se può farlo qualcun altro bene, se no spero di aver tempo stasera.
Pensi di lasciar attivato il caricabatteria continuamente per mantenere la batteria sempre carica, o lo accenderesti solo quando è necessario ricaricare la batteria?
Big fan of ⋮ƎlectroYou! Ausili per disabili e anziani su ⋮ƎlectroYou
Caratteri utili: À È É Ì Ò Ó Ù α β γ δ ε η θ λ μ π ρ σ τ φ ω Ω º ª ² ³ √ ∛ ∜ ₀ ₁ ₂ ₃ ₄ ₅ ₆ ∃ ∄ ∆ ∈ ∉ ± ∓ ∾ ≃ ≈ ≠ ≤ ≥
Caratteri utili: À È É Ì Ò Ó Ù α β γ δ ε η θ λ μ π ρ σ τ φ ω Ω º ª ² ³ √ ∛ ∜ ₀ ₁ ₂ ₃ ₄ ₅ ₆ ∃ ∄ ∆ ∈ ∉ ± ∓ ∾ ≃ ≈ ≠ ≤ ≥
-4
voti
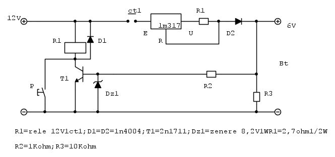
se si vuole mettere in carica la batteria si deve premere il pulsante P,quindi il rele si eccita e chiude il contatto ct1;se la batteria da caricare ha una tensione inferiore a 8,2V,il rele rimane eccitato quando il pulsante viene rilasciato,altrimenti il circuito di ricarica si apre;quindi quando la tensione della Bt arriva a 8,2V lo zener conduce e il transistor va in interdizione il rele si diseccita e la ricarica cessa:
0
voti
GuidoB ha scritto:Te la senti di realizzarlo (saldando a stagno)? Oltre al saldatore a stagno ti serve anche un tester.
Si si. Ho già realizzato qualche circuito e ho tutto l'occorrente. Mi manca solo lo schema per realizzarlo...
GuidoB ha scritto:Pensi di lasciar attivato il caricabatteria continuamente per mantenere la batteria sempre carica, o lo accenderesti solo quando è necessario ricaricare la batteria?
Intendo usare l'alimentatore solo per ricaricare la batteria quando serve.
Grazie
0
voti
donciccio ha scritto:se si vuole mettere in carica la batteria si deve premere il pulsante P,quindi il rele si eccita e chiude il contatto ct1;se la batteria da caricare ha una tensione inferiore a 8,2V,il rele rimane eccitato quando il pulsante viene rilasciato,altrimenti il circuito di ricarica si apre;quindi quando la tensione della Bt arriva a 8,2V lo zener conduce e il transistor va in interdizione il rele si diseccita e la ricarica cessa
Wow
-2
voti
14 messaggi
• Pagina 1 di 2 • 1, 2
Chi c’è in linea
Visitano il forum: Nessuno e 150 ospiti

Elettrotecnica e non solo (admin)
Un gatto tra gli elettroni (IsidoroKZ)
Esperienza e simulazioni (g.schgor)
Moleskine di un idraulico (RenzoDF)
Il Blog di ElectroYou (webmaster)
Idee microcontrollate (TardoFreak)
PICcoli grandi PICMicro (Paolino)
Il blog elettrico di carloc (carloc)
DirtEYblooog (dirtydeeds)
Di tutto... un po' (jordan20)
AK47 (lillo)
Esperienze elettroniche (marco438)
Telecomunicazioni musicali (clavicordo)
Automazione ed Elettronica (gustavo)
Direttive per la sicurezza (ErnestoCappelletti)
EYnfo dall'Alaska (mir)
Apriamo il quadro! (attilio)
H7-25 (asdf)
Passione Elettrica (massimob)
Elettroni a spasso (guidob)
Bloguerra (guerra)








