Questa risposta sta a significare che non hai capito il funzionamento del secondo circuito, mediante il quale ( e con un solo oscillatore e non tre) puoi ottenere lo stesso risultato.
Ma vedo che sto' perdendo il mio tempo, perche' pur non comprendendo il funzionamento dei circuiti (tutti e due)ti ostini a non seguire i consigli che ti vengono dati.
Progetto scolastico.
Moderatori:
carloc,
g.schgor,
BrunoValente,
IsidoroKZ
0
voti
lo so che posso fare tutto il circuito utilizzando un solo BJT. all'inizio l'avevo pensato anche io ma i calcoli non mi venivano perché la resistenza che dovevo mettere prima dei led,che li mettevo in parallelo tutti, era di 8 ohm e non penso che una resistenza da 8 ohm vanno bene per 36 led
0
voti
Io veramente stavo parlando dell'oscillatore.
Comunque un solo 2N2222 non sarebbe in grado di reggere 36 led in parallelo risultando al limite delle sue possibilita'.
Ti consiglio di ripensare a tutto con calma e poi magari tornare domani spiegandoci bene quello che devi fare di preciso (questa e' la terza volta che lo chiedo) e chiedendo, con ordine, quello che ancora ti e' oscuro.
Se poi vuoi chiarimenti sulle resistenze da porre in serie ai led, sara' necessario conoscere le loro caratteristiche e la tensione di alimentazione dell'insieme.
Comunque un solo 2N2222 non sarebbe in grado di reggere 36 led in parallelo risultando al limite delle sue possibilita'.
Ti consiglio di ripensare a tutto con calma e poi magari tornare domani spiegandoci bene quello che devi fare di preciso (questa e' la terza volta che lo chiedo) e chiedendo, con ordine, quello che ancora ti e' oscuro.
Se poi vuoi chiarimenti sulle resistenze da porre in serie ai led, sara' necessario conoscere le loro caratteristiche e la tensione di alimentazione dell'insieme.
marco
0
voti
una domanda ma nel circuito di ghoan dall'emettitore del BJT ci devo mettere i 36 led in parallelo??
0
voti
Si RL sta' ad indicare il carico.
Tuttavia, e come ho gia' detto in precedenza, non e' bene collegare tutti i led in parallelo perche' il loro consumo sarebbe di circa 720mA; il 2N2222 puo' supportarne 800, pero' lavorerebbe al limite delle sue possibilita' e cio' e' decisamente da sconsigliare.
Quindi e' meglio formare delle serie di tre led(12 stringhe con 12resistenze) da mettere poi in parallelo; in tal modo il consumo sarebbe limitato a 240mA circa, piu' che sostenibili dal transistor in questione.
Tuttavia, e come ho gia' detto in precedenza, non e' bene collegare tutti i led in parallelo perche' il loro consumo sarebbe di circa 720mA; il 2N2222 puo' supportarne 800, pero' lavorerebbe al limite delle sue possibilita' e cio' e' decisamente da sconsigliare.
Quindi e' meglio formare delle serie di tre led(12 stringhe con 12resistenze) da mettere poi in parallelo; in tal modo il consumo sarebbe limitato a 240mA circa, piu' che sostenibili dal transistor in questione.
marco
0
voti
cioè?? potresti farmi lo schema elettrico del tuo suggerimento perché non ho capito come dovrei mettere i led
1
voti
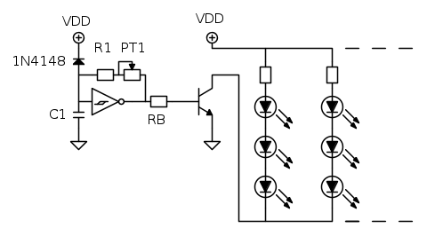
Per semplicita' ho rappresentato solo 2 delle dodici serie di led.
marco
0
voti
mmh ook (: ade devo calcolare le resistenze..eh non so da dove si inizia xD
Chi c’è in linea
Visitano il forum: Nessuno e 98 ospiti

Elettrotecnica e non solo (admin)
Un gatto tra gli elettroni (IsidoroKZ)
Esperienza e simulazioni (g.schgor)
Moleskine di un idraulico (RenzoDF)
Il Blog di ElectroYou (webmaster)
Idee microcontrollate (TardoFreak)
PICcoli grandi PICMicro (Paolino)
Il blog elettrico di carloc (carloc)
DirtEYblooog (dirtydeeds)
Di tutto... un po' (jordan20)
AK47 (lillo)
Esperienze elettroniche (marco438)
Telecomunicazioni musicali (clavicordo)
Automazione ed Elettronica (gustavo)
Direttive per la sicurezza (ErnestoCappelletti)
EYnfo dall'Alaska (mir)
Apriamo il quadro! (attilio)
H7-25 (asdf)
Passione Elettrica (massimob)
Elettroni a spasso (guidob)
Bloguerra (guerra)



