Cos'è ElectroYou | Login Iscriviti

ElectroYou - la comunità dei professionisti del mondo elettrico

Teorema di Thèvenin

Circuiti, campi elettromagnetici e teoria delle linee di trasmissione e distribuzione dell’energia elettrica

Moderatori: Foto Utenteg.schgor, Foto UtenteIsidoroKZ

0
voti

[1] Teorema di Thèvenin

Messaggioda Foto UtenteGustaVittorio » 11 giu 2012, 11:53

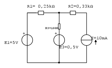
Salve, so benissimo che è una pazzia risolvere una rete binodale con Thèvenin, poiché c'è Milmann... ma voglio esercitarmi ... E faccio degli errori non so dove, perciò volevo il vostro ausilio!
La rete è :



(Non so come mettere le correnti, è la prima volta che utilizzo FidoCadj, però I3 è la corrente che attraversa il resistore R3, mentre I1 ->R1)

Apro il circuito :



Rth= R1 // R2=142 \Omega

Mentre Eth, noto I è R2 x I :

Eth = R2 \cdot  I = 3,3 V

Dunque conoscendo i parametri di Thevenin, posso calcolare I3
I3 = Eth /(Rth+R3)

I3 è circa 14 mA... il libro dice che deve essere 20mA...
infatti ho risolto la seguente rete, aprendo il circuito nel ramo interessato dalla I1...
Risolvendola da lì, si trova tutto, anche I3... però facendola come vi ho riportato trovo alcuni errori, per questo vi chiedo aiuto e vi ringrazio anticipatamente!
Scusate se sono stato impreciso con l'uso di FidoCadj ma è la mia prima volta :D O_/
Avatar utente
Foto UtenteGustaVittorio
81 1 7
Frequentatore
Frequentatore
 
Messaggi: 111
Iscritto il: 3 giu 2012, 22:18

0
voti

[2] Re: Teorema di Thèvenin

Messaggioda Foto UtenteLele_u_biddrazzu » 11 giu 2012, 12:09

GustaVittorio ha scritto:...Mentre Eth, noto I è R2 x I ...

Non ci giurerei :mrgreen:
La d.d.p. ai capi del generatore di corrente non la consideri :?:
Emanuele Lorina

- Chi lotta contro i mostri deve fare attenzione a non diventare lui stesso un mostro. E se tu riguarderai a lungo in un abisso, anche l'abisso vorrà guardare dentro di te (F. Nietzsche)
- Tavole della legge by admin
Avatar utente
Foto UtenteLele_u_biddrazzu
8.154 3 8 13
Master EY
Master EY
 
Messaggi: 1288
Iscritto il: 23 gen 2007, 16:13
Località: Modena

0
voti

[3] Re: Teorema di Thèvenin

Messaggioda Foto Utenteildoghy » 11 giu 2012, 12:10

Sbagli nel calcolo della E_{th}. Non puoi trascurare il generatore di tensione!

Edit: Mi hanno anticipato
Avatar utente
Foto Utenteildoghy
199 2 7
Frequentatore
Frequentatore
 
Messaggi: 148
Iscritto il: 12 mar 2010, 21:44

0
voti

[4] Re: Teorema di Thèvenin

Messaggioda Foto UtenteGustaVittorio » 11 giu 2012, 12:12

Uhm avevo capito l'errore che era nel calcolo dell'Eth...
provo a fare dei calcoli e vedo se ci riesco :D
Avatar utente
Foto UtenteGustaVittorio
81 1 7
Frequentatore
Frequentatore
 
Messaggi: 111
Iscritto il: 3 giu 2012, 22:18

0
voti

[5] Re: Teorema di Thèvenin

Messaggioda Foto UtenteGustaVittorio » 11 giu 2012, 12:21

ildoghy ha scritto:Sbagli nel calcolo della E_{th}. Non puoi trascurare il generatore di tensione!

Edit: Mi hanno anticipato



Uhm... puoi darmi una dritta? :|
Avatar utente
Foto UtenteGustaVittorio
81 1 7
Frequentatore
Frequentatore
 
Messaggi: 111
Iscritto il: 3 giu 2012, 22:18

0
voti

[6] Re: Teorema di Thèvenin

Messaggioda Foto Utenteildoghy » 11 giu 2012, 12:25

Con il ramo aperto hai una maglia su cui insiste il generatore di tensione E_1 e il generatore di corrente I. Se applichi la sovrapposizione degli effetti che cosa ottieni?
Avatar utente
Foto Utenteildoghy
199 2 7
Frequentatore
Frequentatore
 
Messaggi: 148
Iscritto il: 12 mar 2010, 21:44

0
voti

[7] Re: Teorema di Thèvenin

Messaggioda Foto UtenteRenzoDF » 11 giu 2012, 12:39

Direi che si può fare anche a meno della sovrapposizione ;-)
"Il circuito ha sempre ragione" (Luigi Malesani)
Avatar utente
Foto UtenteRenzoDF
55,9k 8 12 13
G.Master EY
G.Master EY
 
Messaggi: 13189
Iscritto il: 4 ott 2008, 9:55

0
voti

[8] Re: Teorema di Thèvenin

Messaggioda Foto UtenteGustaVittorio » 11 giu 2012, 12:42

Dove c'è il generatore di corrente, la ddp è 3,3V ... ma a sinistra :shock: ?
Avatar utente
Foto UtenteGustaVittorio
81 1 7
Frequentatore
Frequentatore
 
Messaggi: 111
Iscritto il: 3 giu 2012, 22:18

0
voti

[9] Re: Teorema di Thèvenin

Messaggioda Foto Utenteildoghy » 11 giu 2012, 12:46

Direi di no!

Per Foto UtenteRenzoDF mi sembrava un metodo veloce e "didattico"
Avatar utente
Foto Utenteildoghy
199 2 7
Frequentatore
Frequentatore
 
Messaggi: 148
Iscritto il: 12 mar 2010, 21:44

0
voti

[10] Re: Teorema di Thèvenin

Messaggioda Foto UtenteRenzoDF » 11 giu 2012, 12:50

ildoghy ha scritto:... mi sembrava un metodo veloce e "didattico"

Penso sia ancora più "didattico" far capire cosa succede quando un generatore di corrente insiste su una singola maglia, no? ... che come velocità poi è ancora superiore!
"Il circuito ha sempre ragione" (Luigi Malesani)
Avatar utente
Foto UtenteRenzoDF
55,9k 8 12 13
G.Master EY
G.Master EY
 
Messaggi: 13189
Iscritto il: 4 ott 2008, 9:55

Prossimo

Torna a Elettrotecnica generale

Chi c’è in linea

Visitano il forum: Nessuno e 22 ospiti