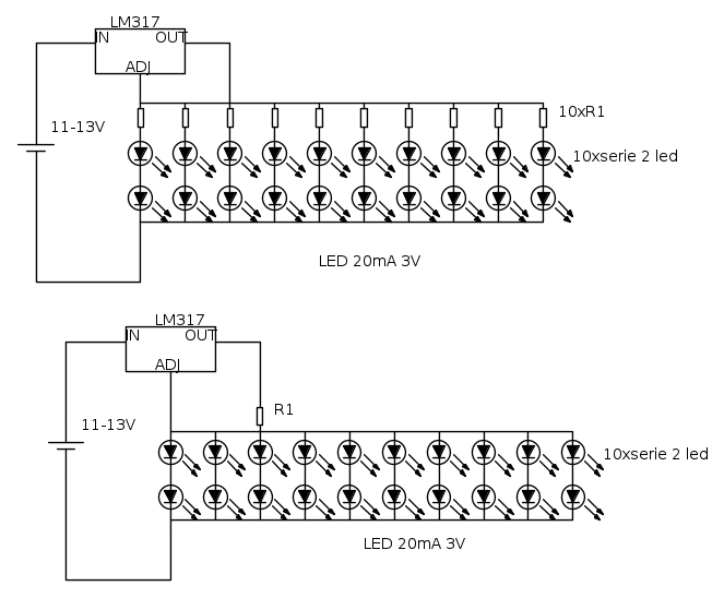
avendo ancora qualche giornata di tempo prima della ripresa di un progetto a cui sto lavorando ho deciso di fare un circuito che data una tensione variabile mi piloti dei led (20 per la precisione) a corrente costante.
combinazione sono capitato sull articolo scritto da
però per mia ignoranza non ho molto afferrato...
il mio caso è il seguente:
- 10 serie da 2 led tutte in parallelo
- alimentazione prelevata dal regolatore di tensione della moto che se non sbaglio mi fornisce tra 11 e 13 V (quando arrivo a casa misuro meglio per essere sicuri
...vorrei accendere i led alla loro massima luminosità possibile utilizzando questo circuito...
però ho due dubbi che speravo qualcuno potesse chiarire...
- il primo è sullo schema, in quanto presumo che sia più giusto il secondo (ma vi chiedo per sicurezza)
- il secondo riguarda il dimensionamento, data la formula teorica Vi>Vled1+Vled2+Vled3...+3+1,25
sostituendo i valori dovrebbe venire una cosa del genere
Vi> (4Vx10)+3V+1,25V
quindi Vi > 44,25V
però no ha senso... (secondo me sto sparando tanti di quei strafalcioni
qualcuno può aiutarmi..?
grazie anticipatamente


Elettrotecnica e non solo (admin)
Un gatto tra gli elettroni (IsidoroKZ)
Esperienza e simulazioni (g.schgor)
Moleskine di un idraulico (RenzoDF)
Il Blog di ElectroYou (webmaster)
Idee microcontrollate (TardoFreak)
PICcoli grandi PICMicro (Paolino)
Il blog elettrico di carloc (carloc)
DirtEYblooog (dirtydeeds)
Di tutto... un po' (jordan20)
AK47 (lillo)
Esperienze elettroniche (marco438)
Telecomunicazioni musicali (clavicordo)
Automazione ed Elettronica (gustavo)
Direttive per la sicurezza (ErnestoCappelletti)
EYnfo dall'Alaska (mir)
Apriamo il quadro! (attilio)
H7-25 (asdf)
Passione Elettrica (massimob)
Elettroni a spasso (guidob)
Bloguerra (guerra)




; e non mi sembra affatto questa la condizione.
sul terminale OUT ed, appunto, 
