Cos'è ElectroYou | Login Iscriviti

ElectroYou - la comunità dei professionisti del mondo elettrico

Aumentare Duty Cycle PWM al Variare di un segnale PWM

Elettronica lineare e digitale: didattica ed applicazioni

Moderatori: Foto Utentecarloc, Foto Utenteg.schgor, Foto UtenteBrunoValente, Foto UtenteIsidoroKZ

1
voti

[1] Aumentare Duty Cycle PWM al Variare di un segnale PWM

Messaggioda Foto Utenteiancilos » 14 ago 2012, 9:58

Salve a tutti O_/

Io ho segnale PWM con frequenza 25kHz e 3.3v e Duty Cycle che varia dal 20% al 100%.
Questo segnale mi comanda una ventola (Ventola da 12v con 4 pin PWM classica da PC).

A me servirebbe un circuito dove all'entrata gli viene dato il segnale PWM e all'uscita me lo restituisca identico (frequenza e tensione) ma con un duty Cycle aumentao del 50% rispetto al segnale di sorgente di quel momento.

Esempio:
IN Circuito: Segnale PWM 25kHz, 3.3v e Duty Cycle del 30%.
OUT Circuito: Segnale PWM 25kHz, 3.3v e Duty Cycle del 45% (Duty Cycle aumentato del 50% in piu rispetto a quello iniziale).

Questo segnale, come detto prima, serve solo per "comandare" la ventola (infatti ha solo 3,3v) poiché essa funziona a 12v. Questa è una comunissima ventola da PC con 4 pin avente la seguente piedinatura:

pin1 (filo nero ) GND;
pin2 (filo giallo) +12V (fissi e costanti);
pin3 (filo verde) SENSORE (segnale tachimetrico);
pin4 (filo blu) PWM (onda quadra a duty cycle variabile).

Quindi presumo che abbia già internamente, nella sua elettronica, un transistor o altro per il lato potenza e che sia eccitato dal segnale PWM. Per gestirla devo variale per forza questo impulso PWM, cambiando solo il Duty Cycle del 50% in più, che fa da pilota alla ventola (infatti da max 3.3v).

Spero di poter trovare un circuito per far ciò, il buon Giovanni Schgör aveva pensato qualcosa con amplificatori operazionali (integratori per rampe triangolari) e di parlarne qui nel forum. Spero di essere stato esaustivo nello spiegare la mia necessita, spero inoltre di trovare qualche circuito adatto a me, sono nelle vostre mani! :mrgreen:
Avatar utente
Foto Utenteiancilos
15 3
 
Messaggi: 12
Iscritto il: 12 ago 2012, 11:13

3
voti

[2] Re: Aumentare Duty Cycle PWM al Variare di un segnale PWM

Messaggioda Foto UtenteBrunoValente » 14 ago 2012, 20:24

Ciao Foto Utenteiancilos,
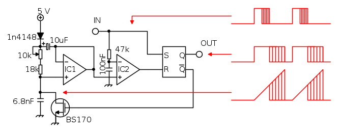
Ho provato a buttare giù uno schema di massima cercando di non andare sul complicato.



se non ho commesso errori dovrebbe fare quello che chiedi.
Dovrebbe funzionare in questo modo:
Il fronte di salita del segnale setta il bistabile e contemporaneamente sale il segnale di uscita.
Il bistabile settato spegne il mosfet e il condensatore da 6.8nF inizia a caricarsi attraverso le due resistenze e il trimmer.
La rampa di carica è resa lineare dal circuito bootstrap costituito da IC1 e dal condensatore da 10uF e la pendenza dipende solo dalla regolazione del trimmer che permette un aggiustamento del rapporto tra il duty cycle del segnale di uscita e quello del segnale di ingresso.
Quando il segnale di ingresso va basso il bistabile rimane ancora settato fin quando la rampa non raggiunge il valore di intervento di IC2 che è un comparatore.
IC2 compara il valore della rampa con una tensione continua presente sul condensatore da 100nF che dipende dal valore del duty sycle del segnale di ingresso.
Se il duty sycle del segnale di ingresso aumenta, aumenta in proporzione anche la tensione sull'ingresso invertente di IC2 e quindi aumenta in proporzione anche la durata della rampa e quindi la larghezza dell'impulso positivo del segnale di uscita.
In sintesi il duty cycle del segnale di uscita è in un rapporto fisso con quello del segnale di ingresso e il rapporto si può aggiustare con il trimmer.
Con i valori scelti, che ho stimato grossolanamente (forse troppo) si dovrebbe riuscire a tarare il trimmer per un rapporto 1.5 tra i due duty cycle e in ogni caso, se occorresse aggiustare il tiro, occorrerebbe solo modificare il valore del condensatore da 6.8nF.
Se vuoi costruirlo ti occorre un oscilloscopio per controllare i segnali e magari scoprire che c'è qualche magagna a cui non ho pensato. Senza oscilloscopio la vedo dura.
Il circuito l'ho pensato per una alimentazione unica di 5V e quindi gli operazionali devono essere in grado di lavorarci e soprattutto devono poter scendere a zero con la tensione di ingresso e quindi vanno scelti opportunamente.
IC2 non è un amplificatore ma è un comparatore e il componente andrebbe quindi scelto tra i comparatori ma non escludo che si possa riuscire a far funzionare il circuito anche con due amplificatori che si possono trovare comodamente nello stesso contenitore

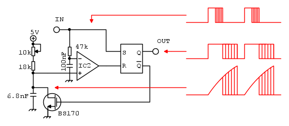
Se ti accontenti di una rampa non molto lineare e quindi di un rapporto tra i due duty cicle non molto indipendente, allora puoi semplificare il circuito eliminando il bootstrap.

Avatar utente
Foto UtenteBrunoValente
39,6k 7 11 13
G.Master EY
G.Master EY
 
Messaggi: 7796
Iscritto il: 8 mag 2007, 14:48

1
voti

[3] Re: Aumentare Duty Cycle PWM al Variare di un segnale PWM

Messaggioda Foto UtenteBrunoValente » 15 ago 2012, 10:27

A pensarci bene il bootstrap così è più convincente.
Con il precedente, se vedo bene, la rampa si linearizza ma la pendenza, invece di essere fissa, dipende in parte dal duty cycle.

Avatar utente
Foto UtenteBrunoValente
39,6k 7 11 13
G.Master EY
G.Master EY
 
Messaggi: 7796
Iscritto il: 8 mag 2007, 14:48

0
voti

[4] Re: Aumentare Duty Cycle PWM al Variare di un segnale PWM

Messaggioda Foto UtenteCandy » 15 ago 2012, 13:41

Se non è chiedere troppo, sarei curioso di sapere cosa avevi visto che non andava bene in [2].
Avatar utente
Foto UtenteCandy
32,5k 7 10 13
CRU - Account cancellato su Richiesta utente
 
Messaggi: 10123
Iscritto il: 14 giu 2010, 22:54

1
voti

[5] Re: Aumentare Duty Cycle PWM al Variare di un segnale PWM

Messaggioda Foto Utenteiancilos » 15 ago 2012, 15:35

BrunoValente ha scritto:A pensarci bene il bootstrap così è più convincente.
Con il precedente, se vedo bene, la rampa si linearizza ma la pendenza, invece di essere fissa, dipende in parte dal duty cycle.



A guardare le onde di uscite illustrate nel tuo schema sembrerebbe il circuito perfetto!
Ho provato a simulare il circuito con un simulatore per PC e non sono riuscito a far andare il BS170... Comunque ho messo un transistor normale e ho visto con l'oscilloscopio del simulatore che all'uscita ho un segnale con frequenza diversa (se mi ricordo bene piu lento) e una tensione di 5v (come l'alimentazione degli integrati) e non 3.3v.

Detto questo chiedo:
Si potrebbe semplificare il circuito in mod da non necesstare di un oscilloscopio (tipo assembli e usi) e di avere un circuito da realizzare di piccole dimensioni ?
Si potrebbe avere un'uscita di 3,3V PWM anche alimentando gli integrati con 12v (presi dal pin2 del connettore (filo giallo) +12V)?

In sintesi il duty cycle del segnale di uscita è in un rapporto fisso con quello del segnale di ingresso e il rapporto si può aggiustare con il trimmer


è perfettamente quello che voglio! Però mi piacerebbe avere una resistenza fissa! Magari avere più resistenze fisse per scegliere il rapporto per l'aumento del Duty Cycle selezionandole con un jumper. Tipo:
Duty Cycle +20%
Duty Cycle +35%
Duty Cycle +50%


La tua idea del circuito mi piace proprio! Quindi potremmo affinare i valori dei componenti e iniziare a vedere quali integrati usare.

P.S. Apprezzo enormemente la spiegazione del funzionamento del circuito! =D>
Avatar utente
Foto Utenteiancilos
15 3
 
Messaggi: 12
Iscritto il: 12 ago 2012, 11:13

1
voti

[6] Re: Aumentare Duty Cycle PWM al Variare di un segnale PWM

Messaggioda Foto UtenteBrunoValente » 15 ago 2012, 21:19

iancilos ha scritto:Ho provato a simulare il circuito con un simulatore per PC e non sono riuscito a far andare il BS170... ho un segnale con frequenza diversa (se mi ricordo bene piu lento) e una tensione di 5 V (come l'alimentazione degli integrati) e non 3.3v.

Se l'hai simulato e hai trovato dei difetti dovresti dire tu cosa è che non va: i simulatori sono inutili se non sei tu a comandare.
iancilos ha scritto:Detto questo chiedo:
Si potrebbe semplificare il circuito in mod da non necesstare di un oscilloscopio (tipo assembli e usi) e di avere un circuito da realizzare di piccole dimensioni ?

Il circuito per arrivare a funzionare deve seguire un percorso obbligato: va costruito un prototipo e, avendo capito di cosa si sta parlando, va messo a punto e per fare questo occorre almeno un oscilloscopio...oltre alle capacità per farlo.
Solo dopo aver fatto i test necessari si può pensare ad una produzione in serie.
iancilos ha scritto:Si potrebbe avere un'uscita di 3,3V PWM anche alimentando gli integrati con 12 V (presi dal pin2 del connettore (filo giallo) +12 V)?

Basta fare un partitore in uscita...se fai questa domanda difficilmente riuscirai a farlo funzionare.
iancilos ha scritto:... Però mi piacerebbe avere una resistenza fissa! Magari avere più resistenze fisse per scegliere il rapporto per l'aumento del Duty Cycle selezionandole con un jumper.

Sì, puoi fare così
iancilos ha scritto:Quindi potremmo affinare i valori dei componenti e iniziare a vedere quali integrati usare.

Veramente speravo ci pensassi tu: io l'idea te l'ho data.
Avatar utente
Foto UtenteBrunoValente
39,6k 7 11 13
G.Master EY
G.Master EY
 
Messaggi: 7796
Iscritto il: 8 mag 2007, 14:48

0
voti

[7] Re: Aumentare Duty Cycle PWM al Variare di un segnale PWM

Messaggioda Foto Utenteiancilos » 15 ago 2012, 21:33

Mi scusi se le ho dato l'idea di volere la pappa già pronta. Il fatto è che non mi è affatto facile creare circuiti dato che non ho le conoscenze necessarie, ecco perché ho chiesto aiuto nel forum e lei è stato cosi gentile da indirizzarmi.
Non avendo un oscilloscopio penso che per provare questo circuito avrò problemi e quindi intanto vedrò come arrangiarmi.
Un'ultima domanda, come ha fatto a fare quei grafici delle onde in rosso?
Avatar utente
Foto Utenteiancilos
15 3
 
Messaggi: 12
Iscritto il: 12 ago 2012, 11:13

1
voti

[8] Re: Aumentare Duty Cycle PWM al Variare di un segnale PWM

Messaggioda Foto UtenteBrunoValente » 15 ago 2012, 22:01

Candy ha scritto:Se non è chiedere troppo, sarei curioso di sapere cosa avevi visto che non andava bene in [2].

Ciao Foto UtenteCandy, no non chiedi troppo, spero solo di riuscire a spiegarlo.
Ci provo:
La pendenza della rampa dipende dalla corrente di carica del condensatore e su questo non ci piove.
La corrente di carica iniziale, quando il condensatore è ancora scarico, è pari al rapporto tra il valore della tensione di alimentazione e quello della resistenza che presenta la serie dei due resistori e del trimmer.
Questa corrente, se non vi fosse il bootstrap, tenderebbe a ridursi man mano che la tensione del condensatore aumenta secondo la nota legge.
Scopo del bootstrap in questo circuito è proprio quello di evitare che la corrente si abbassi durante la formazione della rampa e quindi il bootstrap dovrebbe riuscire a mantenerla costante, pari al valore iniziale durante tutta la carica.
Ho scritto "dovrebbe" perché in effetti non lo fa (lo fa male) e in questo consiste il difetto del primo schema.
Non lo fa perché se lo facesse vorrebbe dire che dal condensatore da 10uF, ad ogni ciclo, dovrebbe uscire della corrente e questo è impossibile senza che, dopo un certo numero di cicli, la tensione sul condensatore non si sia ridotta.
affinché la corrente sia costante è necessario invece che quella tensione si mantenga fissa pari al valore iniziale proprio come se al posto del condensatore vi fosse una pila e questo non accade.
In particolare quella tensione cala se aumenta il duty cycle, perché all'aumentare del duty cycle aumenta anche la corrente richiesta al condensatore durante la formazione della rampa.
Avatar utente
Foto UtenteBrunoValente
39,6k 7 11 13
G.Master EY
G.Master EY
 
Messaggi: 7796
Iscritto il: 8 mag 2007, 14:48

1
voti

[9] Re: Aumentare Duty Cycle PWM al Variare di un segnale PWM

Messaggioda Foto UtenteBrunoValente » 15 ago 2012, 22:07

iancilos ha scritto:... come ha fatto a fare quei grafici delle onde in rosso?

Ora mi dai del lei? :(
Con fidocad in alto a destra c'è la finestra per la scelta del layer: se scegli il terzo layer il colore che appare su ElettroYou è rosso.
Avatar utente
Foto UtenteBrunoValente
39,6k 7 11 13
G.Master EY
G.Master EY
 
Messaggi: 7796
Iscritto il: 8 mag 2007, 14:48

4
voti

[10] Re: Aumentare Duty Cycle PWM al Variare di un segnale PWM

Messaggioda Foto Utenteg.schgor » 17 ago 2012, 7:01

Vedo solo ora la richiesta ed aggiungo una possibile soluzione
in base a quanto già detto nei commenti all'articolo sul 555.
L'idea era questa:

Con un primo amplificatore operazionale si inverte il segnale
originale e lo si polarizza in modo da avere un segnale come indicato.
Con un secondo si integra questo segnale in modo però unidirezionale
(non può scendere sotto lo zero) ed infine con un terzo come comparatore
si squadra l'impulso triangolare prodotto dall'integratore.
Avatar utente
Foto Utenteg.schgor
57,8k 9 12 13
G.Master EY
G.Master EY
 
Messaggi: 16971
Iscritto il: 25 ott 2005, 9:58
Località: MILANO

Prossimo

Torna a Elettronica generale

Chi c’è in linea

Visitano il forum: Nessuno e 36 ospiti