Cos'è ElectroYou | Login Iscriviti

ElectroYou - la comunità dei professionisti del mondo elettrico

Risoluzione circuito regime transitorio

Circuiti, campi elettromagnetici e teoria delle linee di trasmissione e distribuzione dell’energia elettrica

Moderatori: Foto Utenteg.schgor, Foto UtenteIsidoroKZ

0
voti

[1] Risoluzione circuito regime transitorio

Messaggioda Foto UtenteLink900 » 15 ago 2012, 13:02

Salve ragazzi, mi sono appena iscritto ed è la prima volta che chiedo aiuto, sono alle prese con un esame di elettrotecnica, e certe cose propio non riesco a inquadrarle, essendo l'esame a settembre, ed essendo i miei colleghi in vacanza ho pensato di chiedere qui!
Spero di esser riuscito a fare un disegno decente con fidocad ( è la prima volta che lo uso )!



Per t < 0 il circuito è in condizioni di regime stazionario e l’interruttore è aperto. All’istante t = 0 si chiude l’interruttore. Determinare l’espressione di vC(t) per t > 0.

Bene, ho provato a consultare i quaderni di esercizi dei miei colleghi, ma non ne sono venuto a capo, non tanto per il metodo risolutivo generale dei circuiti in regime transitorio, quanto propio per la risoluzione base di un circuito, mi spiego meglio
Come primo passo io disegnerei il circuito con t>0 quindi interruttore chiuso, con R2 che scompare, e sostituirei a L e C i corrispettivi generatori di corrente e tensione, al fine di calcolarmi VL e IC e andarle a sostituire a sistema con le equazioni conosciute
I_{C}=C{\frac{dV_{C}}{dt}}
V_{L}=L{\frac{dI_{L}}{dt}}
Ecco il problema sorge già qui, ogni volta che mi calcolo IC e VL risultano diverse dalle soluzioni, evidentemente quindi faccio qualche errore nella risoluzione semplice del circuito, ad esempio in questo caso la prima domanda che mi viene in mente è "quei due rami vuoti al centro uno sopra e uno sotto non possono essere semplificati disegnando il circuito con un unico nodo sopra e uno sotto?", a quel punto per calcolare ad esempio IC io prenderei uno dei nodi e usando la LKI determinerei che IC = -i1 -iL, ( il ramo con R4 non lo considero perché in teoria essendo in parallelo con un generatore di tensione si può semplificare o almeno cosi credo ), mentre per calcolare VL sarei tentato di usare millman come viene fatto in altri esercizi simili, ma non so come comportarmi con quel ramo in parallelo in cui c'è solo il generatore di tensione VC senza alcuna resistenza in serie..

Se qualcuno ha più o meno capito il mio problema e riesce a darmi una mano, gliene sarei molto grato, se supero questo scoglio può essere che finalmente riesca ad andare avanti e magari si completa insieme l'esercizio cosi lo capisco una volta per tutte!
Grazie!
Avatar utente
Foto UtenteLink900
15 3
New entry
New entry
 
Messaggi: 52
Iscritto il: 15 ago 2012, 11:32

3
voti

[2] Re: Risoluzione circuito regime transitorio

Messaggioda Foto UtenteRenzoDF » 15 ago 2012, 13:35

No, non puoi non considerare R3 ed R4; la prima pur essendo in serie ad un GIC, influenza la vL mentre la seconda, pur in parallelo ad un GIT, influenza la ic, Millman poi non serve in quanto la tensione fra i due nodi è nota e pari a vC

le due equazioni di stato puoi scriverle con una KVL e una KCL alla maglia ed al taglio indicati

\left\{ \begin{align}
  & v_{L}=v_{C}-R_{3}i_{L} \\ 
 & i_{C}=-\frac{v_{C}}{R_{4}}-i_{L}+\frac{v_{g}-v_{C}}{R_{1}} \\ 
\end{align} \right.

dalle quali, usando le relazioni costitutive dei due bipoli

\left\{ \begin{align}
  & i_{L}^{\prime}=-\frac{R_{3}}{L}i_{L}+\frac{1}{L}v_{C} \\ 
 & v_{C}^{\prime}=-\frac{1}{C}i_{L}-\frac{1}{C}\left( \frac{1}{R_{4}}+\frac{1}{R_{1}} \right)v_{C}+\frac{1}{R_{1}}v_{g} \\ 
\end{align} \right.
"Il circuito ha sempre ragione" (Luigi Malesani)
Avatar utente
Foto UtenteRenzoDF
55,9k 8 12 13
G.Master EY
G.Master EY
 
Messaggi: 13189
Iscritto il: 4 ott 2008, 9:55

0
voti

[3] Re: Risoluzione circuito regime transitorio

Messaggioda Foto UtenteLink900 » 15 ago 2012, 17:28

Innanzitutto grazie per la risposta!
Ho rimurginato un po' sul tuo schema ed effettivamente non fa una piega quella soluzione..
prima di andare avanti però, ho pensato di fare altre prove su altri circuiti per vedere se avevo capito o meno il meccanismo, e come dire ne ho presa una e mezza su 3, c'è qualcosa di fondo che non va con il mio metodo di ragionamento su questo genere di circuiti!
Per motivi di tempo al momento posto solo due immagini dei circuiti che ho esaminato in caso domani li traslo con fidocad!
I circuiti sono da immaginare sempre chiusi per t>0

Circuito 1
Dati
R1 = 3 Ohm
R2 = 6 Ohm
R3 = 3 Ohm
R4 = 3 Ohm
L = 1 H
C = 1 F
VG = 30 V

circuit1.png
circuit1.png (22.75 KiB) Osservato 9314 volte


In questo circuito mi risulta la VL ma non la IC
più precisamente per calcolare la IC uso la LKI, e facendo i conti sul nodo superiore secondo me dovrebbe venire IC + IL + i1 che tradotto sarebbe VC/6 + VG/10 + IL, nelle soluzioni invece trovo -VC/2-IL+10 ( praticamente mi risulta solo la i1 )

Circuito 2
Dati
R1 = 5 Ohm
R2 = 3 Ohm
R3 = 2 Ohm
R4 = 2 Ohm
L = 2 H
C = 0.5 F
IG = 9 A

circuit2.png
circuit2.png (23.39 KiB) Osservato 9314 volte

In questo caso mi vengono entrambe sbagliate
O meglio per quanto riguarda la IC sempre usando la LKI avrei detto che usciva fuori -IC + IL +i3 ( ma a quanto pare considerare un ipotetica i3 nel ramo con quella resistenza è sbagliato, e togliendola risulta )
Per quanto riguarda invece la VL anche qui mi risulta a metà, ovvero usando la LKV prendendo in esame l'unica maglia disponibile ( ho trasformato in precedenza il generatore di corrente con la resistenza in parallelo in gen di tensione con res in serie ), girando in senso antiorario avrei detto che veniva fuori VL + VC - IG*R1 ovvero IL*R4 + VC -45 invece le soluzioni mi dicono -7IL-VC+45, ok per il segno opposto probabilmente avrà girato in senso orario, ma non mi spiego quel 7 al posto del mio 2, l'unica spiegazione che sono riuscito a partorire e che abbia semplificato le due resistenze in serie R1 ed R4 e da qui la somma = a 7..

Se cortesemente riesci ad illuminarmi, perché non so dove andare a sbattere la testa altrimenti!
Mi scuso se non ho messo tutti i calcoli in latex ma devo veramente scappare! In caso non fosse comprensibile domani riscrivo tutto in latex!
Grazie!
Ultima modifica di Foto UtenteRenzoDF il 16 ago 2012, 8:33, modificato 1 volta in totale.
Motivazione: Usare il pulsante "Inserisci in linea con il testo", grazie.
Avatar utente
Foto UtenteLink900
15 3
New entry
New entry
 
Messaggi: 52
Iscritto il: 15 ago 2012, 11:32

4
voti

[4] Re: Risoluzione circuito regime transitorio

Messaggioda Foto UtenteRenzoDF » 15 ago 2012, 19:00

Ti confesso che dopo aver letto le prime confuse righe non ho proprio avuto la pazienza per cercare di decifrare il tuo ultimo post, ad ogni modo per il secondo circuito, ridisegnato lo schema con GIT e GIC virtuali in sostituzione rispettivamente del condensatore e dell'induttore (passo risolutivo importantissimo), e scelta per i due bipoli la convenzione degli utilizzatori (come normalmente si usa fare), avremo che lo schema per t > 0 sarà il seguente

dove sono indicate sia le due variabili di stato vC ed iL sia le "parenti strette" delle loro derivate iC e vL; a questo punto, per trovare la relazione che lega queste ultime due alle variabili di stato ed alla forzante della rete iG , normalmente si usa la sovrapposizione degli effetti o un qualsiasi altro metodo ma, quando è possibile, come in questo caso, basta scrivere la solita KCL (al nodo A) e la solita KVL (alla maglia arancione)

\left\{ \begin{align}
  & i_{C}=i_{L}-\frac{v_{C}}{R_{3}} \\ 
 & v_{L}=(i_{G}-i_{L})R_{1}-v_{C}-i_{L}R_{4} \\ 
\end{align} \right.

Parimenti per il primo, dove bastano ancora una KCL e una KVL

e quindi
\left\{ \begin{align}
  & i_{C}=\frac{v_{G}-v_{C}}{R_{1}}-i_{L}-\frac{v_{C}}{R_{2}} \\ 
 & v_{L}=v_{C}-i_{L}R_{4} \\ 
\end{align} \right.
"Il circuito ha sempre ragione" (Luigi Malesani)
Avatar utente
Foto UtenteRenzoDF
55,9k 8 12 13
G.Master EY
G.Master EY
 
Messaggi: 13189
Iscritto il: 4 ott 2008, 9:55

0
voti

[5] Re: Risoluzione circuito regime transitorio

Messaggioda Foto UtenteLink900 » 19 ago 2012, 16:34

Rieccomi qui dopo diversi giorni! Purtroppo il sito del prof ha avuto la bella idea di andare offline proprio in questi giorni e quindi non ho potuto proseguire gli esercizi visto che non avevo salvato i PDF! Oggi è tornato online, ho provato a fare un altro esercizio e.. Miracolo sono riuscito ad ottenere iC e vL giuste al primo colpo! Purtroppo però i problemi non sono finiti qui :D! Ho trovato nella stessa tipologia di esercizio, un genere diverso di circuito, dove anziché esserci un induttanza e un condensatore, ci sono o due induttanze o due condensatori, ho provato a risolverli nel medesimo modo ma non mi vogliono proprio venir giusti, ho pensato allora che in quel caso fosse necessario il metodo della sovrapposizione, ma anche usando quello non mi sembra di esserne venuto a capo! Al momento sono su iPad quindi non riesco a postare il circuito in questione piu tardi lo metto su! Ora come ora provo ad andare avanti e cerco di portare al termine per intero l'esercizio di cui son riuscito a ricavare ic e vl..
Avatar utente
Foto UtenteLink900
15 3
New entry
New entry
 
Messaggi: 52
Iscritto il: 15 ago 2012, 11:32

1
voti

[6] Re: Risoluzione circuito regime transitorio

Messaggioda Foto UtenteRenzoDF » 21 ago 2012, 8:21

Link900 ha scritto:... Ho trovato nella stessa tipologia di esercizio, un genere diverso di circuito, dove anziché esserci un induttanza e un condensatore, ci sono o due induttanze o due condensatori...

Forse questo vecchio thread ti può aiutare
viewtopic.php?f=2&t=36311#p314274
in particolare
viewtopic.php?f=2&t=36311&start=40#p316303
"Il circuito ha sempre ragione" (Luigi Malesani)
Avatar utente
Foto UtenteRenzoDF
55,9k 8 12 13
G.Master EY
G.Master EY
 
Messaggi: 13189
Iscritto il: 4 ott 2008, 9:55

0
voti

[7] Re: Risoluzione circuito regime transitorio

Messaggioda Foto UtenteLink900 » 23 ago 2012, 13:17



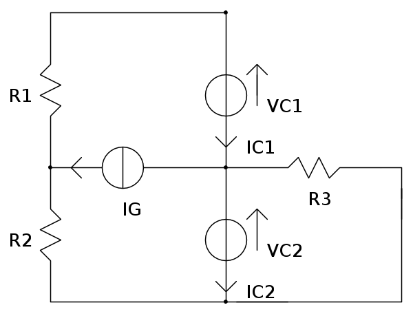
Rieccomi, questo è lo schema del circuito di cui parlavo, in questo caso con due condensatori, provando a risolverlo per sovrapposizione non mi risulta..
Ora comunque guardo il link che mi hai consigliato magari trovo li la soluzione!

Per quanto riguarda invece la risoluzione completa dell'esercizio nel quale mi erano risultate la IC e la VL, sono arrivato quasi fino in fondo, l'unica cosa che non riesco a calcolare è l'espressione finale della iL, perché mi manca il procedimento per trovare una variabile, nello specifico, dopo aver analizzato il circuito per t>0 e t<0, calcolo l'equazione di secondo ordine mettendo in evidenza una sola variabile di stato \frac{\mathrm{d^{2}{x_{1}}^{}} }{\mathrm{d} t^{2}} etc, sostituisco i valori che ho trovato precedentemente nell'equazione, mi calcolo i valori delle condizioni iniziali con \frac{\mathrm{d{x_{1}}^{}} }{\mathrm{d} t}\left | t _{0}^{+} , a questo punto non mi resta che calcolare la soluzione omogenea, fatto questo, trovando due soluzioni reali distinte dovrei esser capace di scrivere l'equazione completa della IL, invece qui sorge il problema, per calcolare le K, nelle slide che ho io, ho bisogno di una variabile chiamata x_{Pi} che dovrebbe rappresentare la soluzione particolare! Ecco non so da dove farla uscire fuori sinceramente.. se trovo questa ho risolto completamente l'esercizio :D! Non so se sono riuscito a far capire il problema e il punto in cui mi blocco io, spero di si, in caso non fosse chiaro provo a spiegarlo meglio!
Avatar utente
Foto UtenteLink900
15 3
New entry
New entry
 
Messaggi: 52
Iscritto il: 15 ago 2012, 11:32

0
voti

[8] Re: Risoluzione circuito regime transitorio

Messaggioda Foto UtenteRenzoDF » 23 ago 2012, 14:06

Puoi ridisegnarlo come ti ho spiegato?

Link900 ha scritto:... Non so se sono riuscito a far capire il problema e il punto in cui mi blocco io, spero di si, in caso non fosse chiaro provo a spiegarlo meglio!

No, non sei stato per nulla chiaro; come ripeto da anni questi problemi non si risolvono con le "parole" ma con schemi (ben fatti) e formule (ben scritte).
E' evidente che se non hai tempo e voglio per usare questi due "strumenti" ben difficilmente potremo aiutarti.
"Il circuito ha sempre ragione" (Luigi Malesani)
Avatar utente
Foto UtenteRenzoDF
55,9k 8 12 13
G.Master EY
G.Master EY
 
Messaggi: 13189
Iscritto il: 4 ott 2008, 9:55

1
voti

[9] Re: Risoluzione circuito regime transitorio

Messaggioda Foto UtenteLink900 » 23 ago 2012, 15:14



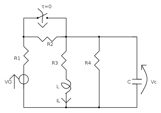
Ecco ho rifatto lo schema come hai chiesto! Mo cerco di scrivere tutti i formuloni completi in latex!

Ecco le formule complete in latex, allora, ricapitolando..
• Disegno e risolvo gli schemi per t>0 e t<0, cosi facendo mi trovo IC,VL, VC(0) e IL(0)
• A questo punto mi calcolo l'equazione risolvente del secondo ordine con questa formula
\frac{\mathrm{d^2{x_{1}}}} {\mathrm{d} t^2} - ( a_{11} + a_{22} ) \frac{\mathrm{d{x_{1}}}} {\mathrm{d} t} + ( a_{11}a_{22} - a_{12}a_{21} ) x_{1}(t) = \frac{\mathrm{d{f_{1}}}} {\mathrm{d} t} - a_{22}f_{1}(t)+a_{12}f_{2}(t)
• Fatto questo mi calcolo il valore delle condizioni iniziali per IL ( che è ciò che devo trovare )
\frac{\mathrm{d{x_{1}}}} {\mathrm{d} t}\left | t _{0}^{+}= a_{11}x_{1}(t_{0})+a_{12}x_{1}+f_{1}(t_{0}^+)
• Poi mi calcolo la soluzione omogenea con questa formula
\lambda ^2 + 2\alpha \lambda +\omega ^2 _{0} = 0
• E infine non mi rimane che calcolare l'equazione completa ovvero questa
x_{1}(t) = x_{H1}(t)+ x_{P1}(t)
la x_{H1}(t) la sostituisco con il pezzo sotto,
x_{1}(t) = k_{1}e ^ {\lambda _{1}t}+k_{2}e ^ {\lambda _{2}t} + x_{P1}(t)
la x_{P1}(t) è la variabile che non riesco a calcolare, o meglio non so come calcolarla!
Ora credo di esser stato più chiaro!
Avatar utente
Foto UtenteLink900
15 3
New entry
New entry
 
Messaggi: 52
Iscritto il: 15 ago 2012, 11:32

1
voti

[10] Re: Risoluzione circuito regime transitorio

Messaggioda Foto UtenteRenzoDF » 23 ago 2012, 16:12

a) potevi mantenere la notazione circuitale vc1 vc2, facendo a meno di introdurre due variabili di stato x1 x2 che non si sa a cosa corrispondano
b) per capire le relazioni simboliche servirebbe sapere come hai calcolato le matrici A B C D del sistema lineare
c) direi che sarebbe stato preferibile, dopo aver specificato i valori dei parametri circuitali, passare alla versione numerica dell'equazione differenziale
d) le soluzioni particolari possono essere calcolate come soluzioni "a regime", ma se posti i dati sui parametri e riscrivi l'equazione differenziale completa con coefficienti numerici ... poi ne riparliamo.
e) ricordati anche di postare i valori calcolati per le variabili di stato vci per t<0
"Il circuito ha sempre ragione" (Luigi Malesani)
Avatar utente
Foto UtenteRenzoDF
55,9k 8 12 13
G.Master EY
G.Master EY
 
Messaggi: 13189
Iscritto il: 4 ott 2008, 9:55

Prossimo

Torna a Elettrotecnica generale

Chi c’è in linea

Visitano il forum: Nessuno e 91 ospiti