Si hai ragione mi è scappato un 1 di troppo.
LM6134
Aumentare Duty Cycle PWM al Variare di un segnale PWM
Moderatori:
carloc,
g.schgor,
BrunoValente,
IsidoroKZ
33 messaggi
• Pagina 3 di 4 • 1, 2, 3, 4
1
voti
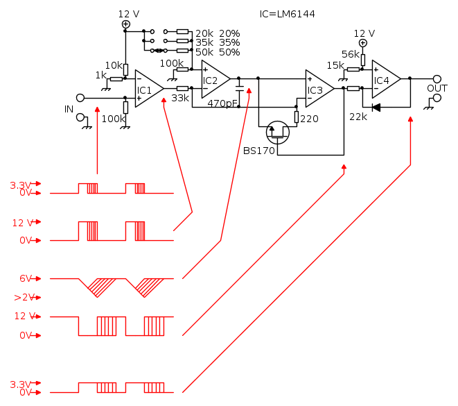
Meglio se utilizzi l'LM6144.
Ho cambiato un paio di valori:
Ho cambiato un paio di valori:
-

BrunoValente
39,6k 7 11 13 - G.Master EY

- Messaggi: 7796
- Iscritto il: 8 mag 2007, 14:48
1
voti
BrunoValente ha scritto:Meglio se utilizzi l'LM6144.
Ho cambiato un paio di valori: [...]
Ottimo ho provato, nella simulazione, i due integrati da lei consigliatomi e questo ha decisamente una risposta migliore!
(Dato che non mi è concesso di postare immagini mi arrangio più che posso)
Vedere il grafico dell'oscilloscopio qui sotto:
Peccato che l'aumento della durata del Duty Cycle sia limitata dalla carica e scarica del condensatore... e quindi meno del 50% previsto di aumento rispetto al segnale di sorgente.
La situazione si potrebbe migliorare affinando i valori dei componenti?
Per empio per ottenere 3,3V (3,373V), in uscita dal circuito, ho cambiato il valore della resistenza da 56K di U1D a 47K.
Cosa ne pensa
0
voti
Candy ha scritto:(Dato che non mi è concesso di postare immagini mi arrangio più che posso)
Non è assolutamente vero. E' possibilissimo. Non è invece gradito l'uso di server esterni.
Per caricare l'immagine devo usare "invia allegato" ? Non si può far visualizzare tipo gli schemi fcd?
2
voti
Invia allegato in modo da trasferire l'immagine dal tuo PC al server. Poi, porti il cursore nella posizione desiderata della finestra di composizione messaggio e click sul pulsante: inserisci in linea col testo.
L'immagine si vede bene con una larghezza ottimale di circa 500 px ed una altezza di 400 px, circa. Poi sfora. Se non ci sono dettagli rilevanti, è inutile postare immagini più grandi.
Sono ammessi formati compressi, come JPG e PNG.
L'immagine si vede bene con una larghezza ottimale di circa 500 px ed una altezza di 400 px, circa. Poi sfora. Se non ci sono dettagli rilevanti, è inutile postare immagini più grandi.
Sono ammessi formati compressi, come JPG e PNG.
-

Candy
32,5k 7 10 13 - CRU - Account cancellato su Richiesta utente
- Messaggi: 10123
- Iscritto il: 14 giu 2010, 22:54
1
voti
iancilos ha scritto:Peccato che l'aumento della durata del Duty Cycle sia limitata dalla carica e scarica del condensatore... e quindi meno del 50% previsto di aumento rispetto al segnale di sorgente.![]()
Sinceramente non capisco cosa vuoi dire, non mi pare vi siano limitazioni.
-

BrunoValente
39,6k 7 11 13 - G.Master EY

- Messaggi: 7796
- Iscritto il: 8 mag 2007, 14:48
0
voti
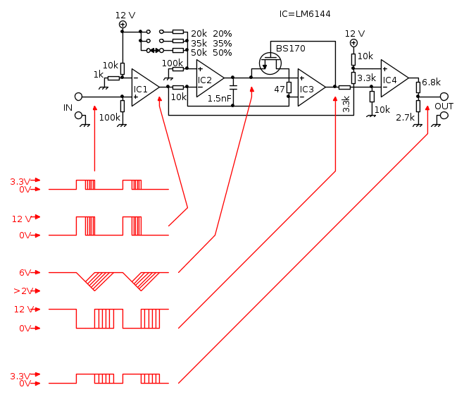
L'orda quadra all'uscita del 3° operazionale è "ammorbidita" per via dell'operazione di scarica e toglie ampiezza di durata al DC del segnale in uscita. L'ampiezza di durata del DC dovrebbe essere come in figura nella parte color magenta.
Il grafico è stato creato con un DC del 30% per il segnale di sorgente e di uscita ne dovrebbe dare un DC del 45%. Ma ne da di meno
Il grafico è stato creato con un DC del 30% per il segnale di sorgente e di uscita ne dovrebbe dare un DC del 45%. Ma ne da di meno
Ultima modifica di
asdf il 20 ago 2012, 20:36, modificato 1 volta in totale.
Motivazione: Eliminata citazione integrale del messaggio precedente.
Motivazione: Eliminata citazione integrale del messaggio precedente.
3
voti
g.schgor ha scritto:Basterebbe fare un OR dei 2 segnali.
Così dovrebbe fare anche l'OR
-

BrunoValente
39,6k 7 11 13 - G.Master EY

- Messaggi: 7796
- Iscritto il: 8 mag 2007, 14:48
33 messaggi
• Pagina 3 di 4 • 1, 2, 3, 4
Chi c’è in linea
Visitano il forum: Nessuno e 36 ospiti

Elettrotecnica e non solo (admin)
Un gatto tra gli elettroni (IsidoroKZ)
Esperienza e simulazioni (g.schgor)
Moleskine di un idraulico (RenzoDF)
Il Blog di ElectroYou (webmaster)
Idee microcontrollate (TardoFreak)
PICcoli grandi PICMicro (Paolino)
Il blog elettrico di carloc (carloc)
DirtEYblooog (dirtydeeds)
Di tutto... un po' (jordan20)
AK47 (lillo)
Esperienze elettroniche (marco438)
Telecomunicazioni musicali (clavicordo)
Automazione ed Elettronica (gustavo)
Direttive per la sicurezza (ErnestoCappelletti)
EYnfo dall'Alaska (mir)
Apriamo il quadro! (attilio)
H7-25 (asdf)
Passione Elettrica (massimob)
Elettroni a spasso (guidob)
Bloguerra (guerra)




