prendo il potenziometro, ruoto complettamente la manopola fino a fondo corsa,tutto ciò nel circuito corrisponde alla frecia spostata in alto, ho scritto questo perché a seconda della posizione della manopola del pot cambia la funzione di trasferimento, nel caso del circuito in questione si ha attenuazione o amplificazione.
Lo so che è una terminologia del cavolo ma è quella che c'è scritta nel testo dell'esercizio nn l'ho inventata io!
ricavare la funzione di trasferimento di un circuito
Moderatori:
carloc,
g.schgor,
BrunoValente,
IsidoroKZ
19 messaggi
• Pagina 2 di 2 • 1, 2
-1
voti
ruottando la manopola del pot ottengo un amplificazione del segnale d'ingresso, viceversa ottengo un attenuazione del segnale d'ingresso
2
voti
matxx ha scritto:... tutto ciò nel circuito corrisponde alla frecia spostata in alto
Se il cursore del potenziometro si trova nella sua posizione estrema superiore, direi che C2 è cortocircuitata, come può comparire nella FdT?
"Il circuito ha sempre ragione" (Luigi Malesani)
0
voti
ok, stavo faccendo proprio cosi
-1
voti
quindi dovrei ottenere [r3//(r1+c1)]/[(rpot//c3)+r2+r3+c1]?
1
voti
matxx ha scritto:quindi dovrei ottenere [r3//(r1+c1)]/[(rpot//c3)+r2+r3+c1]?
scusa ma non ti seguo, da dove tiri fuori quella relazione senza senso dove mescoli resistenze e capacità?
... mi spieghi il metodo?
"Il circuito ha sempre ragione" (Luigi Malesani)
-1
voti
ok, io sto facendo cosi:
da quello ke ho capito questo circuito si riduce ad un amplificatore invertente dv la fdt e uguale a -vo/vi =-r2/r1.
la mia r1 per cm l'ho calcolata io e uguale a r2+c3//rpot+r3+ c1 (qui ho un dubbio su c1)
per quanto riguarda r2 questa e uguale a r3//r1+c1.
da qui sostituendo sostituendo a r2/r1 i valori che ho scritto nelle 2 righe precedenti ottengo la ftd dei post precedenti.
ripeto non sn per nulla sicuro che sia giusto! però più di cosi nn saprei fare
e per semplificare... al posto dei c ci va 1/jwc
da quello ke ho capito questo circuito si riduce ad un amplificatore invertente dv la fdt e uguale a -vo/vi =-r2/r1.
la mia r1 per cm l'ho calcolata io e uguale a r2+c3//rpot+r3+ c1 (qui ho un dubbio su c1)
per quanto riguarda r2 questa e uguale a r3//r1+c1.
da qui sostituendo sostituendo a r2/r1 i valori che ho scritto nelle 2 righe precedenti ottengo la ftd dei post precedenti.
ripeto non sn per nulla sicuro che sia giusto! però più di cosi nn saprei fare
e per semplificare... al posto dei c ci va 1/jwc
2
voti
matxx ha scritto:...da quello che ho capito questo circuito si riduce ad un amplificatore invertente dv la fdt e uguale a -vo/vi =-r2/r1.
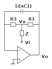
Direi che stai sbagliando, io partirei da questa configurazione semplificata
con

e risolverei per esempio usando i potenziali nodali; se vuoi provare a scrivere le due KCL necessarie per la soluzione (al nodo Vx e al morsetto invertente dell'operazionale) poi controlliamo.
"Il circuito ha sempre ragione" (Luigi Malesani)
1
voti
Visto che il thread sembra "morto", ho provato a farmi dare una mano da Maxima per i calcoli; dopo averle dato in pasto le due KCL ecco la sua risposta per la tensione d'uscita vo corrispondente ad una vi unitaria,
... ovvero per la funzione di trasferimento cercata.
... ovvero per la funzione di trasferimento cercata.
"Il circuito ha sempre ragione" (Luigi Malesani)
19 messaggi
• Pagina 2 di 2 • 1, 2
Chi c’è in linea
Visitano il forum: Nessuno e 194 ospiti

Elettrotecnica e non solo (admin)
Un gatto tra gli elettroni (IsidoroKZ)
Esperienza e simulazioni (g.schgor)
Moleskine di un idraulico (RenzoDF)
Il Blog di ElectroYou (webmaster)
Idee microcontrollate (TardoFreak)
PICcoli grandi PICMicro (Paolino)
Il blog elettrico di carloc (carloc)
DirtEYblooog (dirtydeeds)
Di tutto... un po' (jordan20)
AK47 (lillo)
Esperienze elettroniche (marco438)
Telecomunicazioni musicali (clavicordo)
Automazione ed Elettronica (gustavo)
Direttive per la sicurezza (ErnestoCappelletti)
EYnfo dall'Alaska (mir)
Apriamo il quadro! (attilio)
H7-25 (asdf)
Passione Elettrica (massimob)
Elettroni a spasso (guidob)
Bloguerra (guerra)



