Esercizio diodi
Moderatori:
carloc,
g.schgor,
BrunoValente,
IsidoroKZ
13 messaggi
• Pagina 1 di 2 • 1, 2
0
voti
[1] Esercizio diodi
Salve, sto studiando per l'esame di elettronica 1 e vorrei qualche consiglio sulla risoluzione del seguente esercizio.
Ho provato inizialmente a considerare tutti e tre i diodi accesi e ad applicare il principio di sovrapposizione degli effetti, ma ho un po' di confusione visto che ci sono 12 correnti da considerare di volta in volta.
In generale potreste spiegarmi passo-passo le varie operazioni e i ragionamenti da fare per risolverlo nella maniera più veloce ed intuitiva possibile?
Altra cosa, come posso rendere il circuito più "familiare" in maniera tale da poter applicare facilmente leggi di Kirchhoff e altro, in maniera tale che possa visualizzare facilmente le maglie e avere una visione più d'insieme?
Grazie in anticipo!
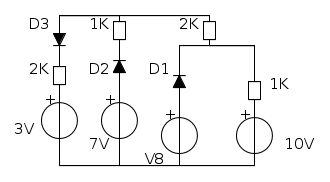
Traccia: Utilizzando il modello interruttore ideale del diodo, risolvere il seguente circuito.
Ho provato inizialmente a considerare tutti e tre i diodi accesi e ad applicare il principio di sovrapposizione degli effetti, ma ho un po' di confusione visto che ci sono 12 correnti da considerare di volta in volta.
In generale potreste spiegarmi passo-passo le varie operazioni e i ragionamenti da fare per risolverlo nella maniera più veloce ed intuitiva possibile?
Altra cosa, come posso rendere il circuito più "familiare" in maniera tale da poter applicare facilmente leggi di Kirchhoff e altro, in maniera tale che possa visualizzare facilmente le maglie e avere una visione più d'insieme?
Grazie in anticipo!
Traccia: Utilizzando il modello interruttore ideale del diodo, risolvere il seguente circuito.
Ultima modifica di
asdf il 6 set 2012, 17:50, modificato 1 volta in totale.
Motivazione: Rimossa la parola "Aiuto".
Motivazione: Rimossa la parola "Aiuto".
4
voti
Per primo passo rendi "familiare" il circuito, tutti gli ingressi Vcc trasformali in generatori di corrente continua tutti con un polo al circuito, e l'altro a massa e vedrai comparire magicamente le maglie.
Prova a fare un tentativo ed a postarlo
Prova a fare un tentativo ed a postarlo
C. America: Sei grosso con l'armatura; senza quella cosa sei?
Tony Stark: Un genio, miliardario playboy filantropo
Sfodera un autocompiacimento da manuale... Concordo
Se i miei calcoli non sono errati, e non lo sono mai, 3 Giga Joule al secondo
Tony Stark: Un genio, miliardario playboy filantropo
Sfodera un autocompiacimento da manuale... Concordo
Se i miei calcoli non sono errati, e non lo sono mai, 3 Giga Joule al secondo
1
voti
Avevo provato a riscrivere il circuito in questo modo. E' corretto?
Quale è il passo successivo? Posso partire con il considerare tutti i diodi ON oppure posso fare qualche altra ipotesi?
Quale è il passo successivo? Posso partire con il considerare tutti i diodi ON oppure posso fare qualche altra ipotesi?
1
voti
Si il circuito sembra corretto e credo tu possa procedere con le ipotesi 
C. America: Sei grosso con l'armatura; senza quella cosa sei?
Tony Stark: Un genio, miliardario playboy filantropo
Sfodera un autocompiacimento da manuale... Concordo
Se i miei calcoli non sono errati, e non lo sono mai, 3 Giga Joule al secondo
Tony Stark: Un genio, miliardario playboy filantropo
Sfodera un autocompiacimento da manuale... Concordo
Se i miei calcoli non sono errati, e non lo sono mai, 3 Giga Joule al secondo
0
voti
Grazie :)
Ora che modo mi consigli di procedere? Leggi a nodi e maglie, teoremi equivalenti o sovrapposizione?
Premetto che non ho i risultati dell'esercizio. So solo che il diodo D1 può essere considerato OFF facendo delle ipotesi iniziali, ancor prima di svolgere l'esercizio e fare i calcoli. Quale è il ragionamento che mi porta a tale conclusione ?
Ora che modo mi consigli di procedere? Leggi a nodi e maglie, teoremi equivalenti o sovrapposizione?
Premetto che non ho i risultati dell'esercizio. So solo che il diodo D1 può essere considerato OFF facendo delle ipotesi iniziali, ancor prima di svolgere l'esercizio e fare i calcoli. Quale è il ragionamento che mi porta a tale conclusione ?
6
voti
Io partirei dalla considerazione che D3 sarà sicuramente conduttivo in quanto catodicamente collegato al potenziale più basso della rete e possiamo ridisegnare la rete come segue
a questo punto, supponendo per il momento D1 scollegato, farei l'ipotesi di D2 conduttivo ed indicando con x il potenziale del nodo sinistro, scriverei

che conferma l'ipotesi fatta di D2 conduttivo.
...indicato ora con y il potenziale catodico di D1 avremo di che

e di conseguenza D1 interdetto.
NB Chiaramente se y fosse risultato minore di 8V il calcolo per D2 doveva essere rifatto.
... si poteva anche partire ipotizzando D1 conduttivo e D2 scollegato, in questo caso i 2mA in entrata dal morsetto a +10 V, "scendendo" nei 4kΩ verso il morsetto sinistro a +3 V, avrebbero da soli portato ad un potenziale catodico di D1 di 3+2X4=11 volt, in contraddizione con l'ipotesi fatta.
a questo punto, supponendo per il momento D1 scollegato, farei l'ipotesi di D2 conduttivo ed indicando con x il potenziale del nodo sinistro, scriverei

che conferma l'ipotesi fatta di D2 conduttivo.
...indicato ora con y il potenziale catodico di D1 avremo di che

e di conseguenza D1 interdetto.
NB Chiaramente se y fosse risultato minore di 8V il calcolo per D2 doveva essere rifatto.
... si poteva anche partire ipotizzando D1 conduttivo e D2 scollegato, in questo caso i 2mA in entrata dal morsetto a +10 V, "scendendo" nei 4kΩ verso il morsetto sinistro a +3 V, avrebbero da soli portato ad un potenziale catodico di D1 di 3+2X4=11 volt, in contraddizione con l'ipotesi fatta.
"Il circuito ha sempre ragione" (Luigi Malesani)
4
voti
C'è poi sempre il solito vecchio metodo grafico, ovvero quello di tracciare le caratteristiche non lineari dei due bipoli nei quali la rete può essere scomposta e cercare il punto di lavoro dalla sovrapposizione delle due caratteristiche tensione-corrente; ovviamente per poterle sovrapporre, in uno dovremo assumere la convenzione degli utilizzatori e nell'altro quella dei generatori
Le caratteristiche sono di facile tracciatura ed i segmenti di retta presentano una pendenza proporzionale alla conduttanza vista ai morsetti nei diversi intervalli; per il primo bipolo, per esempio, sarà quella relativa a 1mS sotto i 3V, a 1.5 mS fra 3V e 7V ed infine di 0.5mS sopra i 7V, conduttanze che saranno ricavabili in funzione dello stato dei diodi; il possibile range del punto di lavoro è chiaramente interno all'intervallo [3V,10V].
Il metodo conferma il risultato ottenuto in precedenza
D1=OFF
D2=ON
D3=ON
Edit -> ora che
IsidoroKZ ha linkato quei vecchi post scopro che avevamo già parlato di questa stessa configurazione in
viewtopic.php?f=2&t=32424&start=30#p274576
e scopro anche che "a quei tempi" avevo migliori idee risolutive, ovvero che il metodo migliore era quello lì indicato, che riporto qui sotto per comodità
Supponendo di scollegare D1 e D2 e di calcolare i potenziali di VB=10-7/5=8.6 e di VA=3+14/5=5.8, ricordando che la riconnessione di D1 e D2 non può che fare aumentare il potenziale dei punti interni alla rete (essendo connessi alla stessa per via catodica non potrebbero infatti che iniettare corrente nella stessa, portando un contibuto positivo ai potenziali di tutti i nodi interni)
a) il diodo D1 e' sicuramente interdetto in quanto anche se D2 fosse in conduzione il potenziale di VB non potrebbe che salire, VB >=8.6 > 8
b) e di conseguenza il diodo D2 e' in conduzione in quanto VA < 7
Le caratteristiche sono di facile tracciatura ed i segmenti di retta presentano una pendenza proporzionale alla conduttanza vista ai morsetti nei diversi intervalli; per il primo bipolo, per esempio, sarà quella relativa a 1mS sotto i 3V, a 1.5 mS fra 3V e 7V ed infine di 0.5mS sopra i 7V, conduttanze che saranno ricavabili in funzione dello stato dei diodi; il possibile range del punto di lavoro è chiaramente interno all'intervallo [3V,10V].
Il metodo conferma il risultato ottenuto in precedenza
D1=OFF
D2=ON
D3=ON
Edit -> ora che
viewtopic.php?f=2&t=32424&start=30#p274576
e scopro anche che "a quei tempi" avevo migliori idee risolutive, ovvero che il metodo migliore era quello lì indicato, che riporto qui sotto per comodità
Supponendo di scollegare D1 e D2 e di calcolare i potenziali di VB=10-7/5=8.6 e di VA=3+14/5=5.8, ricordando che la riconnessione di D1 e D2 non può che fare aumentare il potenziale dei punti interni alla rete (essendo connessi alla stessa per via catodica non potrebbero infatti che iniettare corrente nella stessa, portando un contibuto positivo ai potenziali di tutti i nodi interni)
a) il diodo D1 e' sicuramente interdetto in quanto anche se D2 fosse in conduzione il potenziale di VB non potrebbe che salire, VB >=8.6 > 8
b) e di conseguenza il diodo D2 e' in conduzione in quanto VA < 7
"Il circuito ha sempre ragione" (Luigi Malesani)
0
voti
Ok, D3 è acceso perché ha il catodo verso 3V, fin qui ci sono e questo lo si intuisce anche senza fare troppi calcoli.
Il circuito con D1 spento mi risulta allora questo:
Non riesco a capire il ragionamento per il calcolo dei potenziali X e Y.
Provando l'equazione che mi hai suggerito trovo che il potenziale di x=71/12=5.91 V
l'equazione che ho impostato è:
(3-x)/2 +7-x+(10-x)/3=x
è corretta?
Quindi avendo ottenuto x posso calcolarmi la corrente che scorre nella resistenza del ramo centrale come: (7-5,9)/1k= 1,9 mA
Dico bene o il mio ragionamento non ha nessun senso?
Non ho capito poi il ragionamento per il calcolo di Y una volta ottenuto X.
Mi rendo conto si tratti di un normalissimo esercizio di elettrotecnica ma è da poco che ho iniziato a studiare i diodi e spesso non riesco a capire cosa calcolare per verificare la correttezza delle ipotesi su conduzione o interdizione.
In ogni caso perdonatemi ma al momento sto ancora scaricando il programma per scrivere in linguaggio LaTex e non riesco a scrivere le formule in maniera più elegante.
Il circuito con D1 spento mi risulta allora questo:
Non riesco a capire il ragionamento per il calcolo dei potenziali X e Y.
Provando l'equazione che mi hai suggerito trovo che il potenziale di x=71/12=5.91 V
l'equazione che ho impostato è:
(3-x)/2 +7-x+(10-x)/3=x
è corretta?
Quindi avendo ottenuto x posso calcolarmi la corrente che scorre nella resistenza del ramo centrale come: (7-5,9)/1k= 1,9 mA
Dico bene o il mio ragionamento non ha nessun senso?
Non ho capito poi il ragionamento per il calcolo di Y una volta ottenuto X.
Mi rendo conto si tratti di un normalissimo esercizio di elettrotecnica ma è da poco che ho iniziato a studiare i diodi e spesso non riesco a capire cosa calcolare per verificare la correttezza delle ipotesi su conduzione o interdizione.
In ogni caso perdonatemi ma al momento sto ancora scaricando il programma per scrivere in linguaggio LaTex e non riesco a scrivere le formule in maniera più elegante.
3
voti
Nel tuo schema i nodi x e y li hai fatti coincidere, mentre nel circuito originale sono separati.
Le frasi successive leggile prima saltando le parentesi, e poi rileggile saltando quello che c'e` prima delle parentesi e prendendo solo le parole fra parentesi, in questo modo hai tutti e due i casi che sono duali uno dell'altro.
Quello che devi fare e` ad esempio considerare un diodo aperto (oppure chiuso) e calcolare la tensione ai suoi capi (o la corrente che lo attraversa).
Se la tensione (corrente) che calcoli e` compatibile con il diodo aperto (chiuso) allora l'ipotesi fatta e` giusta, altrimenti butti via i conti, fai l'ipotesi opposta e ricominci a risolvere la rete.
Guarda anche questi topic, le domande sui diodi sono ricorrenti viewtopic.php?f=2&t=32424 e viewtopic.php?f=1&t=26938&start=10 . Se usi la funzione "cerca" sicuramente ne saltano ancora fuori altri.
Le frasi successive leggile prima saltando le parentesi, e poi rileggile saltando quello che c'e` prima delle parentesi e prendendo solo le parole fra parentesi, in questo modo hai tutti e due i casi che sono duali uno dell'altro.
Quello che devi fare e` ad esempio considerare un diodo aperto (oppure chiuso) e calcolare la tensione ai suoi capi (o la corrente che lo attraversa).
Se la tensione (corrente) che calcoli e` compatibile con il diodo aperto (chiuso) allora l'ipotesi fatta e` giusta, altrimenti butti via i conti, fai l'ipotesi opposta e ricominci a risolvere la rete.
Guarda anche questi topic, le domande sui diodi sono ricorrenti viewtopic.php?f=2&t=32424 e viewtopic.php?f=1&t=26938&start=10 . Se usi la funzione "cerca" sicuramente ne saltano ancora fuori altri.
Per usare proficuamente un simulatore, bisogna sapere molta più elettronica di lui
Plug it in - it works better!
Il 555 sta all'elettronica come Arduino all'informatica! (entrambi loro malgrado)
Se volete risposte rispondete a tutte le mie domande
Plug it in - it works better!
Il 555 sta all'elettronica come Arduino all'informatica! (entrambi loro malgrado)
Se volete risposte rispondete a tutte le mie domande
0
voti
[10] Re: Esercizio diodi
Se applico Millman e trovo la tensione Vab:
Vab= (-3/2 +7)/(1/2 +1)= 3,66 V
Quindi D2 e D3 risultano in conduzione in quanto D2 va da 7 a 3,66 e D3 va da 3,66 a 3 volt.
E' corretto dimostrarlo in questo modo?
Grazie per le dritte comunque!
Proverò a svolgere anche gli altri esercizi che mi avete segnalato, in realtà uno l'avevo già iniziato a fare.
Vab= (-3/2 +7)/(1/2 +1)= 3,66 V
Quindi D2 e D3 risultano in conduzione in quanto D2 va da 7 a 3,66 e D3 va da 3,66 a 3 volt.
E' corretto dimostrarlo in questo modo?
Grazie per le dritte comunque!
Proverò a svolgere anche gli altri esercizi che mi avete segnalato, in realtà uno l'avevo già iniziato a fare.
13 messaggi
• Pagina 1 di 2 • 1, 2
Chi c’è in linea
Visitano il forum: Nessuno e 57 ospiti

Elettrotecnica e non solo (admin)
Un gatto tra gli elettroni (IsidoroKZ)
Esperienza e simulazioni (g.schgor)
Moleskine di un idraulico (RenzoDF)
Il Blog di ElectroYou (webmaster)
Idee microcontrollate (TardoFreak)
PICcoli grandi PICMicro (Paolino)
Il blog elettrico di carloc (carloc)
DirtEYblooog (dirtydeeds)
Di tutto... un po' (jordan20)
AK47 (lillo)
Esperienze elettroniche (marco438)
Telecomunicazioni musicali (clavicordo)
Automazione ed Elettronica (gustavo)
Direttive per la sicurezza (ErnestoCappelletti)
EYnfo dall'Alaska (mir)
Apriamo il quadro! (attilio)
H7-25 (asdf)
Passione Elettrica (massimob)
Elettroni a spasso (guidob)
Bloguerra (guerra)










