Cos'è ElectroYou | Login Iscriviti

ElectroYou - la comunità dei professionisti del mondo elettrico

Domande basilari sulla coppia differenziale a BJT

Elettronica lineare e digitale: didattica ed applicazioni

Moderatori: Foto Utentecarloc, Foto Utenteg.schgor, Foto UtenteBrunoValente, Foto UtenteIsidoroKZ

4
voti

[31] Re: Domande basilari sulla coppia differenziale a BJT

Messaggioda Foto UtenteDarwinNE » 16 set 2012, 18:15

Perfetto. Ho insistito su R_\mathrm{E} proprio per questo. Quando tu fissi una tensione di modo comune e questa resistenza tende ad infinito (perché la polarizzazione è realizzata tramite un generatore di corrente ideale), in pratica puoi fissare la tensione che vuoi sugli emettitori. In fatti, assenza di R_\mathrm{E}, nelle resistenze r_\pi non scorre alcuna corrente in modo comune ed i generatori comandati rimangono spenti (trascurando anche l'effetto Early). In questo caso, non hai nulla neppure in uscita.

Purtroppo, i generatori ideali non esistono in questa valle di lagrime e pertanto R_\mathrm{E} rappresenta la nonidealità del circuito di polarizzazione (la resistenza equivalente Norton del circuito usato come generatore di corrente nella "coda" della coppia differenziale). Questa fa sì che un guadagno di modo comune ci sia, seppure piccolo. Il rapporto seguente:
C_\mathrm{mrr}=20\log_{10}\frac{A_\mathrm{d}}{A_\mathrm{cm}}
quantifica la "bontà" del nostro amplificatore differenziale ed è chiamato tasso di reiezione di modo comune (Common Mode Rejection Ratio, da cui l'acronimo CMRR che si trova nei datasheet degli operazionali).

Altre domande prima di passare alle impedenze?
Follow me on Mastodon: @davbucci@mastodon.sdf.org
Avatar utente
Foto UtenteDarwinNE
31,0k 7 11 13
G.Master EY
G.Master EY
 
Messaggi: 4420
Iscritto il: 18 apr 2010, 9:32
Località: Grenoble - France

0
voti

[32] Re: Domande basilari sulla coppia differenziale a BJT

Messaggioda Foto UtentesPaCeMaN » 16 set 2012, 18:31

Mi sembra di esserci, possiamo proseguire!
Avatar utente
Foto UtentesPaCeMaN
110 1 5
New entry
New entry
 
Messaggi: 72
Iscritto il: 10 giu 2009, 17:06

3
voti

[33] Re: Domande basilari sulla coppia differenziale a BJT

Messaggioda Foto UtenteDarwinNE » 18 set 2012, 23:32

In questo momento, sono alquanto preso dal lavoro e quindi non mi hai visto molto. Sulle impedenze non ho ancora avuto il tempo di controllare se la cosa funzioni fino in fondo (e data la stanchezza, magari prendo una cantonata), ma mi pare che tu possa procedere come segue:

1 - proporre uno schema equivalente per gli ingressi della coppia differenziale, simile a quanto segue:



2- vedere che resistenza misuri facendo una misura differenziale e di modo comune sullo schema equivalente qui sopra, in maniera simile a quello che abbiamo visto precedentemente

3- fare esattamente la stessa cosa sulla coppia differenziale sfruttando la simmetria e separando le due metà come abbiamo fatto per calcolare i guadagni

4- identificare i risultati raggiunti (ovvero, quanto vale R1? Quanto vale R2)
Follow me on Mastodon: @davbucci@mastodon.sdf.org
Avatar utente
Foto UtenteDarwinNE
31,0k 7 11 13
G.Master EY
G.Master EY
 
Messaggi: 4420
Iscritto il: 18 apr 2010, 9:32
Località: Grenoble - France

1
voti

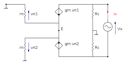
[34] Re: Domande basilari sulla coppia differenziale a BJT

Messaggioda Foto UtentesPaCeMaN » 19 set 2012, 16:24

Dunque, a dire il vero non mi è molto chiaro il ruolo del circuito equivalente a T che hai disegnato. Io sono abituato a calcolare la resistenza d'ingresso, per esempio dell'amplificatore ad emettitore comune, collegando un generatore test tra la base e il potenziale di riferimento (spegnendo altri eventuali generatori indipendenti presenti nel circuito). Qui potrei inserirlo tra i due terminali ai quali avevo applicato gli ingressi:




Ottenendo R_i_n =  \frac{Vx}{Ix} = 2 r_\pi.

Questo procedimento mi sembra sensato per le varie configurazioni d'ingresso. La riflessione che faccio è (sperando di non andare completamente fuori strada) la seguente: la resistenza d'ingresso di un amplificatore è un parametro indipendente dall'ingresso applicato, vale cioè per qualunque ddp applicata tra base e riferimento; applicare un ingresso alla coppia differenziale significa imporre una ddp tra le due basi dei transistor e al variare della configurazione varierà semplicemente il valore di tale ddp, per cui la resistenza d'ingresso offerta dalla coppia dovrà essere la stessa per tutte le configurazioni.

Analogamente, per R_o_u_t:



Da cui R_o_u_t = 2 R_C.

Pensi che possa funzionare questo ragionamento?
Avatar utente
Foto UtentesPaCeMaN
110 1 5
New entry
New entry
 
Messaggi: 72
Iscritto il: 10 giu 2009, 17:06

4
voti

[35] Re: Domande basilari sulla coppia differenziale a BJT

Messaggioda Foto UtenteDarwinNE » 19 set 2012, 18:09

sPaCeMaN ha scritto: collegando un generatore test tra la base e il potenziale di riferimento (spegnendo altri eventuali generatori indipendenti presenti nel circuito). Qui potrei inserirlo tra i due terminali ai quali avevo applicato gli ingressi:


Il tuo ragionamento è corretto, ma ho qualche remora diciamo così "filosofica". Io quando ho davanti una coppia differenziale simmetrica ho come idea fissa la simmetria :D
Nel senso: puoi anche ottenere dei risultati corretti con l'analisi che stai facendo, però non sfrutti affatto la simmetria del circuito e del resto il calcolo è facile in un caso particolare quanto mai ottimista in cui R_\mathrm{E} tende ad infinito. Cosa succede se la resistenza R_\mathrm{E} ha un valore finito? Insomma, non è la fine del mondo, ma non è neppure troppo comodo.

Abbiamo visto che possiamo analizzare i guadagni procedendo esclusivamente per simmetria, con il modo comune e modo differenziale per le tensioni in ingresso ed in uscita. Per il momento sto parlando solo ed esclusivamente delle impedenze di ingresso del circuito. Riesci a vedere come si può definire un'impedenza di ingresso di modo comune ed un'impedenza di ingresso di modo differenziale del nostro circuito, sempre rimanendo nella filosofia che abbiamo seguito fino ad adesso? Riesci a calcolarle in maniera semplice, sfruttando la simmetria?
Follow me on Mastodon: @davbucci@mastodon.sdf.org
Avatar utente
Foto UtenteDarwinNE
31,0k 7 11 13
G.Master EY
G.Master EY
 
Messaggi: 4420
Iscritto il: 18 apr 2010, 9:32
Località: Grenoble - France

1
voti

[36] Re: Domande basilari sulla coppia differenziale a BJT

Messaggioda Foto UtentesPaCeMaN » 20 set 2012, 0:03

Credo che un eventuale inserimento di R_E non scombinerebbe le cose perché, per come ho disegnato gli ultimi due circuiti, in virtù della simmetria, in entrambi i casi non dovrebbe scorrere corrente nel terminale di emettitore.

Comunque, a prescindere dall'esattezza di ciò, sono interessato ad approfondire il discorso della simmetria e di quel doppio bipolo a T, solo che non ho capito quale ragionamento abbia alla propria base e che ruolo abbiano R1 e R2, è un approccio nuovo per me.
Se invece dovessi fare riferimento al circuito di partenza (o meglio, al circuito per piccoli segnali), mi verrebbe in mente di calcolare la resistenza d'ingresso di ciascun mezzo circuito e sommare i risultati, cosa che restituirebbe il 2 r_\pi del mio post precedente, ma non so se si tratti di un metodo rigoroso, potrebbe essere solo un caso!
Ultima modifica di Foto Utenteasdf il 20 set 2012, 6:46, modificato 1 volta in totale.
Motivazione: Eliminata citazione integrale della risposta precedente.
Avatar utente
Foto UtentesPaCeMaN
110 1 5
New entry
New entry
 
Messaggi: 72
Iscritto il: 10 giu 2009, 17:06

4
voti

[37] Re: Domande basilari sulla coppia differenziale a BJT

Messaggioda Foto UtenteDarwinNE » 20 set 2012, 8:24

sPaCeMaN ha scritto:Credo che un eventuale inserimento di R_E non scombinerebbe le cose perché, per come ho disegnato gli ultimi due circuiti, in virtù della simmetria, in entrambi i casi non dovrebbe scorrere corrente nel terminale di emettitore.


Non nel primo caso! L'eccitazione non è perfettamente antisimmetrica, quindi l'effetto di R_\mathrm{E} dovrebbe farsi sentire eccome!

sPaCeMaN ha scritto:Comunque, a prescindere dall'esattezza di ciò, sono interessato ad approfondire il discorso della simmetria e di quel doppio bipolo a T, solo che non ho capito quale ragionamento abbia alla propria base e che ruolo abbiano R1 e R2, è un approccio nuovo per me.


Dimenticati per un istante del quadripolo a T. Ci arriveremo con calma.

sPaCeMaN ha scritto:Se invece dovessi fare riferimento al circuito di partenza (o meglio, al circuito per piccoli segnali), mi verrebbe in mente di calcolare la resistenza d'ingresso di ciascun mezzo circuito e sommare i risultati.


Più o meno, ma non hai risposto alla mia domanda di cui sopra: come possiamo definire un'impedenza di ingresso di modo comune ed un'impedenza di ingresso di modo differenziale del nostro circuito?
Follow me on Mastodon: @davbucci@mastodon.sdf.org
Avatar utente
Foto UtenteDarwinNE
31,0k 7 11 13
G.Master EY
G.Master EY
 
Messaggi: 4420
Iscritto il: 18 apr 2010, 9:32
Località: Grenoble - France

1
voti

[38] Re: Domande basilari sulla coppia differenziale a BJT

Messaggioda Foto UtentesPaCeMaN » 20 set 2012, 13:54

Ok, allora procediamo per gradi :D

La definizione d'impedenza d'ingresso che conosco è quella di impedenza equivalente ai capi di un bipolo: inserisco un generatore di tensione di prova Vx, spengo i generatori indipendenti del circuito, calcolo il rapporto tra Vx e Ix.

A questo punto, considerato il circuito "intero" per piccoli segnali, definirei l'impedenza d'ingresso nel caso di modo differenziale nel modo seguente:
- Caso ingresso single-ended: generatore test al posto dell'unico generatore di segnale presente nel circuito;
- Caso ingresso differenziale: detti v_e_1 e v_e_2 i generatori di segnale collegati alle basi dei transistor, spengo v_e_2, sostituisco v_e_1 con un generatore test, calcolo l'impedenza d'ingresso; poi faccio lo stesso con v_e_1 spento e v_e_2 sostituito. Praticamente ho la sovrapposizione di due modi single-ended, il secondo dei quali dovrebbe potersi calcolare (per antisimmetria) semplicemente cambiando il segno a tutte le tensioni e le correnti del primo.

Similmente definirei l'impedenza d'ingresso del modo comune, osservando che stavolta i versi delle tensioni e delle correnti dovranno essere identici nel passare da un ingresso all'altro.

In realtà mi rendo conto che tutto ciò è molto simile al procedimento che avevo già usato, ma questa è la via che mi suggerisce l'unico metodo che conosco per definire l'impedenza d'ingresso di un circuito.
Avatar utente
Foto UtentesPaCeMaN
110 1 5
New entry
New entry
 
Messaggi: 72
Iscritto il: 10 giu 2009, 17:06

2
voti

[39] Re: Domande basilari sulla coppia differenziale a BJT

Messaggioda Foto UtenteDarwinNE » 20 set 2012, 16:40

sPaCeMaN ha scritto:- Caso ingresso single-ended: cut
- Caso ingresso differenziale: cut


Abbiamo passato una trentina di messaggi a ragionare sul circuito e ti ho esposto la mia filosofia; una catena interessante di idee dovrebbe essere ormai acquisita e digerita:
1. Il circuito è simmetrico
2. Lo studio del circuito è semplice con eccitazione simmetrica (modo comune) o antisimmetrica (modo differenziale)
3. Ogni tipo di eccitazione del circuito può essere ricondotto (in linearità) ad una combinazione lineare di eccitazione simmetrica ed antisimmetrica.

Abbiamo fatto così con il calcolo del guadagno, vorrei far lo stesso con le impedenze di ingresso. Ora la resistenza di ingresso di un circuito si misura effettivamente come indichi tu, ovvero dando un'eccitazione con un generatore di corrente e misurando la risposta in tensione che si ottiene alla stessa porta. Puoi fare un ragionamento duale utilizzando un generatore di tensione misurando la corrente.
Io sto cercando di portarti verso la definizione di impedenze d'ingresso differenziale e di modo comune. Non è l'unica strada percorribile, ma ritengo possa chiarirti qualche idea sul circuito e per questo insisto. Abbiamo visto come si definisce il modo differenziale. Nella misura dell'impedenza di ingresso differenziale del circuito, devi fare un'eccitazione, per esempio in tensione, unicamente composta dal modo differenziale. Qual è la secondo te la corrente che scegli per calcolare il parametro?
Follow me on Mastodon: @davbucci@mastodon.sdf.org
Avatar utente
Foto UtenteDarwinNE
31,0k 7 11 13
G.Master EY
G.Master EY
 
Messaggi: 4420
Iscritto il: 18 apr 2010, 9:32
Località: Grenoble - France

2
voti

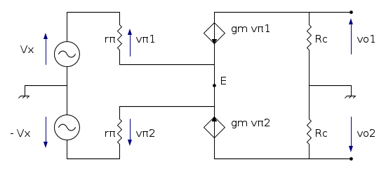
[40] Re: Domande basilari sulla coppia differenziale a BJT

Messaggioda Foto UtentesPaCeMaN » 20 set 2012, 17:20

Per rispondere avrei bisogno prima di capire se il circuito a cui facciamo riferimento sia il seguente, cioè se sia giusta l'idea di costruire un ingresso differenziale con due generatori test:



In caso affermativo, dato che i due generatori erogano la stessa corrente, forse potrei definire l'impedenza d'ingresso come rapporto fra l'ingresso differenziale e la corrente in comune ai due generatori?
Avatar utente
Foto UtentesPaCeMaN
110 1 5
New entry
New entry
 
Messaggi: 72
Iscritto il: 10 giu 2009, 17:06

PrecedenteProssimo

Torna a Elettronica generale

Chi c’è in linea

Visitano il forum: Google Adsense [Bot] e 48 ospiti