Dobbiamo montare delle piccole scaldiglie, da circa 18 W, all'interno di alcuni quadri.
Il cliente ci richiede una spia che stia accesa se la scaldiglia funziona, spenta se la scaldiglia è guasta o è spenta da relativo selettore.
Il problema viene adesso:
abbiamo luci led a 24 volt che abbiamo messo in serie alla scaldiglia.
Abbiamo notato che, al momento di alimentare il ramo, il led si accende mentre la scaldiglia rimane fredda.
Forse con delle classiche lampadine ad incandescenza risolveremmo ma è sempre un forse.
Si potrebbe mettere anche un relè in serie alla scaldiglia che fintanto che è eccitato chiude un contatto su una lampadina ma vorrei evitare di usare un relè solo per questo.
Qualche consiglio?
Grazie.
Consigli su montaggio scaldiglia dentro quadro
Moderatori:
sebago,
MASSIMO-G,
lillo,
Mike
17 messaggi
• Pagina 1 di 2 • 1, 2
0
voti
Qual è la tensione di alimentazione delle scaldiglie?
La relativa corrente è continua o alternata?
Con questi necessari dati aggiuntivi, potremo cercare una soluzione.
La relativa corrente è continua o alternata?
Con questi necessari dati aggiuntivi, potremo cercare una soluzione.
Big fan of ⋮ƎlectroYou! Ausili per disabili e anziani su ⋮ƎlectroYou
Caratteri utili: À È É Ì Ò Ó Ù α β γ δ ε η θ λ μ π ρ σ τ φ ω Ω º ª ² ³ √ ∛ ∜ ₀ ₁ ₂ ₃ ₄ ₅ ₆ ∃ ∄ ∆ ∈ ∉ ± ∓ ∾ ≃ ≈ ≠ ≤ ≥
Caratteri utili: À È É Ì Ò Ó Ù α β γ δ ε η θ λ μ π ρ σ τ φ ω Ω º ª ² ³ √ ∛ ∜ ₀ ₁ ₂ ₃ ₄ ₅ ₆ ∃ ∄ ∆ ∈ ∉ ± ∓ ∾ ≃ ≈ ≠ ≤ ≥
0
voti
solitamente le scaldiglie sono a 230vac, penso che mettendo in serie una lampada si otterebbe solo di fare illuminare debolmente la lampada e scaldare poco la scaldiglia. La soluzione piu logica è mettere in parallelo un relè o un teleruttorino , ovviamente però non rileverebbe il guasto della scaldiglia ma solo la presenza tensione ai suoi capi. Purtroppo le scaldiglie si guastano facilmente (ovvero si interrompe l'elemento riscaldante avvolto sulla ceramica) se qualcuno ha trovato un metodo economico per rilevare tale guasto spero che lo posti. Altrimenti occorrerebbe rilevare il passaggio di corrente quando chiude il termostato e mi sembra tutto eccessivamente complicato per una applicazione del genere.
1
voti
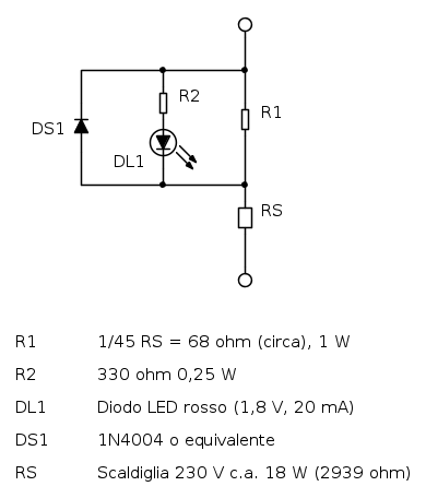
Per una scaldiglia da 230 V c.a. 18 W si potrebbe mettere in serie una lampadina da 12 V 1 W.
Però ci sarebbe poi il problema che se brucia la lampadina si disattiva la scaldiglia.
Un'altra soluzione è di mettere in serie alla scaldiglia una resistenza calcolata in modo che cadano ai suoi capi circa 5 V, cioè circa pari a 1/45 della resistenza della scaldiglia.
In parallelo mettere un LED con opportuna resistenza sovradimensionata per tener conto della corrente di picco (per esempio una spia LED da 6 V c.a. che comprende già la resistenza).
In antiparallelo al LED è bene mettere un diodo raddrizzatore al silicio che lasci passare tutta la corrente quando la polarità non è utile per l'accensione del LED.
Il tutto opportunamente racchiuso in scatoletta isolante, ma questo lo sanno meglio gli elettrotecnici, io sono elettronico.
Il LED potrebbe accendersi debolmente e vedersi un rapidissimo sfarfallio dovuto ai 50 Hz di rete. Per risolvere questi problemi si potrebbe fare la finezza di alimentarlo attraverso un ponte raddrizzatore (4 diodi), ma non credo che il gioco valga la candela.
Già così dovrebbe funzionare sufficientemente bene.
Se proprio volete usare spie da 24 V si può usare R1 = 1/9 RS, con potenza di 3 W, ma si ruba un po' di potenza alla scaldiglia.
Però ci sarebbe poi il problema che se brucia la lampadina si disattiva la scaldiglia.
Un'altra soluzione è di mettere in serie alla scaldiglia una resistenza calcolata in modo che cadano ai suoi capi circa 5 V, cioè circa pari a 1/45 della resistenza della scaldiglia.
In parallelo mettere un LED con opportuna resistenza sovradimensionata per tener conto della corrente di picco (per esempio una spia LED da 6 V c.a. che comprende già la resistenza).
In antiparallelo al LED è bene mettere un diodo raddrizzatore al silicio che lasci passare tutta la corrente quando la polarità non è utile per l'accensione del LED.
Il tutto opportunamente racchiuso in scatoletta isolante, ma questo lo sanno meglio gli elettrotecnici, io sono elettronico.
Il LED potrebbe accendersi debolmente e vedersi un rapidissimo sfarfallio dovuto ai 50 Hz di rete. Per risolvere questi problemi si potrebbe fare la finezza di alimentarlo attraverso un ponte raddrizzatore (4 diodi), ma non credo che il gioco valga la candela.
Già così dovrebbe funzionare sufficientemente bene.
Se proprio volete usare spie da 24 V si può usare R1 = 1/9 RS, con potenza di 3 W, ma si ruba un po' di potenza alla scaldiglia.
Big fan of ⋮ƎlectroYou! Ausili per disabili e anziani su ⋮ƎlectroYou
Caratteri utili: À È É Ì Ò Ó Ù α β γ δ ε η θ λ μ π ρ σ τ φ ω Ω º ª ² ³ √ ∛ ∜ ₀ ₁ ₂ ₃ ₄ ₅ ₆ ∃ ∄ ∆ ∈ ∉ ± ∓ ∾ ≃ ≈ ≠ ≤ ≥
Caratteri utili: À È É Ì Ò Ó Ù α β γ δ ε η θ λ μ π ρ σ τ φ ω Ω º ª ² ³ √ ∛ ∜ ₀ ₁ ₂ ₃ ₄ ₅ ₆ ∃ ∄ ∆ ∈ ∉ ± ∓ ∾ ≃ ≈ ≠ ≤ ≥
0
voti
Ma non si potrebbe chiedere al produttore se ha implementato un sistema di controllo di funzionamento con spia o comunque chiedere se la soluzione adottata sia utilizzabile?


Il problema dell'umanità è che gli stupidi sono strasicuri,mentre gli intelligenti sono pieni di dubbi
1
voti
Butto l'idea e il problema.
IDEA:
Termostato a contatto sul corpo della scaldiglia (tipo pasticca termica) debitamete tarato!?
PROBLEMA:
Il contatto della pasticca si chiude immediatamente ma dopo un tempo "X" ovvero quando la scaldiglia ha raggiunto la temperatura "di taratura".
IDEA:
Termostato a contatto sul corpo della scaldiglia (tipo pasticca termica) debitamete tarato!?
PROBLEMA:
Il contatto della pasticca si chiude immediatamente ma dopo un tempo "X" ovvero quando la scaldiglia ha raggiunto la temperatura "di taratura".
0
voti
GuidoB ha scritto:Qual è la tensione di alimentazione delle scaldiglie?
la scaldiglia funziona a 24 volt in continua, 18 watt di potenza circa.
Scusate la dimenticanza.
GuidoB ha scritto:Un'altra soluzione è di mettere in serie alla scaldiglia una resistenza calcolata in modo che cadano ai suoi capi circa 5 V, cioè circa pari a 1/45 della resistenza della scaldiglia.
è da troppo tempo che non faccio queste cose,
mi potresti dire come li hai dimensionati?
1
voti
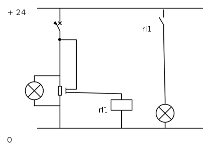
Iho ha scritto:la scaldiglia funziona a 24 volt in continua, 18 watt di potenza circa.
Allora la cosa cambia. Per non rubare troppa tensione e potenza, si può usare un transistor come sensore di corrente e pilotare un LED (o spia LED a 24 V, omettendo la resistenza R2) alimentato dagli stessi 24 V disponibili:
Essendo la corrente continua si può anche omettere il diodo DS1, inserito al solo scopo di rendere il circuito compatibile anche con un'alimentazione in corrente alternata.
Iho ha scritto:GuidoB ha scritto:Un'altra soluzione è di mettere in serie alla scaldiglia una resistenza calcolata in modo che cadano ai suoi capi circa 5 V, cioè circa pari a 1/45 della resistenza della scaldiglia.
è da troppo tempo che non faccio queste cose,
mi potresti dire come li hai dimensionati?
Bè, a occhio 5 V è la tensione minima alla quale si riesce ad avere una buona stabilizzazione della corrente che attraversa un LED mediante resistenza in serie (che si calcola con la legge di Ohm conoscendo la caduta sul LED).
Cioè, se per esempio ho 2 V e pretendo di stabilizzare con una resistenza in serie la corrente che attraversa un LED rosso, che generalmente ha una caduta di 1,8 V, ho un margine di 200 mV teorici, la resistenza viene bassissima e con una minima variazione della tensione di ingresso (per esempio da 2 V a 2,2 V) la corrente può raddoppiare e portare alla distruzione del LED (tutto questo ragionando in continua senza tener conto che in alternata c'è un valore efficace e un valore di picco, che peggiora le cose).
Questo per giustificare il perché dei 5 V.
Poi facendo un conto alla buona,
(cioè 5 V sono
di 230 V).Se voglio che sulla resistenza R1 del post precedente cadano 5 V, devo fare un partitore di tensione (spiegato per esempio qui). Tutti i conti vengono dalla legge di Ohm.
Alla fine salta fuori che

Sapendo che
e risolvendo rispetto a R1, ottengo
Divido tutto per
ottenendo
quindi

e perciò

Fammi poi sapere come siete riusciti a risolvere il problema.

Big fan of ⋮ƎlectroYou! Ausili per disabili e anziani su ⋮ƎlectroYou
Caratteri utili: À È É Ì Ò Ó Ù α β γ δ ε η θ λ μ π ρ σ τ φ ω Ω º ª ² ³ √ ∛ ∜ ₀ ₁ ₂ ₃ ₄ ₅ ₆ ∃ ∄ ∆ ∈ ∉ ± ∓ ∾ ≃ ≈ ≠ ≤ ≥
Caratteri utili: À È É Ì Ò Ó Ù α β γ δ ε η θ λ μ π ρ σ τ φ ω Ω º ª ² ³ √ ∛ ∜ ₀ ₁ ₂ ₃ ₄ ₅ ₆ ∃ ∄ ∆ ∈ ∉ ± ∓ ∾ ≃ ≈ ≠ ≤ ≥
2
voti
[/fcd]ciao, l'idea del termostato a contatto è buona, si potrebbe usare un circuito del genere, basta attendere qualche minuto che la scaldiglia vada in temperatura e la luce di controllo si accenda. Per il controllo dell'accensione basta usare un interruttore luminoso con lampada da 24 V
-

perotmichel
16 3 - Messaggi: 33
- Iscritto il: 15 ott 2012, 15:56
17 messaggi
• Pagina 1 di 2 • 1, 2
Torna a Impianti, sicurezza e quadristica
Chi c’è in linea
Visitano il forum: Nessuno e 80 ospiti

Elettrotecnica e non solo (admin)
Un gatto tra gli elettroni (IsidoroKZ)
Esperienza e simulazioni (g.schgor)
Moleskine di un idraulico (RenzoDF)
Il Blog di ElectroYou (webmaster)
Idee microcontrollate (TardoFreak)
PICcoli grandi PICMicro (Paolino)
Il blog elettrico di carloc (carloc)
DirtEYblooog (dirtydeeds)
Di tutto... un po' (jordan20)
AK47 (lillo)
Esperienze elettroniche (marco438)
Telecomunicazioni musicali (clavicordo)
Automazione ed Elettronica (gustavo)
Direttive per la sicurezza (ErnestoCappelletti)
EYnfo dall'Alaska (mir)
Apriamo il quadro! (attilio)
H7-25 (asdf)
Passione Elettrica (massimob)
Elettroni a spasso (guidob)
Bloguerra (guerra)










